Operation CHARM: Car repair manuals for everyone.
Manuals through 2025 now available!

Our trusted friends have launched a new website named LEMON, which has newer manuals. It also contains all the CHARM manuals.

LEMON is the spiritual successor to CHARM, I recommend you try it!

Link: lemon-manuals.la or lemon-manuals.org.ua

(Some people have issue connecting. LEMON is investigating. For now, use Firefox or change your DNS server)

Or, hide this message: temporarily or permanently

Engine Control Module: Service and Repair

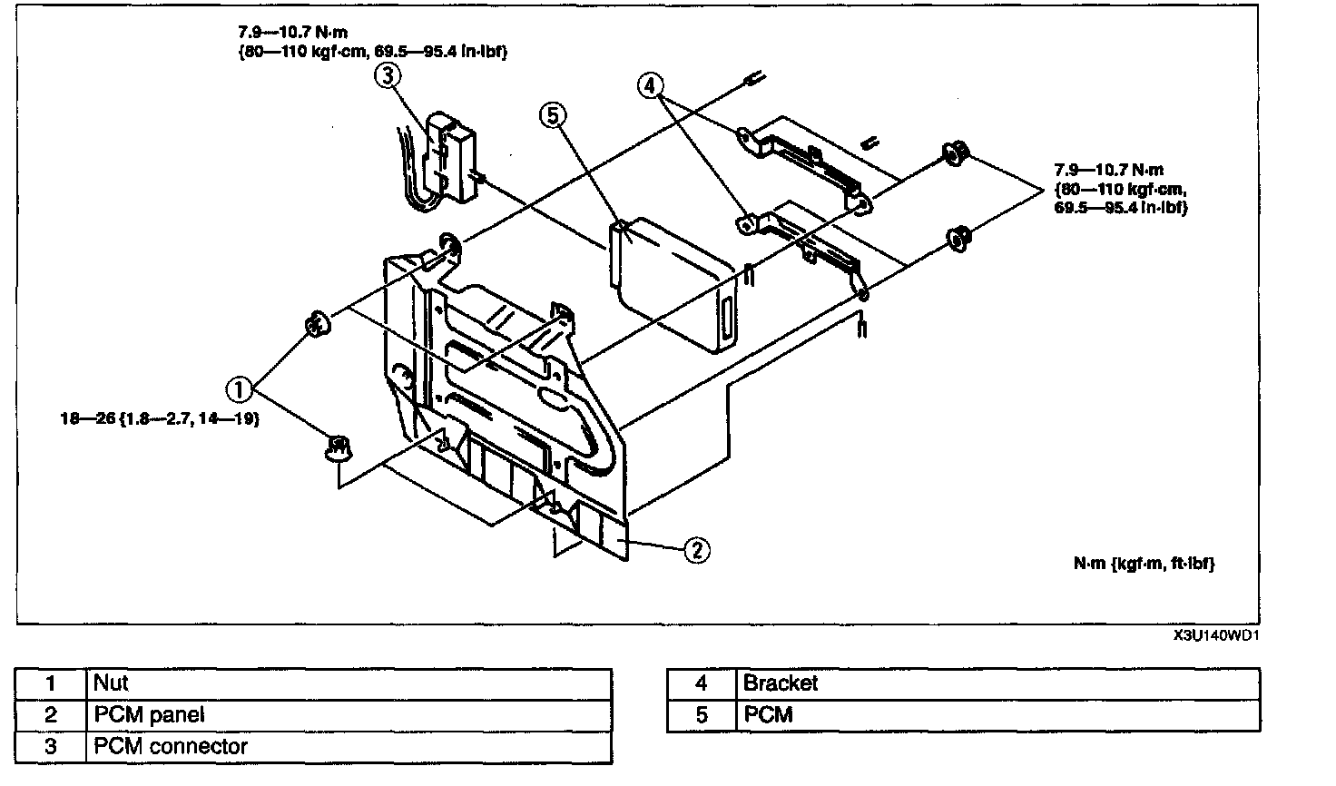
PCM REMOVAL/INSTALLATION

1. Disconnect the negative battery cable.
2. Remove the front passenger side scuff plate.
3. Remove the front passenger side trim.
4. Partially peel off the floor covering from the front of the passengers side.

WARNING: The edge of the PCM plate is sharp. Be careful not to cut yourself when handling the PCM plate.




5. Remove in the order indicated in the table.
6. Install in the reverse order of removal.