Operation CHARM: Car repair manuals for everyone.
Manuals through 2025 now available!

Our trusted friends have launched a new website named LEMON, which has newer manuals. It also contains all the CHARM manuals.

LEMON is the spiritual successor to CHARM, I recommend you try it!

Link: lemon-manuals.la or lemon-manuals.org.ua

(Some people have issue connecting. LEMON is investigating. For now, use Firefox or change your DNS server)

Or, hide this message: temporarily or permanently

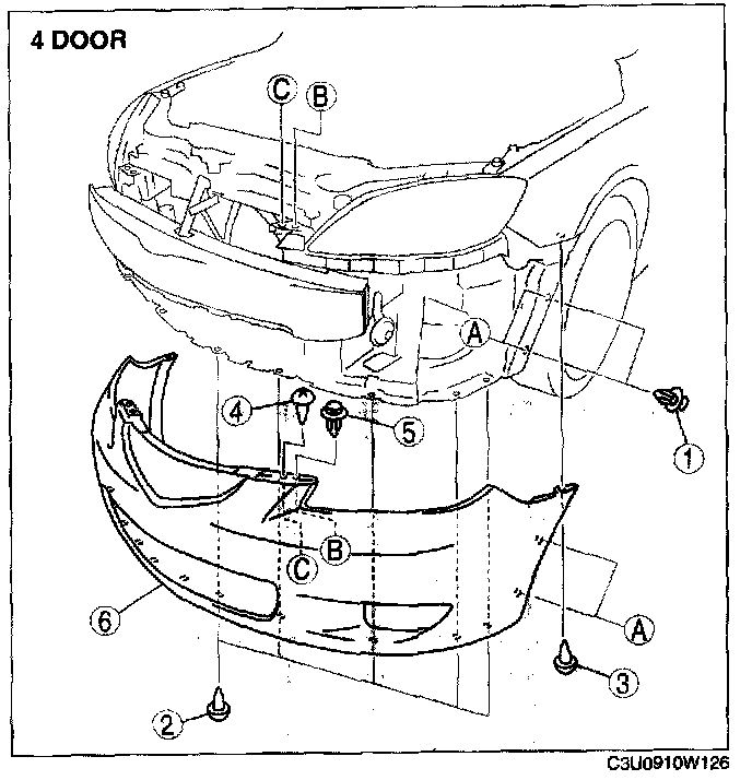
Removal and Replacement

FRONT BUMPER REMOVAL/INSTALLATION

1. Disconnect the negative battery cable.






2. Remove in the order indicated in the table.






3. Disconnect the front fog light connectors for vehicles with the front fog lights.
4. Install in the reverse order of removal.
5. Adjust the front fog light aiming for vehicles with the front fog lights.

Front Bumper Removal Note

1. Pull the front bumper ends (wheel arch) outward to detach from the bumper slider.

CAUTION: When detaching the front bumper from the bumper slider, the front bumper could fall and be damaged. Secure the front bumper so that it does not fall.






2. Push the tabs in the direction of the arrow.
3. Remove the front bumper from the body.

Front Bumper Installation Note
1. Spread the front bumper ends apart.
2. Attach the front bumper to the body.
3. Press the front bumper connecting area into the body to engage with the bumper slider.