Manuals through 2025 now available!
Our trusted friends have launched a new website named LEMON, which has newer manuals. It also contains all the CHARM manuals.
LEMON is the spiritual successor to CHARM, I recommend you try it!
Link:
lemon-manuals.la or
lemon-manuals.org.ua
(Some people have issue connecting. LEMON is investigating. For now, use Firefox or change your DNS server)
Or, hide this message:
temporarily or
permanently
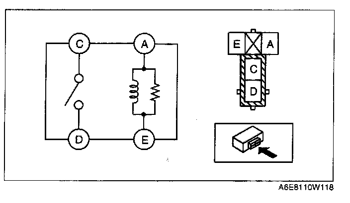
Mini ISO Relay: Testing and Inspection
RELAY INSPECTION
Relay Type
Four-terminal
Type A 1.
Remove the
relay.
2.
Inspect for continuity between the
relay terminals using an ohmmeter.
-
If not as specified, replace the
relay.
Type B 1.
Remove the
relay.
2.
Inspect for continuity between the
relay terminals using an ohmmeter.
-
If not as specified, replace the
relay.