Operation CHARM: Car repair manuals for everyone.
Manuals through 2025 now available!

Our trusted friends have launched a new website named LEMON, which has newer manuals. It also contains all the CHARM manuals.

LEMON is the spiritual successor to CHARM, I recommend you try it!

Link: lemon-manuals.la or lemon-manuals.org.ua

(Some people have issue connecting. LEMON is investigating. For now, use Firefox or change your DNS server)

Or, hide this message: temporarily or permanently

Part 2

ENGINE DISASSEMBLY AND ASSEMBLY Continued





26. Install the special tool in the timing slots on rear of both camshafts. Timing slots are offset from the centerline of the camshaft.

Note:
^ Use a wrench on the flats between cylinders No. 1 and No. 2 to hold the camshafts in place.





27. Tighten the camshaft sprocket bolts.
28. Clean the front cover gasket surface with metal surface cleaner.





29. Apply a 2.5 mm bead of silicone gasket and sealant to the front cover.





30. Apply silicone gasket and sealant to the locations shown.

Note:
^ The front cover must be secured within four minutes of silicone gasket application. If the front cover is not secured within four minutes, the sealant must be removed and the sealing area cleaned with metal surface cleaner.





31. Install the front cover. Tighten the bolts in the sequence shown in three stages.
^ Stage 1: Tighten the 8 mm bolts to 10 Nm (1.0 kgf-cm, 89 inch lbs.).
^ Stage 2: Tighten the 10 mm bolts to 25 Nm (2.5 kgf-cm, 18 ft. lbs.).
^ Stage 3: Tighten the 13 mm bolts to 48 Nm (4.8 kgf-cm, 35 ft. lbs.).

Note:
^ Do not reuse the vibration damper bolt and washer.

Note:
^ Apply clean engine oil on the seal area before installing.





32. Install the vibration damper and hand-tighten the bolt.

Caution:
^ Only hand-tighten the bolt or damage to the front cover can occur.

Note:
^ This step will correctly align the vibration damper to the crankshaft.





33. Install a standard 6 mm (0.23 inch) x 18 mm (0.7 inch) bolt through the crankshaft pulley and thread it into the front cover.
^ Rotate the crankshaft pulley as necessary to align the bolt holes.

Caution:
^ Failure to hold the crankshaft pulley in place during bolt tightening can cause damage to the engine front cover.

34. Using the special tools to hold the crankshaft pulley in place, tighten the crankshaft pulley bolt in two stages.





1. Stage 1: Tighten the bolt to 100 Nm (10.0 kgf-cm, 74 ft. lbs.).
2. Stage 2: Tighten the bolt and additional 90 degrees (1/4 turn).





35. Remove the special tools.





36. Remove the 6 mm (0.23 inch) x 18 mm (0.7 inch) bolt.





37. Remove the special tool.





38. Remove the special tool.

Note:
^ Only turn the engine in the normal direction of rotation.

39. Turn the engine two complete revolutions.

Note:
^ Only turn the engine in the normal direction of rotation.

40. Turn the engine until the No. 1 piston is at Top Dead Center (TDC).





41. Install the special tool.

Caution:
^ Only hand-tighten the bolt or damage to the front cover can occur.





42. Using the 6 mm (0.23 inch) x 18 mm (0.7 inch) bolt, check the position of the crankshaft pulley.
^ If it is not possible to install the bolt, correct the engine timing.





43. Using the special tool, check the position of the camshafts.
^ If it is not possible to install the special tool, correct the engine timing.





44. Remove the special tool.





45. Remove the 6 mm (0.23 inch) x 18 mm (0.7 inch) bolt.





46. Remove the special tool.





47. Install the plug bolt.





48. Using the special tool, install a new Crankshaft Position (CKP) sensor. The tool must engage a tooth of the vibration damper.
49. Clean the valve cover gasket surface with metal surface cleaner.





50. Apply silicone gasket and sealant to the locations shown.

Note:
^ The valve cover must be secured within four minutes of silicone gasket application. If the valve cover is not secured within four minutes, the sealant must be removed and the sealing area cleaned with metal surface cleaner.





51. Install the valve cover and tighten the bolts in the sequence shown.





52. Install the following:
^ Camshaft Position (CMP) sensor.
^ Cylinder Head Temperature (CHT) sensor.
^ spark plugs.

Note:
^ Clean the water pump gasket surface with metal surface cleaner.

Note:
^ Lubricate the water pump O-ring seal with clean coolant prior to assembly.





53. Install the water pump.





54. Install the water pump pulley.





55. Install the fuel injection supply manifold and the ground strap.





56. Install the left motor mount.

Note:
^ The knock sensor must not touch the engine vent cover.





57. Install the engine vent cover and the Knock Sensor (KS).

Note:
^ Clean the thermostat housing gasket surface with metal surface cleaner.





58. Install a new gasket and the thermostat housing.





59. Install the bypass hose and the clamp.





60. Install the ignition coil.

Note:
^ Apply silicone dielectric compound to the inside of the spark plug boots.

61. Connect the spark plug wires to the spark plugs.





62. Install the fuel charging wiring harness. Attach the fuel charging wiring harness to the valve cover studs.





63. Connect the ignition coil and the cylinder head temperature (CHT) sensor electrical connectors.





64. Connect the fuel injector electrical connectors. Attach the wiring harness pin-type retainers.





65. Install the intake manifold.





66. Secure the fuel line clip to the intake manifold.





67. Install the EGR tube.
^ Install the EGR tube bracket to the intake manifold.
^ Connect the EGR tube to the cylinder head.





68. Connect the EGR tube to the intake manifold.
69. Attach the engine wiring harness pin-type retainers to the intake manifold.





70. Connect the CMP sensor electrical connector and the PCV hose.





71. Install the engine wiring harness connector bracket.





72. Connect the electrical connectors:





73. Connect the CKP sensor and wiring pin-type retainers.





74. Connect the following electrical connectors:
^ Manifold Absolute Pressure (MAP) sensor.
^ Throttle Position (TP) sensor.
^ Idle Air Control (IAC) valve.





75. Install the power steering pump assembly.

Note:
^ Clean the EGR valve gasket surface with metal surface cleaner.





76. Install a new gasket and the EGR valve. Connect the EGR electrical connector.

Note:
^ Clean the water outlet tube gasket surface with metal surface cleaner.





77. Install a new gasket and the water outlet tube.
^ Tighten the bolts.
^ Connect the coolant hose.
^ Connect the Engine Coolant Temperature (ECT) sender electrical connector.





78. Install the block heater (if equipped).





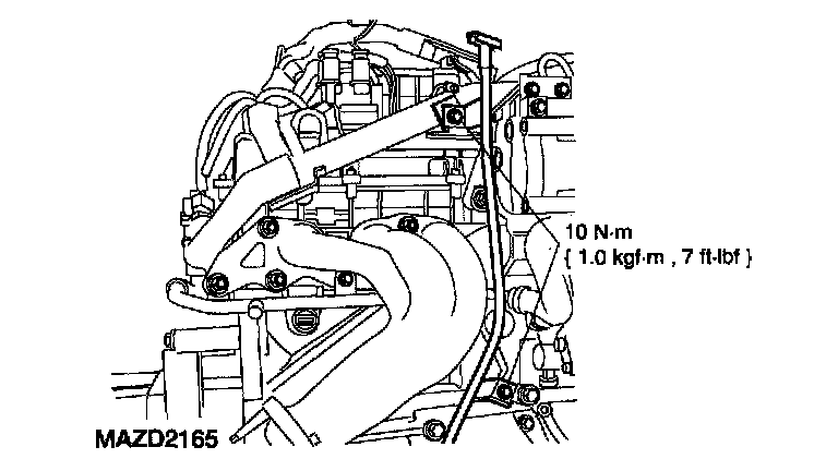
79. Install the exhaust manifold and gasket.





80. Install the coolant tube assembly.





81. Connect the following:
^ coolant hose to the thermostat.
^ coolant hose to EGR tube.





82. Install the right motor mount.





83. Install the accessory bracket.





84. Install the A/C compressor.

Note:
^ Lubricate the O-ring seal with antifreeze.





85. Install the water outlet tube.

Note:
^ Lubricate the O-ring seal with clean engine oil.





86. Install the engine oil level indicator assembly.





87. Install the drive belt.
88. Using the Spreader Bar and the Floor Crane, remove the engine from the engine stand.
89. Install the flywheel or flexplate and the bolts.





90. Install the special tool.





91. Tighten the bolts in the sequence shown in three stages.
^ Stage 1: Tighten the bolts to 50 Nm (37 ft. lbs.).
^ Stage 2: Tighten the bolts to 80 Nm (59 ft. lbs.).
^ Stage 3: Tighten the bolts to 112 Nm (83 ft. lbs.).





92. For vehicles with manual transmission, lubricate the transmission input shaft pilot bearing with front axle grease.
93. For vehicles with a manual transmission, adjust the clutch pressure plate.





1. Using a suitable press, press downward on the fingers until the adjusting ring moves freely.
2. Rotate the adjusting ring counterclockwise to compress the tension springs. Hold the adjusting ring in this position.
3. Release the pressure on the fingers. The adjusting ring will stay in the reset position.





94. Using the special tool or equivalent shop tool, position the clutch disc on the flywheel.

Note:
^ If reusing the clutch pressure plate and flywheel, align the marks made during removal.





95. Position the clutch pressure plate and install the bolts. Tighten the bolts in the star pattern sequence.
^ Remove the Clutch Disc Aligner.