Operation CHARM: Car repair manuals for everyone.
Manuals through 2025 now available!

Our trusted friends have launched a new website named LEMON, which has newer manuals. It also contains all the CHARM manuals.

LEMON is the spiritual successor to CHARM, I recommend you try it!

Link: lemon-manuals.la or lemon-manuals.org.ua

(Some people have issue connecting. LEMON is investigating. For now, use Firefox or change your DNS server)

Or, hide this message: temporarily or permanently

Part 1

ENGINE DISASSEMBLY AND ASSEMBLY

Disassembly Note

Caution:
^ If the clutch disc and pressure plate are to be reinstalled, bolts must be removed evenly or permanent damage to the diaphragm spring will occur.

Note:
^ If the parts are to be reused, index-mark the clutch pressure plate to the flywheel.





1. For vehicles equipped with a manual transmission, remove the bolts, the clutch pressure plate and the clutch disc.





2. Install the special tool and remove the flywheel or flexplate.
3. Mount the engine on a suitable engine stand.





4. Remove the drive belt.
5. Remove the engine oil level indicator assembly.





1. Remove the engine oil level indicator.
2. Remove the bolts.
3. Remove the engine oil level indicator tube.

6. Remove the water outlet tube.





1. Remove the bolts.
2. Remove the water outlet tube.





7. Remove the A/C compressor.

Note:
^ The generator will be removed with the accessory bracket.





8. Remove the accessory bracket.





9. Remove the right motor mount.





10. Disconnect the following:
^ Disconnect the coolant hose from the thermostat.
^ Disconnect the coolant hose from the EGR valve.





11. Remove the coolant tube assembly.





12. Remove the exhaust manifold and gasket.





13. Remove the block heater (if equipped).
14. Remove the water outlet.





1. Disconnect the engine coolant temperature sender electrical connector.
2. Remove the coolant hose.
3. Remove the bolts, water outlet tube and the mounting gasket.
15. Remove the EGR valve.





1. Disconnect the electrical connector
2. Remove the bolts.
3. Remove the EGR valve





16. Remove the power steering pump.





17. Disconnect the following electrical connectors:
^ Idle Air Control (IAC) valve.
^ Throttle Position (TP) sensor.
^ Manifold Absolute Pressure (MAP) sensor.





18. Disconnect the Crankshaft Position (CKP) sensor and the wiring harness pin-type retainers





19. Disconnect the following electrical connectors.
^ Knock Sensor (KS).
^ electric thermostat.
^ swirl control valve.





20. Remove the engine wiring harness connector bracket. Position the engine wiring harness aside.





21. Disconnect the Camshaft Position (CMP) sensor electrical connector and disconnect the PCV hose from the intake manifold.
22. Disconnect the engine wiring harness retainers from the intake manifold.





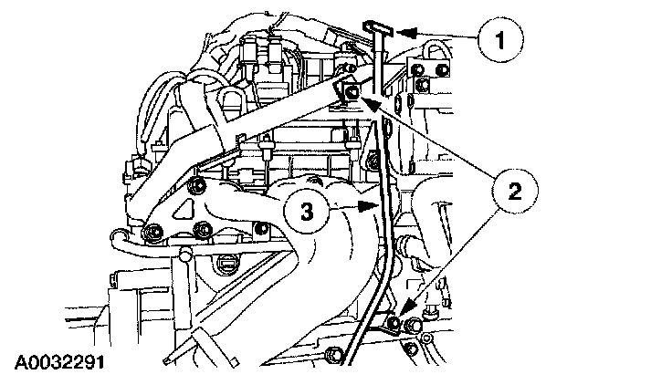
23. Disconnect the EGR tube from the intake manifold.





24. Remove the EGR tube.
^ Remove the EGR tube bracket from the intake manifold.
^ Disconnect the EGR tube from the cylinder head.
^ Remove the EGR tube.





25. Detach the fuel supply line clip from the front of the intake manifold.