Operation CHARM: Car repair manuals for everyone.
Manuals through 2025 now available!

Our trusted friends have launched a new website named LEMON, which has newer manuals. It also contains all the CHARM manuals.

LEMON is the spiritual successor to CHARM, I recommend you try it!

Link: lemon-manuals.la or lemon-manuals.org.ua

(Some people have issue connecting. LEMON is investigating. For now, use Firefox or change your DNS server)

Or, hide this message: temporarily or permanently

System Diagrams

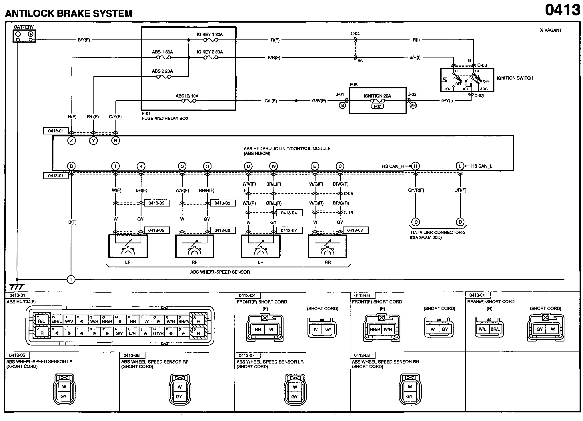
Diagram 0413:




Routing View 0413:






Diagrams: Other diagrams referred to by name within these diagrams can be found at Diagrams By Diagram Name. Diagrams By Diagram Name

Connector Views: Additional connector pinout views for the common connectors that may be referred to on these diagrams can be found via the connector number at the vehicle level connector views. Connector Views