Operation CHARM: Car repair manuals for everyone.
Manuals through 2025 now available!

Our trusted friends have launched a new website named LEMON, which has newer manuals. It also contains all the CHARM manuals.

LEMON is the spiritual successor to CHARM, I recommend you try it!

Link: lemon-manuals.la or lemon-manuals.org.ua

(Some people have issue connecting. LEMON is investigating. For now, use Firefox or change your DNS server)

Or, hide this message: temporarily or permanently

Component Tests and General Diagnostics

GENERATOR INSPECTION

CAUTION: Do not apply direct battery positive voltage to the generator terminal D, otherwise it could cause damage to the internal parts (power transistor) of the generator.

Generator warning light
1. Verify that the battery is fully charged.
2. Verify that the drive belt deflection/tension is correct.
3. With the ignition switch at ON, verify that the generator warning light illuminates.
- If it does not illuminate, inspect the generator warning light and the wiring harness.
- If the generator warning light and the wiring harness are normal, inspect the PCM.
4. Verify that the generator warning light goes off after the engine is started.
- If it does not goes out, check if any one of the following DTCs in the on-board diagnostic system are displayed: P0112, P0113, P2502, P2503, P2504. (See DTC TABLE.)

Generator

Voltage
1. Verify that the battery is fully charged.
2. Verify that the drive belt deflection/tension is correct.
3. Turn off all electrical loads.
4. Start the engine and verify that the generator rotates smoothly without any noise while the engine is running.







5. Measure the voltage at each terminal using a tester.

Current

NOTE: Since the charging current decreases rapidly after starting the engine, carry out the following procedure quickly, and read the maximum current value.

1. Verify that the battery is fully charged.
2. Verify that the drive belt deflection/tension is correct.
3. Disconnect the negative battery cable.
4. Connect a tester capable of reading 120 A or above between generator terminal B and the wiring harness.
5. Connect the negative battery cable.
6. Turn off all electrical loads.
7. Start the engine.
8. Increase engine speed to 2,500 rpm.

NOTE:
- When the electrical load of the vehicle is low, specified current will not be verified although the generator is normal. In this case, increase the electrical load (turn on the headlight and leave it for a while, then discharge the battery, etc.) and recheck.
- When the generator itself or the ambient temperature are too high, specified current will also not be verified. In this case, cool down the generator and recheck.

9. Turn the following electrical loads on and verify that the current reading increases more than the minimum value indicated below.
- If it is not as specified, go to PCM and generator shearing inspection.
- Headlights (high-beam)
- Blower motor (high)
- Rear window defroster
- Stop lamp

Minimum current value
70 % of the nominal output current (nominal output current: 90 A)
[ambient temp. 20°C {68 °F}, voltage 13.0-15.0 V, both engine and generator are cold

PCM and generator shearing inspection

Step 1 - 5:




1. Inspect as given.

Generator Inner Parts

Rotor




1. Measure the resistance between the slip rings using an ohmmeter.
- If not as specified, replace the rotor.

Resistance [20 °C {68 °F}]
1.7-2.1 ohms





2. Verify that there is no continuity between the slip ring and core using an ohmmeter.
- If the re is continuity, replace the rotor.
3. Inspect ring surface condition.
- If the ring surface is rough, use a lathe or fine sandpaper to repair it.

Stator coil




1. Inspect for continuity between the stator coil leads using an ohmmeter.
- If there is no continuity, replace the stator.




2. Verify that there is no continuity between the stator coil leads and the core using an ohmmeter.
- If there is continuity, replace the stator coil.

Brush




1. Inspect brushes for wear.
- If any brush is worn almost to or beyond the limit, replace all of the brushes.

Standard brush length
18.5 mm {0.73 in}

Minimum brush length
5.0 mm {0.2 in}

Brush spring
1. Measure the force of the brush spring using a spring pressure gauge.




2. Read the spring pressure gauge at the brush tip projection of 2 mm {0.079 in}.
- Replace the brush spring if necessary.

Standard spring force
4.8-6.0 N {0.49-0.61 kgf, 1.08-1.34 lbf}

Minimum spring force
2.16 N {0.22 kgf, 0.49 lbf}

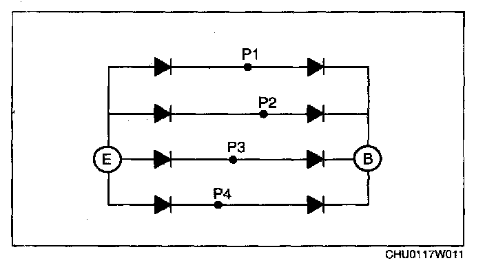
Rectifier










1. Inspect for continuity of the diodes using an ohmmeter.
- It not as specified, replace the rectifier.

Bearing




1. Inspect for abnormal noise, looseness, and sticking.
- Replace the bearing if necessary.