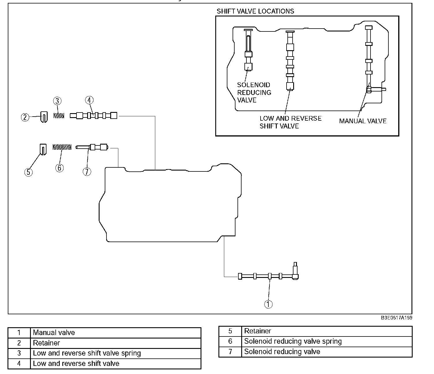
Upper Control Valve Body Disassembly/Assembly
Upper Control Valve Body Disassembly/AssemblyCaution: Denting or scratching these precisely machined components will reduce the ability of the transaxle to shift properly. When handling these components or the valve body that contains them, be careful not to drop or hit them.
Note: If a valve does not slide out under its own weight, place the valve body open-side down and tap on the valve body lightly with a plastic hammer.
1. Disassemble in the order indicated in the table.
Warning: Using compressed air can cause dirt and other particles to fly out, causing injury to the eyes. Wear protective eye wear whenever using compressed air.
2. Clean all parts and holes using compressed air and apply ATF to them immediately before assembly.
3. Assemble in the reverse order of disassembly.