Operation CHARM: Car repair manuals for everyone.
Manuals through 2025 now available!

Our trusted friends have launched a new website named LEMON, which has newer manuals. It also contains all the CHARM manuals.

LEMON is the spiritual successor to CHARM, I recommend you try it!

Link: lemon-manuals.la or lemon-manuals.org.ua

(Some people have issue connecting. LEMON is investigating. For now, use Firefox or change your DNS server)

Or, hide this message: temporarily or permanently

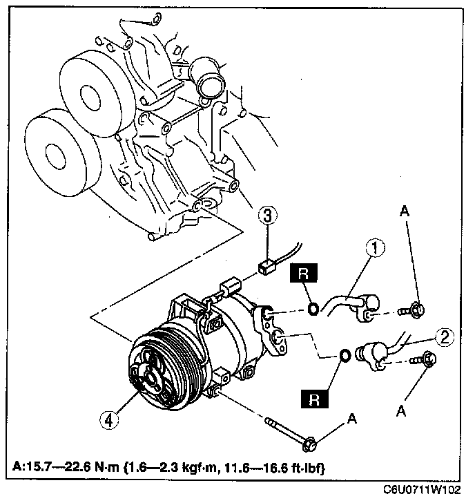
Compressor HVAC: Service and Repair

A/C COMPRESSOR REMOVAL/INSTALLATION

1. Disconnect the negative battery cable.
2. Discharge the refrigerant from the system.
3. Remove the right side splash shield and mudguard.
4. Remove the WU-TWC.(AJ-VE only).
5. Loosen the drive belt and remove it.

CAUTION: If moisture or foreign material enters the refrigeration cycle, cooling ability will be lowered and abnormal noise will occur. Always immediately plug open fittings after removing any refrigeration cycle parts to keep moisture or foreign material out of the cycle.







6. Remove in the order indicated in the table. Do not allow compressor oil to spill.
7. Install in the reverse order of removal.
8. Adjust the drive belt.
9. Perform the refrigerant system performance test.

A/C Compressor Installation Note
1. Remove the following amount of compressor oil from the new A/C compressor when replacing the A/C compressor.

Compressor oil to be removed (approximate quantity): 150 ml {150 cc, 5.07 fl oz} - [compressor oil from old A/C compressor + 15 ml {15 cc, 0.5 fl oz}]