Windows
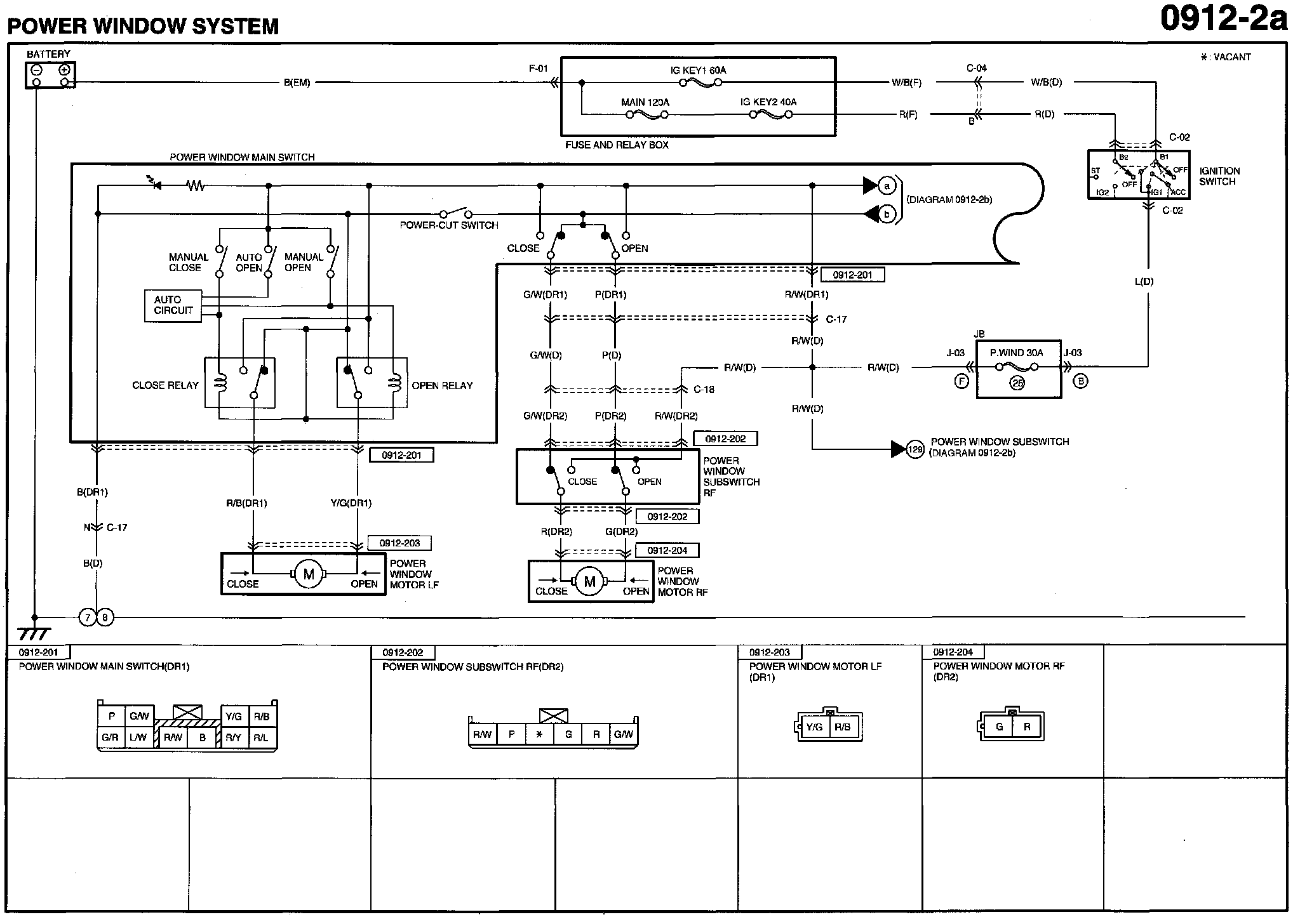
Diagram 0912-2a:
Routing View 0912-2a:
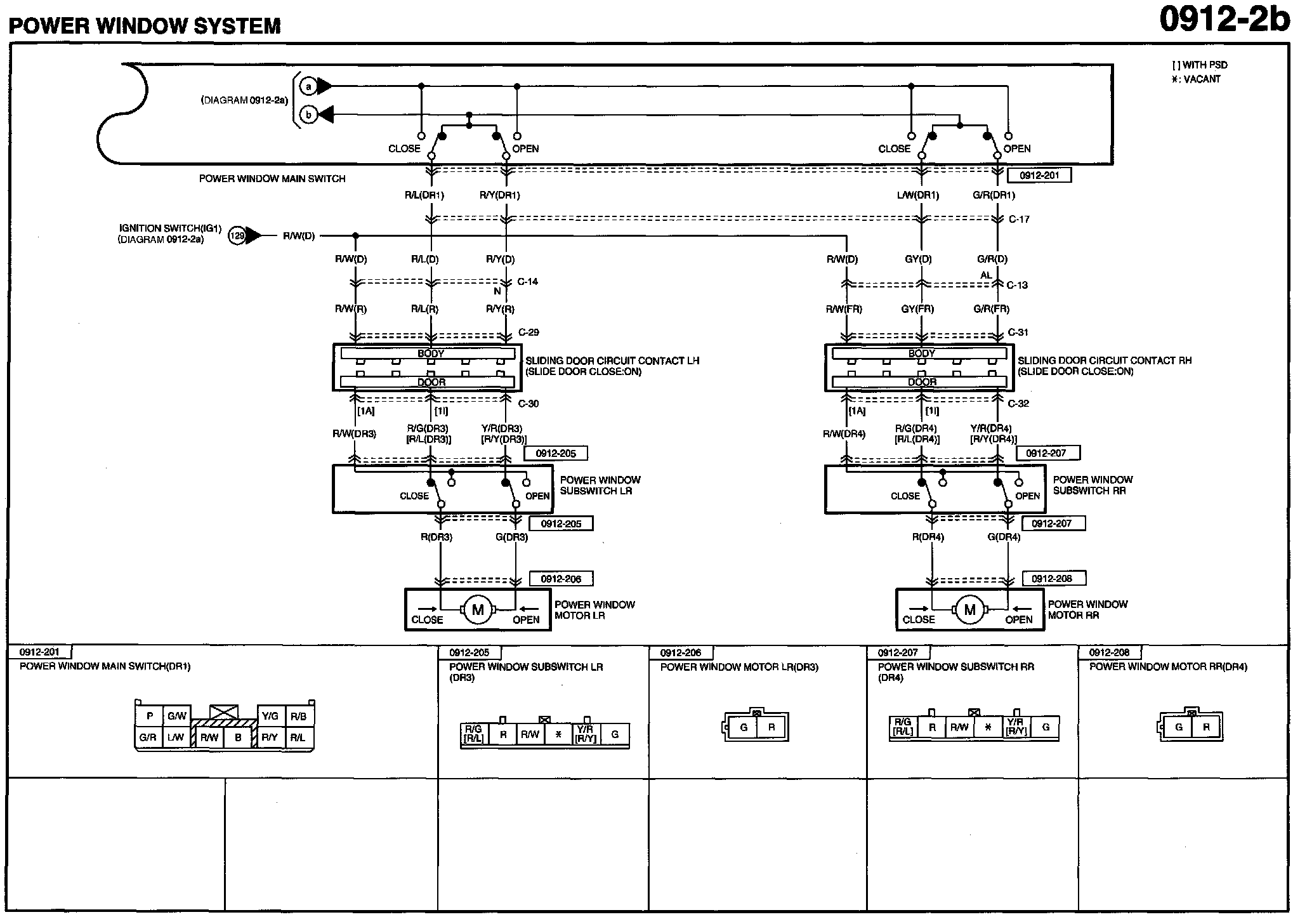
Diagram 0912-2b:
Routing View 0912-2b:
Diagrams: Other diagrams referred to by name within these diagrams can be found at Diagrams by Diagram Name. Diagrams By Diagram Name
Connector Views: Additional connector pinout views for the common connectors that may be referred to on these diagrams can be found via the connector number at the vehicle level connector views. Connector Views