Operation CHARM: Car repair manuals for everyone.
Manuals through 2025 now available!

Our trusted friends have launched a new website named LEMON, which has newer manuals. It also contains all the CHARM manuals.

LEMON is the spiritual successor to CHARM, I recommend you try it!

Link: lemon-manuals.la or lemon-manuals.org.ua

(Some people have issue connecting. LEMON is investigating. For now, use Firefox or change your DNS server)

Or, hide this message: temporarily or permanently

Combination Switch: Service and Repair

COMBINATION SWITCH REMOVAL/INSTALLATION

1. Disconnect the negative battery cable.
2. Remove the driver-side air bag module. (See DRIVER-SIDE AIR BAG MODULE REMOVAL/ INSTALLATION [STANDARD DEPLOYMENT CONTROL SYSTEM], DRIVER-SIDE AIR BAG MODULE REMOVAL/INSTALLATION [TWO-STEP DEPLOYMENT CONTROL SYSTEM].)
3. Remove the steering wheel.
4. Remove the column cover. (See COLUMN COVER REMOVAL/INSTALLATION.)
5. Remove the clock spring.







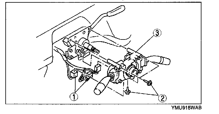
6. Remove in the order indicated in the table.
7. Install in the reverse order of removal.

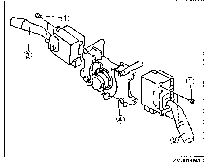
COMBINATION SWITCH DISASSEMBLY/ASSEMBLY







1. Disassemble in the order indicated in the table.
2. Assemble in the reverse order of disassembly.