Operation CHARM: Car repair manuals for everyone.
Manuals through 2025 now available!

Our trusted friends have launched a new website named LEMON, which has newer manuals. It also contains all the CHARM manuals.

LEMON is the spiritual successor to CHARM, I recommend you try it!

Link: lemon-manuals.la or lemon-manuals.org.ua

(Some people have issue connecting. LEMON is investigating. For now, use Firefox or change your DNS server)

Or, hide this message: temporarily or permanently

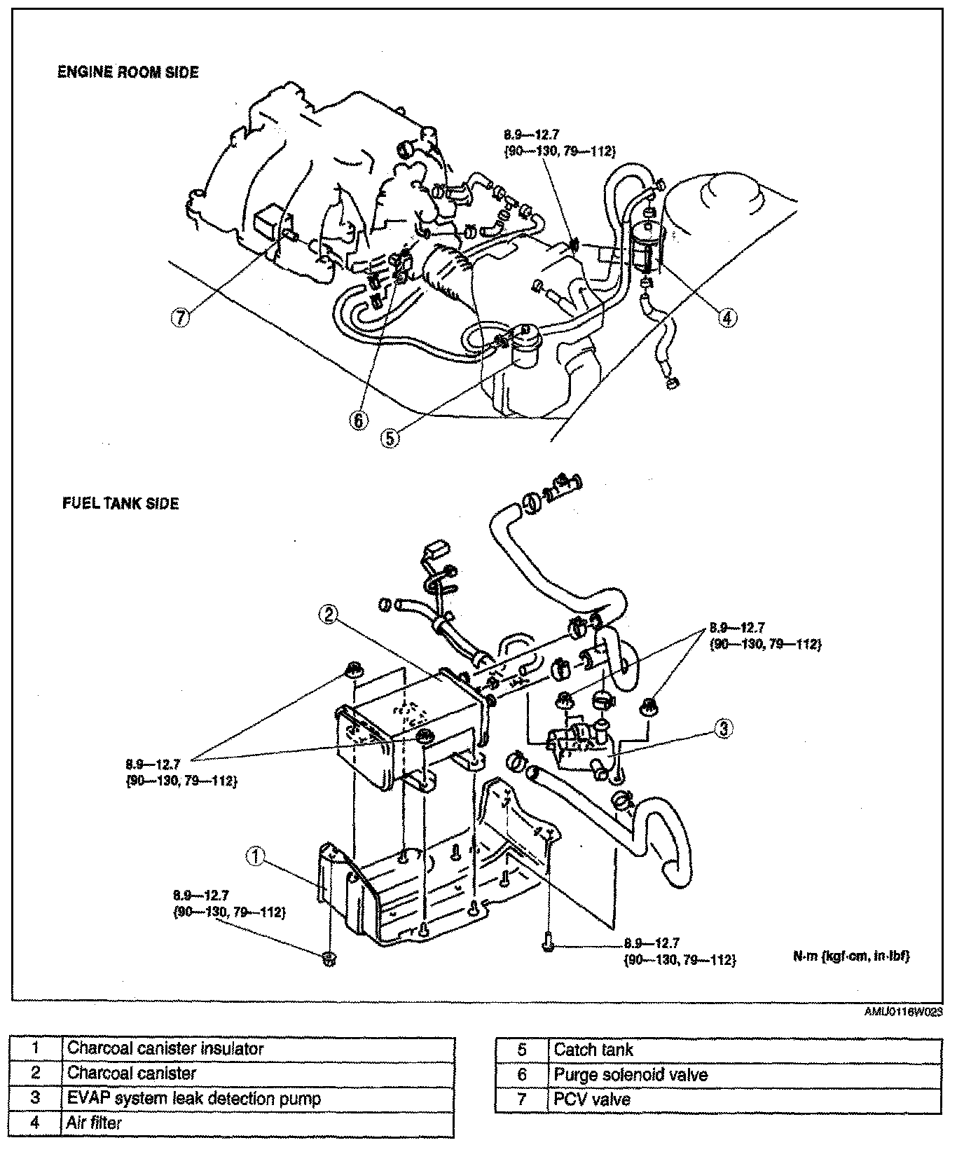
Evaporative Emissions System: Service and Repair

EVAPORATIVE EMISSION (EVAP) CONTROL SYSTEM COMPONENT REMOVAL/INSTALLATION

1. Raise the rear of the vehicle and support it with safety stands.




2. Remove in the order indicated in the table.
3. Install in the reverse order of removal.