Spark Plug: Service and Repair
IGNITION COIL-ON-PLUG AND SPARK PLUGRemoval and Installation
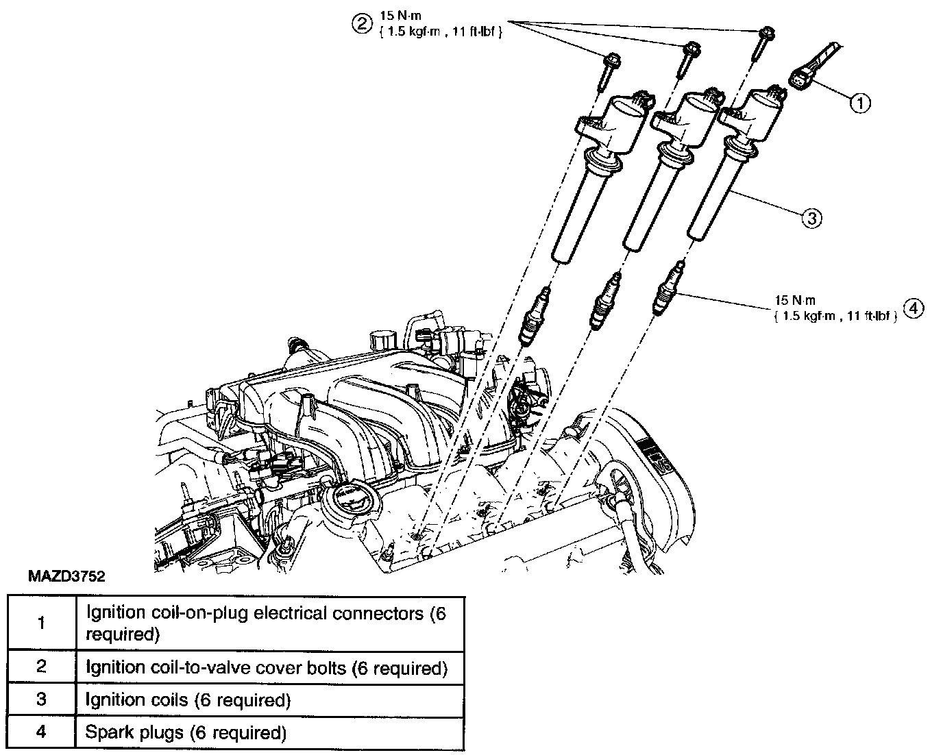
1. Disconnect the negative battery cable. See BATTERY DISCONNECT.
2. If removing the RH coil-on-plug, remove the upper intake manifold.
3. Disconnect the 6 ignition coil-on-plug electrical connectors.
4. Remove the 6 ignition coil-to-valve cover bolts.
5. Remove the 6 ignition coils.
NOTE: Use compressed air to remove any foreign material in the spark plug well before removing the spark plugs.
6. Remove the 6 spark plugs.
7. Use the table and inspect the spark plugs.
8. Adjust the spark plug gap as necessary.
9. Apply a small amount of dielectric grease to the inside of the ignition coil boots before attaching to the spark plugs.
10. To install, reverse the removal procedure.