Operation CHARM: Car repair manuals for everyone.
Manuals through 2025 now available!

Our trusted friends have launched a new website named LEMON, which has newer manuals. It also contains all the CHARM manuals.

LEMON is the spiritual successor to CHARM, I recommend you try it!

Link: lemon-manuals.la or lemon-manuals.org.ua

(Some people have issue connecting. LEMON is investigating. For now, use Firefox or change your DNS server)

Or, hide this message: temporarily or permanently

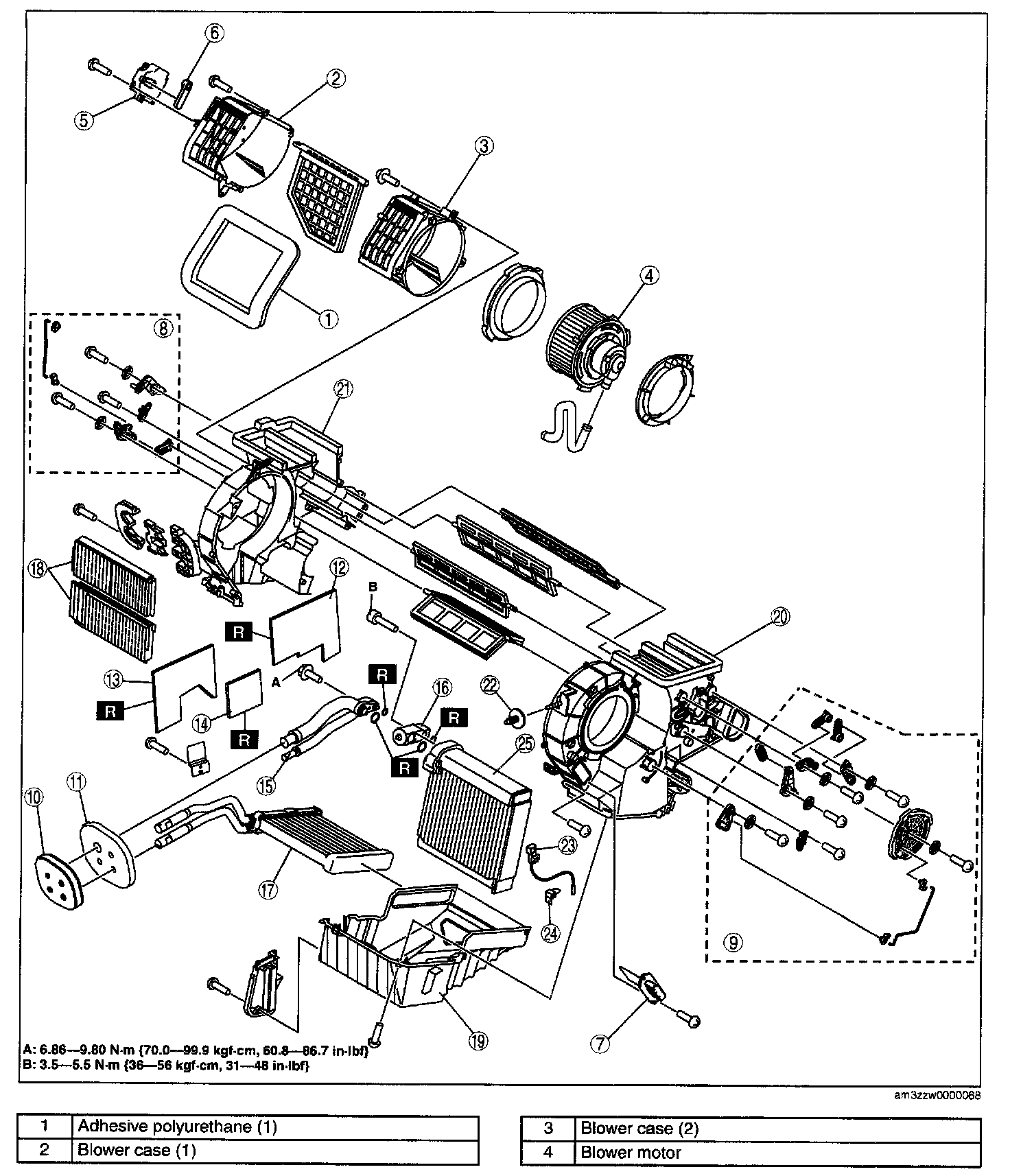
A/C Unit Disassembly/Assembly [Manual Air Conditioner]

A/C UNIT DISASSEMBLY/ASSEMBLY[MANUAL AIR CONDITIONER]







1. Disassemble in the order indicated in the table.

CAUTION: If a non-specified grease is used, it may result in abnormal noise or improper operation of the links. Apply only the specified grease to each link.

2. Assemble in the reverse order of disassembly.