Manuals through 2025 now available!
Our trusted friends have launched a new website named LEMON, which has newer manuals. It also contains all the CHARM manuals.
LEMON is the spiritual successor to CHARM, I recommend you try it!
Link:
lemon-manuals.la or
lemon-manuals.org.ua
(Some people have issue connecting. LEMON is investigating. For now, use Firefox or change your DNS server)
Or, hide this message:
temporarily or
permanently
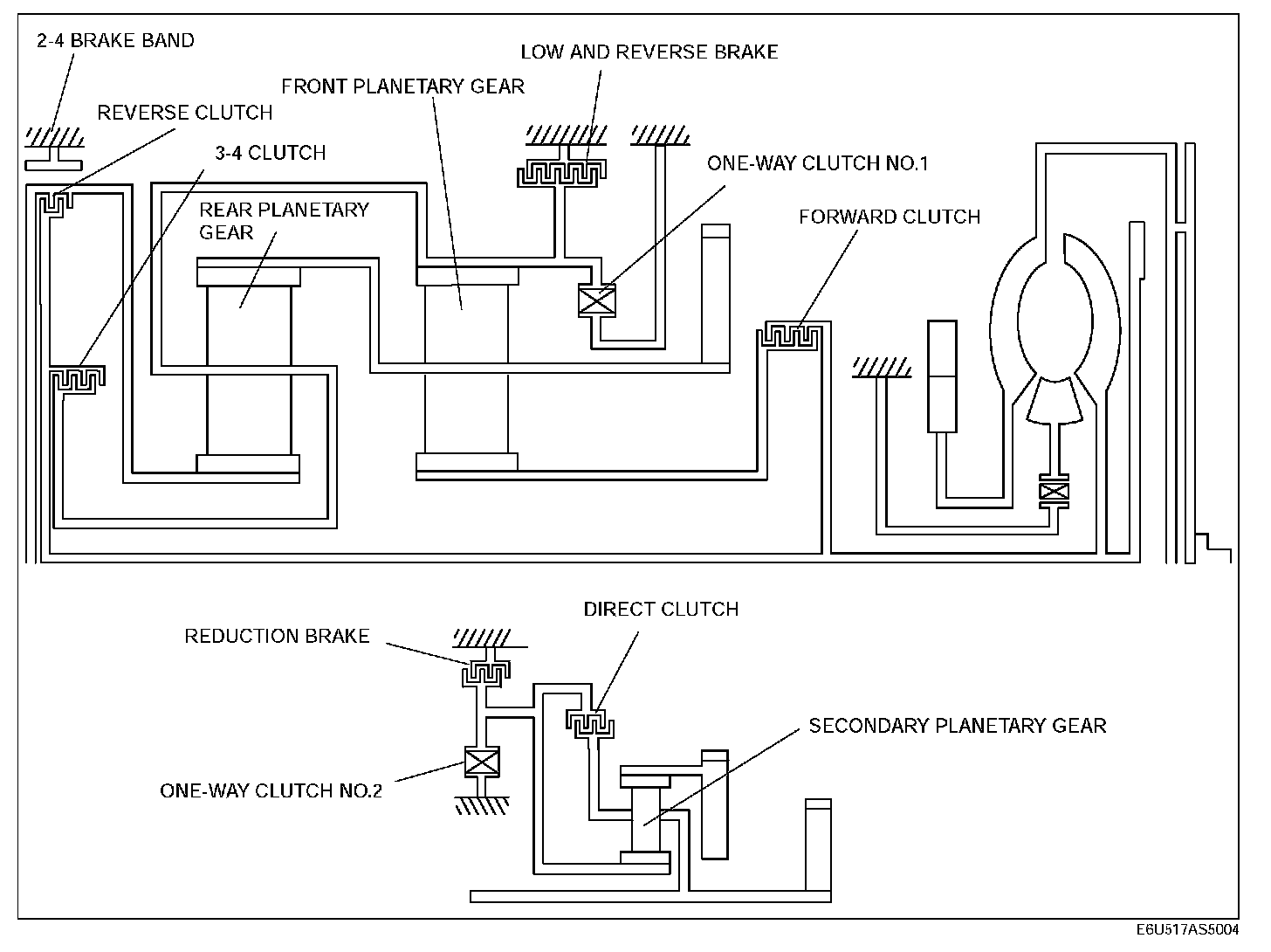
Power Flow Structure
POWER FLOW STRUCTURE ^
The powertrain mechanism of the FS5A-EL type consists of four pairs of clutches, two pairs of brakes,
band brake, two pairs of one-way clutches, and three pairs of single type planetary gears.