Operation CHARM: Car repair manuals for everyone.
Manuals through 2025 now available!

Our trusted friends have launched a new website named LEMON, which has newer manuals. It also contains all the CHARM manuals.

LEMON is the spiritual successor to CHARM, I recommend you try it!

Link: lemon-manuals.la or lemon-manuals.org.ua

(Some people have issue connecting. LEMON is investigating. For now, use Firefox or change your DNS server)

Or, hide this message: temporarily or permanently

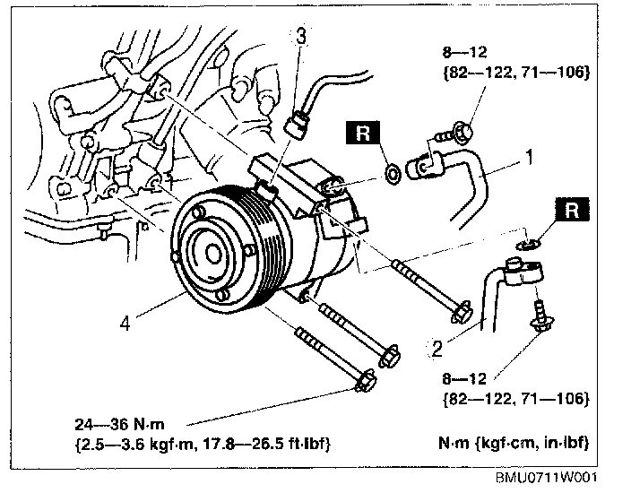
Compressor HVAC: Service and Repair

A/C COMPRESSOR REMOVAL/INSTALLATION

1. Disconnect the negative battery cable.
2. Discharge the refrigerant.
3. Remove the splash shield (RH).
4. Loosen the drive belt and remove it.

CAUTION:
- If moisture or foreign material enters the refrigeration cycle, cooling ability will be lowered and abnormal noise will occur. Always immediately plug open fittings after removing any refrigeration cycle parts to keep moisture or foreign material out of the cycle.
- Do not allow A/C compressor oil to spill. Operating the A/C compressor without sufficient A/C compressor oil can lead to abnormal noise and cause the A/C compressor to seize.







5. Remove in the order indicated in the table.
6. Install in the reverse order of removal.
7. Adjust the drive belt. (See DRIVE BELT INSPECTION.)
8. Perform the refrigerant system performance test.

A/C Compressor Installation Note:

1. Remove the following amount of compressor oil from the new A/C compressor when replacing the A/C compressor.

Compressor oil to be removed (approx. quantity)
160 ml {160 cc, 5.40 fl oz} - compressor oil from old A/C compressor