Operation CHARM: Car repair manuals for everyone.
Manuals through 2025 now available!

Our trusted friends have launched a new website named LEMON, which has newer manuals. It also contains all the CHARM manuals.

LEMON is the spiritual successor to CHARM, I recommend you try it!

Link: lemon-manuals.la or lemon-manuals.org.ua

(Some people have issue connecting. LEMON is investigating. For now, use Firefox or change your DNS server)

Or, hide this message: temporarily or permanently

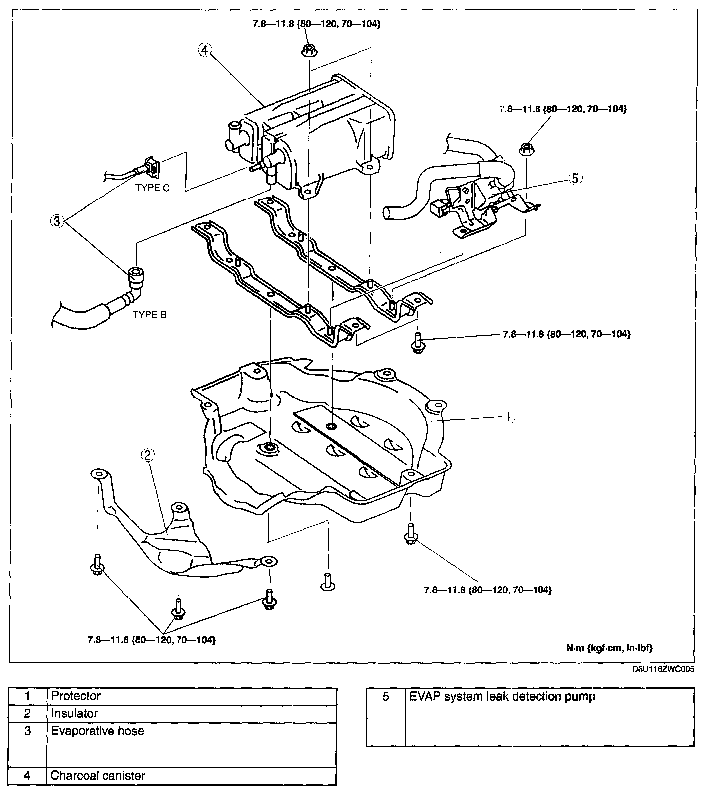
Evaporative Emissions System: Service and Repair

EVAPORATIVE EMISSION (EVAP) CONTROL SYSTEM REMOVAL/INSTALLATION

Engine Compartment Side




1. Remove in the order indicated in the table.
2. Install in the reverse order of removal.

Positive Crankcase Ventilation (PCV) Valve Removal Note

1. Remove the intake manifold.
2. Remove the PCV valve.

Purge Solenoid Valve Installation Note




1. Install the purge solenoid valve.




2. Fit the vacuum hose (purge solenoid valve) onto the respective fittings, and install clamps as shown.

Fuel Tank Side

1. Raise the rear of the vehicle and support it with safety stands.




2. Remove in the order indicated in the table.
3. Install in the reverse order of removal.