Operation CHARM: Car repair manuals for everyone.
Manuals through 2025 now available!

Our trusted friends have launched a new website named LEMON, which has newer manuals. It also contains all the CHARM manuals.

LEMON is the spiritual successor to CHARM, I recommend you try it!

Link: lemon-manuals.la or lemon-manuals.org.ua

(Some people have issue connecting. LEMON is investigating. For now, use Firefox or change your DNS server)

Or, hide this message: temporarily or permanently

Transmission Position Sensor/Switch: Service and Repair

TRANSAXLE RANGE (TR) SENSOR

Removal
1. With the vehicle in NEUTRAL, position it on a hoist.
2. Remove the battery and tray.





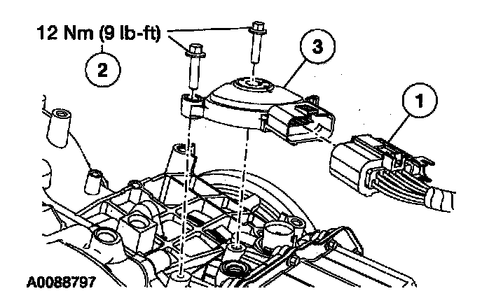
3. Remove the transaxle range (TR) sensor.
1. Disconnect the TR sensor electrical connector.
2. Remove the bolts.
3. Remove the TR sensor.

Installation

Note: Make sure the transaxle is in the NEUTRAL position.





1. Install the transaxle range (TR) sensor and loosely install the bolts.





2. Using the special tool, align the TR sensor and tighten the bolts. Connect the electrical connector.

Note: Before installing the battery tray check the vent tube hose for any obstructions, kinks, or incorrect routing position.

3. Install the battery and tray.
4. Check the correct operation with parking brake control engaged. The engine should start only in PARK or NEUTRAL. Backup lamps should be active only in the REVERSE position.