Operation CHARM: Car repair manuals for everyone.
Manuals through 2025 now available!

Our trusted friends have launched a new website named LEMON, which has newer manuals. It also contains all the CHARM manuals.

LEMON is the spiritual successor to CHARM, I recommend you try it!

Link: lemon-manuals.la or lemon-manuals.org.ua

(Some people have issue connecting. LEMON is investigating. For now, use Firefox or change your DNS server)

Or, hide this message: temporarily or permanently

Part 1

ENGINE CONTROL SYSTEM OPERATION INSPECTION[LF, L3]

Input Signal System Inspection Procedure
1. Find an irregular signal. (See Finding irregular signals.)
2. Locate source. (See Locating the source of unusual signals.)
3. Repair or replace the malfunctioning part.
4. Confirm that the irregular signal is no longer detected.

Finding irregular signals
While referring to ON-BOARD DIAGNOSTIC TEST[LF, L3], use the PID/DATA monitor and record function to inspect the input signal system relating to the problem.
1. Start the engine and idle the vehicle. You can assume that any signals that are out of specification by a wide margin are irregular.
2. When recreating the problem, any sudden change in monitor input signals that is not intentionally created by the driver can be determined as irregular.

Locating the source of unusual signals

CAUTION
- Compare the M-MDS monitor voltage with the measurement voltage using the digital measurement system function. If you use another tester, misreading may occur.
- When measuring voltage, attach the tester GND to the GND of the PCM that is being tested, or to the engine itself. If this is not performed, the measured voltage and actual voltage may differ.
- After connecting the pin to a waterproof coupler, confirming continuity and measuring the voltage, inspect the waterproof connector for cracks. If there are any, use sealant to fix them. Failure to do this may result in deterioration of the wiring harness or terminal from water damage, leading to problems with the vehicle.





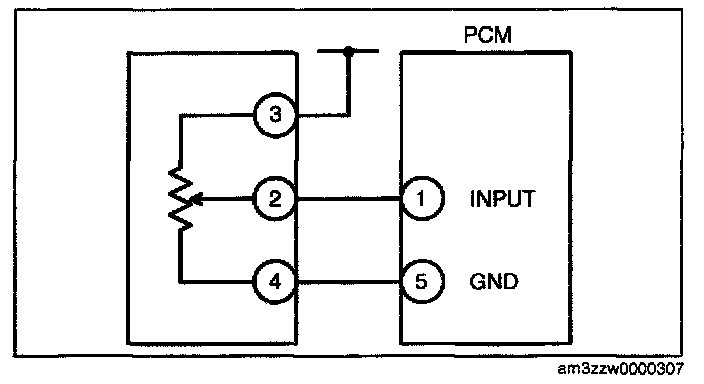
Variable resistance type 1 (TP sensor and EGR boost sensor)

Input signal system inspection for variable resistance type 1
1. When an irregular signal is detected, measure the #1 PCM terminal voltage.
- If the #1 terminal voltage and the M-MDS monitor voltage are the same, proceed to the next step.
- If there is a difference of 0.5 V or more, inspect for the following points concerning the PCM connector:
- Female terminal opening is loose.
- Coupler (pin holder) damage- Pin discoloration (blackness)
- Harness/pin crimp is loose or disconnected.

2. Measure the #2 sensor terminal voltage.
- If there is a 0.5 V or more difference between the sensor and the M-MDS voltages, inspect the wiring harness for open or short circuits.
- If the sensor and the M-MDS voltages are the same, inspect for the following points concerning the sensor connector:
- Female terminal opening is loose.
- Coupler (pin holder) damage
- Pin discoloration (blackness)

- If there are no problems, proceed to next investigation below.

Standard power supply system inspection for variable resistance type 1
- Confirm that the #3 terminal is at 5 V.
- If the measured voltage on the #3 terminal is 5 V, inspect the following points on the sensor connector.
- If there is no problem, inspect for the following:
- Female terminal opening is loose.
- Coupler (pin holder) damage
- Pin discoloration (blackness)

- If the #3 terminal measures other than 5 V, inspect for the following:
- Open or short circuit in wiring harness
- Harness/pin crimp is loose or disconnected.

GND system inspection for variable resistance type 1
- Confirm that terminal sensor #5 is at 0 V.
- If it is at 0 V, inspect the sensor.
- If necessary, replace the sensor.

- If not, inspect for the following:
- Open or short circuit in wiring harness
- Female terminal opening is loose causing an open or short circuit in wiring harness
- Coupler (pin holder) damage
- Pin discoloration (blackness)
- Harness/pin crimp is loose or disconnected.




Variable resistance type 2 (mass air flow (MAF) sensor and VSS)

GND system inspection for variable resistance type 2
- Confirm that terminal sensor #4 is at 0 V.
- If it is at 0 V, inspect the sensor.
- If necessary, replace the sensor.

- If not at 0.V, inspect for the following:
- Open or circuit in wiring harness
- Female terminal opening is loose.
- Coupler (pin holder) damage
- Pin discoloration (blackness)
- Harness/pin crimp is loose or disconnected.

Input signal system inspection for variable resistance type 2
1. When an irregular signal is detected, measure the #1 PCM terminal voltage.
- If the #1 terminal voltage and the M-MDS monitor voltage are the same, proceed to the next step.
- If there is a difference of 0.5 V or more, inspect for the following points concerning the PCM connector:
- Female terminal opening is loose.
- Coupler (pin holder) damage
- Pin discoloration (blackness)
- Harness/pin crimp is loose or disconnected.

2. Measure the #2 sensor terminal voltage.
- If there is a 0.5 V or more difference between the sensor and the M-MDS voltages, inspect the wiring harness for open or short circuits.
- If the sensor and the M-MDS voltages are the same, inspect the following points concerning the sensor connector:
- Female terminal opening is loose.
- Coupler (pin holder) damage
- Pin discoloration (blackness)
- Harness/pin crimp is loose or disconnected.

- If there are no problems, proceed to next investigation below.

Electrical supply system inspection for variable resistance type 2
- Confirm that the sensor #3 terminal is B+.
- If the measured voltage on the #3 terminal is B+, inspect the following points on the sensor connector.
- If there is no problem, inspect for the following:
- Female terminal opening is loose.
- Coupler (pin holder) damage
- Pin discoloration (blackness)

- If the #3 terminal measures other than B+, inspect the following:
- Open or short circuit in wiring harness
- Harness/pin crimp is loose or disconnected.




Thermistor type (IAT sensor and ECT sensor)

Input signal system inspection for thermistor type
1. When an irregular signal is detected, measure the #1 PCM terminal voltage.
- If the #1 terminal voltage and the M-MDS monitor voltage are the same, proceed to the next step.
- If there is a difference of 0.5 V or more, inspect the following points concerning the PCM connector:
- Female terminal opening loose
- Coupler (pin holder) damage
- Pin discoloration (blackness)
- Harness/pin crimp is loose or disconnected.

2. Measure the #2 sensor terminal voltage.
- If there is a 0.5 V or more difference between the sensor and the M-MDS voltages, inspect the wiring harness for open or short circuits.
- If the sensor and the M-MDS voltages are the same, inspect the following points concerning the sensor connector:
- Female terminal opening is loose.
- Coupler (pin holder) damage
- Pin discoloration (blackness)
- Harness/pin crimp is loose or disconnected.

- If there are no problems, proceed to next investigation below.

GND system inspection for thermistor type
- Confirm that terminal sensor #3 is at 0 V.
- If it is at 0 V, inspect the sensor. If necessary, replace the sensor.
- If not, inspect for the following:
- Open circuit in wiring harness
- Female terminal opening is loose.
- Coupler (pin holder) damage
- Pin discoloration (blackness)
- Harness/pin crimp is loose or disconnected.

Main Relay Operation Inspection
1. Verify that the main relay clicks when the ignition switch is turned to ON position and off.
- If there is no operation sound, inspect the following:
- Main relay (See RELAY INSPECTION.)
- Harness and connector between ignition switch and main relay terminal A.
- Harness and connector between PCM terminal 1 AT and main relay terminal B.

Intake Manifold Vacuum Inspection
1. Verify air intake hoses are installed properly.
2. Start the engine and run it at idle.
3. Disconnect the vacuum hose between the intake manifold and purge solenoid valve from the intake manifold side.
4. Connect a vacuum gauge to the intake manifold and measure the intake manifold vacuum.
- If not as specified, inspect the following:

Specification (LF)
ATX: More than 55 kPa {413 mmHg, 16 inHg}
MTX: More than 57 kPa {428 mmHg, 17 inHg}

Specification (L3)
ATX: More than 57 kPa {428 mmHg, 17 inHg}
MTX: More than 60 kPa {451 mmHg, 18 inHg}


NOTE:
- Air suction can be located by engine speed change when lubricant is sprayed on the area where suction is occurring.
- Air suction at throttle body, intake manifold and PCV valve installation points
- EGR valve (stuck open)
- Fuel injector insulator
- Engine compression
(See COMPRESSION INSPECTION[LF, L3].)

Electronic Throttle Control System
Inspection Engine coolant temperature compensation inspection
1. Connect the M-MDS to the DLC-2.
2. Access the following PIDs:
- ECT
- IAT
- RPM

3. Verify that the engine is cold, then start the engine.
4. Verify that the engine speed decreases as the engine warms up.
- If the engine speed does not decrease or decreases slowly, inspect the following:
- ECT sensor and related wiring harness
(See ENGINE COOLANT TEMPERATURE (ECT) SENSOR INSPECTION[LR L3].)
- Electronic throttle body and related wiring harness
(See THROTTLE BODY INSPECTION[LF,L3].)

Load compensation inspection
1. Start the engine and idle it.
2. Connect the M-MDS to the DLC-2.
3. Verify that P0506, P0507, or P0511 is not displayed.
- If P0506, P0507 or P0511 are displayed, perform DTC inspection.
(See DTC TABLE[LF, L3].) Diagnostic Trouble Code Descriptions

4. Access the RPM PID.

NOTE: Excludes temporary idle speed drop just after the loads are turned on.




5. Verify that the engine speed is within the specification under each load condition.
- If load condition is not as specified, inspect the following:
- A/C switch and related wiring harness
(See CLIMATE CONTROL UNIT INSPECTION[FULL-AUTO AIR CONDITIONER]),
- Fan switch and related wiring harness
(See CLIMATE CONTROL UNIT INSPECTION[FULL-AUTO AIR CONDITIONER],CLIMATE CONTROL UNIT INSPECTION[MANUAL AIR CONDITIONER].)

Throttle position (TP) sweep inspection
1. Connect the M-MDS to the DLC-2.
2. Turn the ignition switch to the ON position.
3. Verify that none of the following DTC are displayed:
- P0122, P0123, P0222, P0223, P0638, P2100*2, P2101, P2102*2, P2103*2, P2106*1, P2107, P2108, P2109*1, P2112*1, P2119, P2122, P2123, P2127, P2128, P2135, P2138
1. California emission regulation applicable model
2. Except for California emission applicable model
- If any one DTC is displayed, perform DTC inspection.

4. Access TP_REL PID.
5. Verify that the PID reading is within the CTP value. (See PCM INSPECTION[LF, L3].) PCM Inspection
- If the PID reading is out of range, perform the following:
- Remove the air duct from the throttle valve body.
- Verify that the throttle valve opens when the accelerator pedal is depressed.
- If the throttle valve opens, inspect the throttle position sensor and related wiring harness.
- If the throttle valve does not open, inspect the throttle actuator control motor and related wiring harness.

6. Gradually depress the throttle pedal and verify that the PID reading increases accordingly.
- If the PID reading drops momentarily, inspect the following:
- Throttle position sensor

7. Fully depress the throttle pedal and verify that the PID reading is within WOT value. (See PCM INSPECTION[LF, L3].) PCM Inspection
- If the PID reading is out of range, perform the followings:
- Remove the air duct from throttle valve body.
- Verify that the throttle valve opens when throttle pedal is depressed.
- If the throttle valve opens, inspect the throttle position sensor and related wiring harness.
- If the throttle valve does not open, inspect the throttle actuator control motor and related wiring harness.

Variable Intake-air Control Operation Inspection
1. Start the engine.







2. Inspect the rod operation under the following condition: Rod operation (LF)
- If the rod operation is not as specified, inspect as follows:
1. Stop the engine.
2. Connect the M-MDS to the DLC-2.

3. Verify that DTC P0661 or P0662 is not displayed.
- If DTC P0661 or P0662 is shown, perform DTC inspection.
(See DTC TABLE[LF, L3].) Diagnostic Trouble Code Descriptions

4. Inspect the variable intake-air solenoid valve.
(See VARIABLE INTAKE AIR SOLENOID VALVE INSPECTION[LF, L3].) Variable Intake Air Solenoid Valve Inspection
- If the variable intake-air solenoid valve is not normal, replace the variable intake-air solenoid valve.
- If the variable intake-air solenoid valve is normal, inspect the following:
- Vacuum hose and vacuum chamber for looseness or damage
- Shutter valve actuator
(See VARIABLE INTAKE AIR SHUTTER VALVE ACTUATOR INSPECTION[LF, L3].) Variable Tumble Shutter Valve Actuator Inspection
- Shutter valve stuck open or closed

Variable Tumble Control Operation Inspection
1. Connect the M-MDS to the DLC-2.
2. Access ECT PID.
3. Verify that ECT PID is below 61.9 °C {143.4 °F} (LF), below 63 °C {145 °F} (L3).
4. Start the engine.




5. Inspect rod operation under the following conditions:
- If the rod operation is not specified, inspect as follows:
1. Verify that DTC No. P2004, P2006, P2009 or P2010 is not displayed.
- If DTC No. P2004, P2006, P2009 or P2010 are shown, perform DTC inspection. (See DTC TABLE[LF, L3].) Diagnostic Trouble Code Descriptions

Step 1-4:




2. Inspect the variable tumble solenoid valve.
(See VARIABLE TUMBLE SOLENOID VALVE INSPECTION[LF, L3].) Variable Tumble Solenoid Valve Inspection
- If the variable tumble solenoid valve is not normal, replace the variable tumble solenoid valve.
- If the variable tumble solenoid valve is normal, inspect the following:
- Vacuum hose and vacuum chamber for looseness or damage
- Shutter valve actuator
(See VARIABLE TUMBLE SHUTTER VALVE ACTUATOR INSPECTION[LF, L3].) Variable Tumble Shutter Valve Actuator Inspection
- Shutter valve stuck open or closed

Fuel Cut Control System Inspection
1. Warm up engine and idle it.
2. Turn off the electrical loads and A/C switch.
3. Connect the M-MDS to the DLC-2.
4. Access RPM PID.
5. Listen for the fuel injector operation sound at all cylinders using the sound scope and monitor both PIDs while performing the following steps:
1. Depress the accelerator pedal and increase the engine speed to 4,000 rpm.
2. Quickly release the accelerator pedal (brake pedal is not depressed) and verify that the fuel injector operation sound stops, and starts again when the engine speed drops below 2,200 rpm.
- If not as specified, inspect the following:
- ECT sensor and related wiring harness
(See ENGINE COOLANT TEMPERATURE (ECT) SENSOR INSPECTION[LF, L3].)
- Neutral/clutch pedal position switch and related wiring harness (MTX)
(See CLUTCH PEDAL POSITION (CPP) SWITCH INSPECTION[LR L3].)
- TR switch and related wiring harness (ATX)
(See TRANSAXLE RANGE (TR) SWITCH INSPECTION[FN4A-EL],TRANSAXLE RANGE (TR) SWITCH INSPECTION[FS5A-EL].)

Fuel Pump Operation Inspection
1. Remove the fuel-filler cap.
2. Turn the ignition switch to the ON position.
3. Turn the fuel pump relay from off to on using the FP PID and inspect if the operation sound is heard.
- If no operation sounds is heard, proceed to next step.

4. Measure voltage at wiring harness side fuel pump connector terminal C (California emission regulation applicable model), A (except for California emission regulation applicable model).

Specification
B+ (Ignition switch at on)

- If the voltage is as specified, inspect the following:
- Fuel pump continuity
- Fuel pump GND
- Wiring harness between fuel pump relay and PCM terminal 1AR (with immobilizer system), 1AQ (without immobilizer system)

- If not as specified, inspect the following:
- Fuel pump relay
- Wiring harness connector (Main relay - fuel pump relay - fuel pump.)

Fuel Pump Control System Inspection
1. Crank the engine and verify that fuel pump relay operation sound is heard.
2. If operation sound is not heard, inspect the following:
- Fuel pump relay
(See RELAY INSPECTION.)
- Wiring harness and connectors (Main relay - fuel pump relay - PCM terminal 1 AR (with immobilizer system), 1AQ (without immobilizer system)

Spark Test
1. Disconnect the fuel pump relay.
2. Verify that each ignition coil and connector is connected properly.

Step 1:




Step 2-Step 7:




3. Inspect the ignition system in the following procedure.

WARNING - High voltage in the ignition system can cause strong electrical shock which can result in serious injury. Avoid direct contact to the vehicle body during the following spark test.