Operation CHARM: Car repair manuals for everyone.
Manuals through 2025 now available!

Our trusted friends have launched a new website named LEMON, which has newer manuals. It also contains all the CHARM manuals.

LEMON is the spiritual successor to CHARM, I recommend you try it!

Link: lemon-manuals.la or lemon-manuals.org.ua

(Some people have issue connecting. LEMON is investigating. For now, use Firefox or change your DNS server)

Or, hide this message: temporarily or permanently

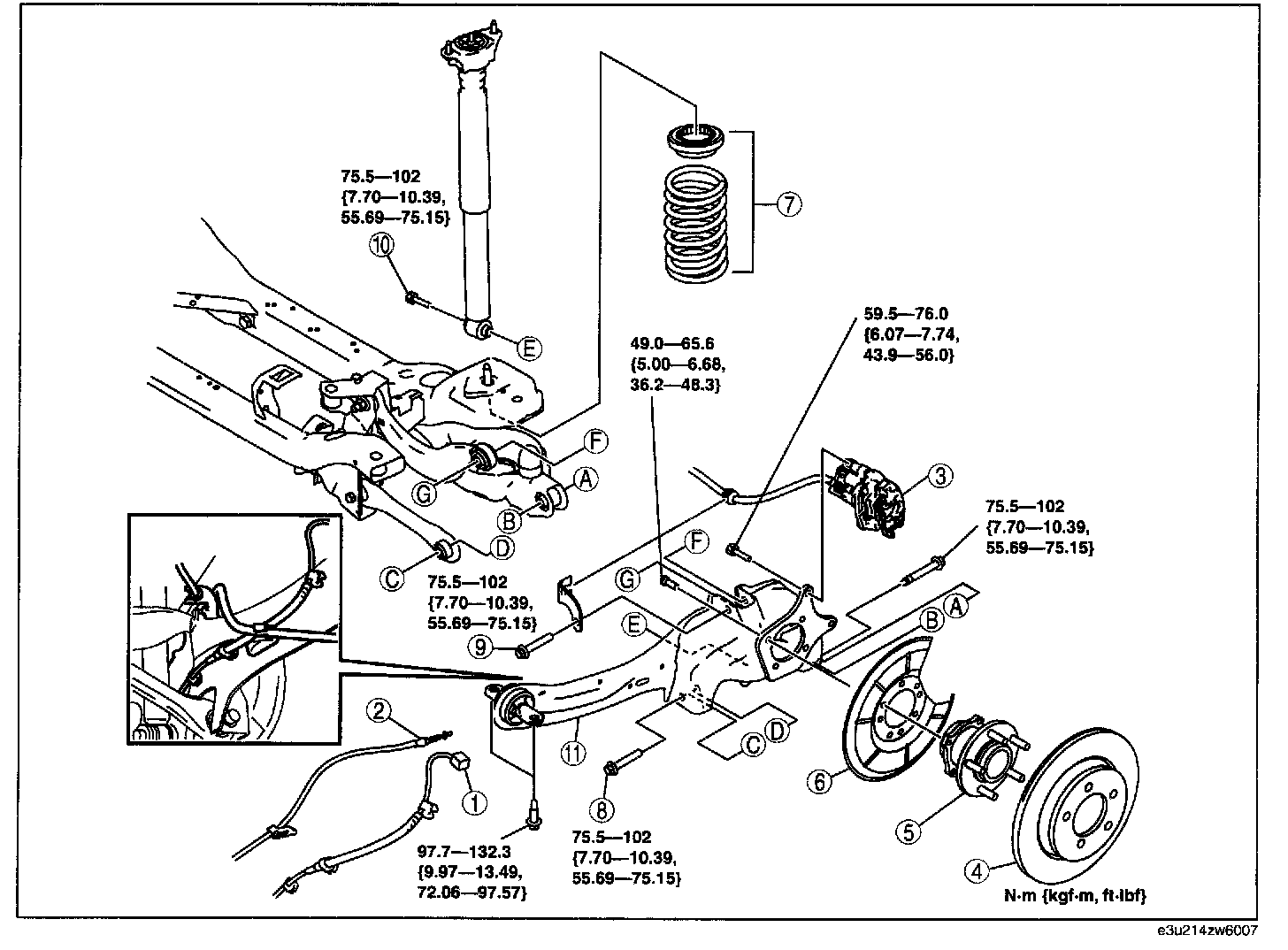
Trailing Arm: Service and Repair

REAR TRAILING LINK REMOVAL/INSTALLATION

Caution: Performing the following procedures without first removing the ABS wheel-speed sensor may possibly cause an open circuit in the wiring harness if it is pulled by mistake. Before performing the following procedures, disconnect the ABS wheel-speed sensor wiring harness connector (axle side) and fix the wiring harness to an appropriate place where it will not be pulled by mistake while servicing the vehicle.

1. Remove in the order indicated in the table.
2. Install in the reverse order of removal.
3. Inspect the wheel alignment and adjust it if necessary.








Brake Caliper Component Removal Note
1. Hang the caliper component using a cable and move aside.

Rear Lateral Link Outer Bolt Removal Note





1. Support the trailing link using a jack.

Caution: Verify that the trailing link is securely supported by a jack. If the trailing link falls off, it can cause serious injury or death, and damage to the vehicle.

2. Remove the rear lateral link outer bolt.

Rear Trailing Link Installation Note





1. Support the trailing link using a jack.
2. Tighten the trailing link front side bolts.