Operation CHARM
: Car repair manuals for everyone.
Home
>>
Mazda
>>
2007
>>
3 L4-2.0L
>>
Repair and Diagnosis
>>
Transmission and Drivetrain
>>
Automatic Transmission/Transaxle
>>
Diagrams
>>
Electrical Diagrams
>>
System Schematic
Manuals through 2025 now available!
Our trusted friends have launched a new website named LEMON, which has newer manuals. It also contains all the CHARM manuals.
LEMON is the spiritual successor to CHARM, I recommend you try it!
Link:
lemon-manuals.la
or
lemon-manuals.org.ua
(Some people have issue connecting. LEMON is investigating. For now, use Firefox or change your DNS server)
Or, hide this message:
temporarily
or
permanently
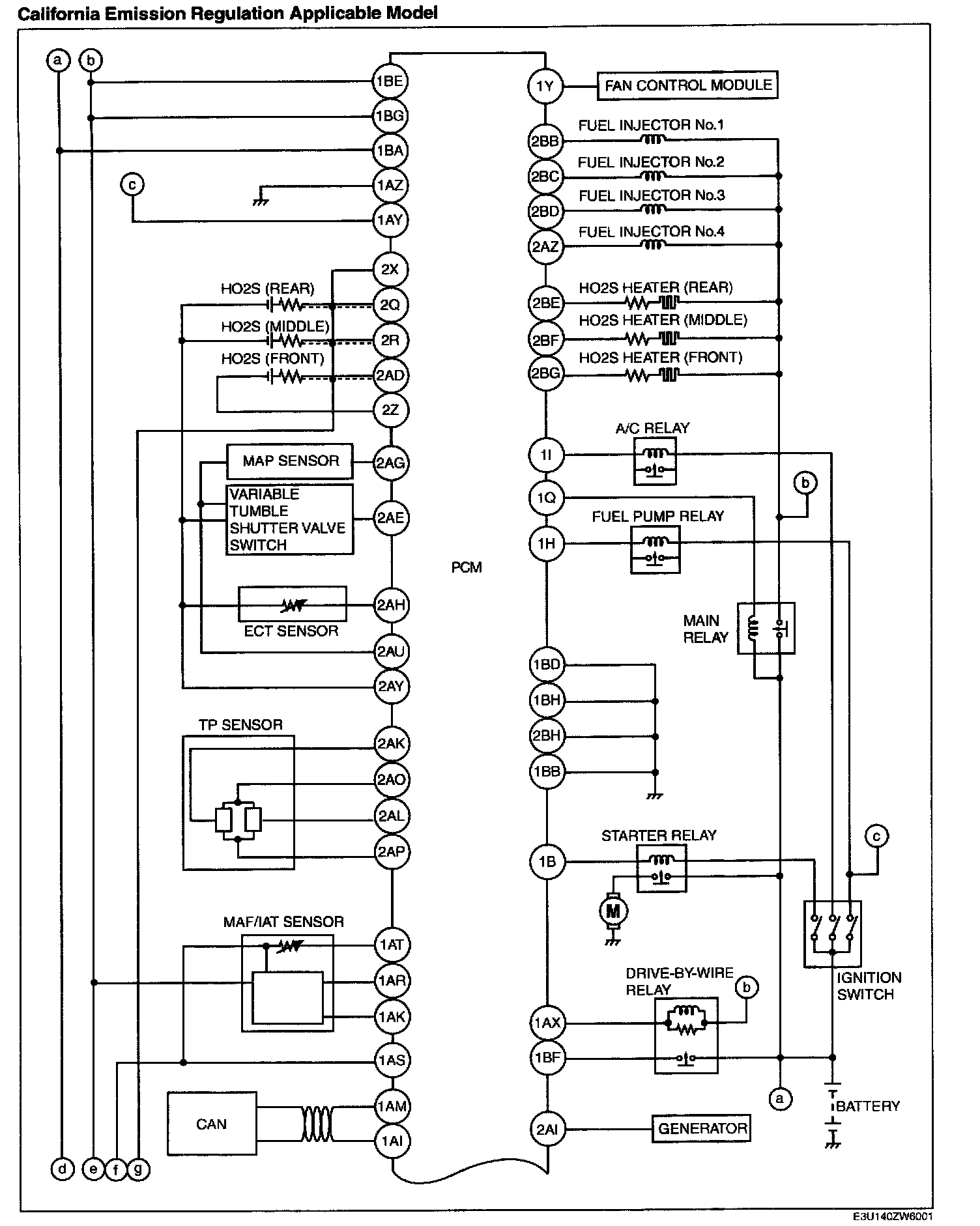
System Schematic
AUTOMATIC TRANSAXLE CONTROL SYSTEM WIRING DIAGRAM [FN4A-EL]
California Emission Regulation Applicable Model
Diagram 05-02A-2:
Diagram 05-02A-3:
Except for California Emission Regulation Applicable Model
Diagram 05-02A-4:
Diagram 05-02A-5: