Operation CHARM: Car repair manuals for everyone.
Manuals through 2025 now available!

Our trusted friends have launched a new website named LEMON, which has newer manuals. It also contains all the CHARM manuals.

LEMON is the spiritual successor to CHARM, I recommend you try it!

Link: lemon-manuals.la or lemon-manuals.org.ua

(Some people have issue connecting. LEMON is investigating. For now, use Firefox or change your DNS server)

Or, hide this message: temporarily or permanently

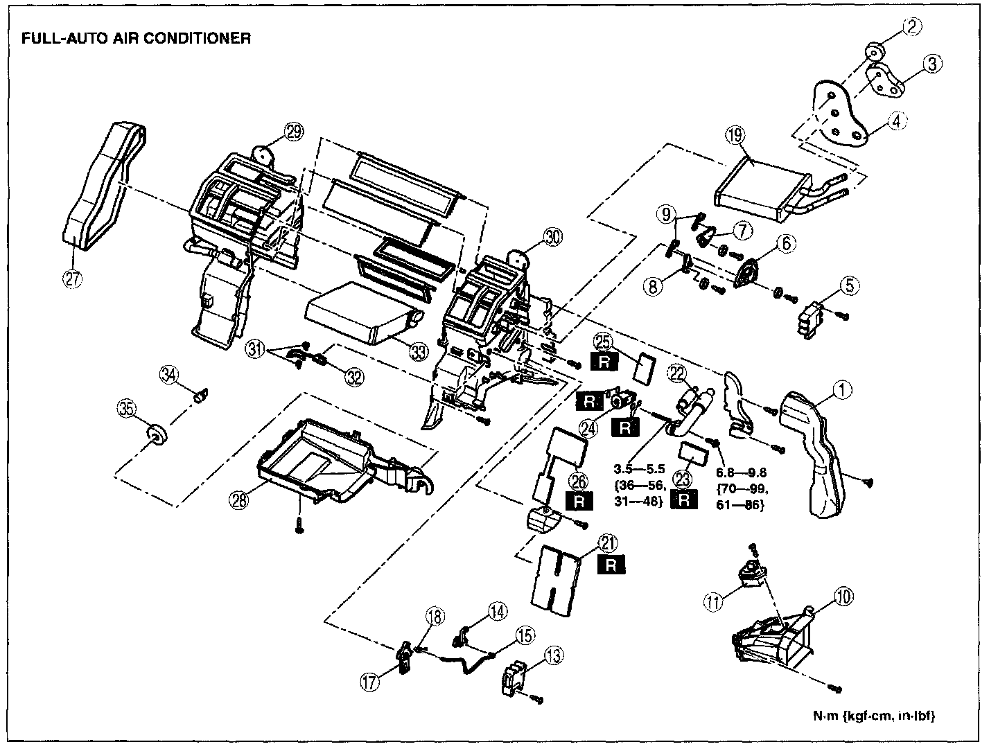
Overhaul

A/C UNIT DISASSEMBLY/ASSEMBLY







1. Disassemble in the order indicated in the table.
2. Assemble in the reverse order of disassembly.

Sensor Clamp Assembly Note




1. Attach the sensor clamp as shown in the figure.

Evaporator Temperature Sensor Assembly Note




1. Assemble the evaporator temperature sensor as shown in the figure.

Adhesive polyurethane (2) Assembly Note




1. Attach the adhesive polyurethane (2) as shown in the figure.




2. After assembling the evaporator pipe as shown in the figure, attach the adhesive polyurethane (2) so that it adheres around the high-pressure side of the evaporator pipe.

Adhesive polyurethane (4) Assembly Note




1. Attach the adhesive polyurethane (4) so that it adheres around the expansion valve.

Adhesive polyurethane (3) Assembly Note




1. Attach the adhesive polyurethane (3) so that it adheres around the low-pressure side of the evaporator pipe.

Adhesive polyurethane (1) Assembly Note




1. Attach the adhesive polyurethane (1) as shown in the figure.