Operation CHARM: Car repair manuals for everyone.
Manuals through 2025 now available!

Our trusted friends have launched a new website named LEMON, which has newer manuals. It also contains all the CHARM manuals.

LEMON is the spiritual successor to CHARM, I recommend you try it!

Link: lemon-manuals.la or lemon-manuals.org.ua

(Some people have issue connecting. LEMON is investigating. For now, use Firefox or change your DNS server)

Or, hide this message: temporarily or permanently

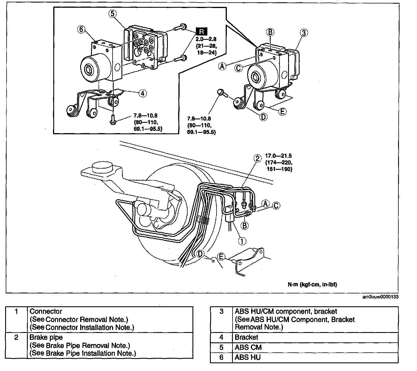
Antilock Brakes / Traction Control Systems: Service and Repair

ABS HU/CM REMOVAL/INSTALLATION

Caution:
^ When replacing the ABS HU/CM, the configuration procedure must be done before removing the ABS HU/CM. If the configuration is not completed before removing the ABS HU/CM, ABS will not work properly after installation of the ABS HU/CM.
^ Do not separate the ABS HU and ABS CM unless replacing them, otherwise the ABS HU/CM may not function properly. When replacing them with new ones, always perform procedures according to the instructions included with the new parts.
^ The internal parts-of the ABS HU/CM could be damaged if dropped. Be careful not to drop the ABS HU/CM. Replace the ABS HU/CM if it is subjected to an impact.


1. Remove the battery and battery tray.
2. Remove the reserve hose.
3. Remove in the order indicated in the table.
4. Install in the reverse order of removal.
5. Configurate the ABS HU/CM (only when replacing it). (See ABS CONFIGURATION.) ABS Configuration





Connector Removal Note





1. Pull the connector cover up in the direction of the arrow while pressing the tab of the connector cover.
2. Pull the connector toward the vehicle front and remove it.

Brake Pipe Removal Note





1. Place an alignment mark on the brake pipe and ABS HU/CM.
2. Apply protective tape to the connector to prevent brake fluid from entering.
3. Remove the brake pipe.

ABS HU/CM Component, Bracket Removal Note





1. As shown in the figure, move the bracket in the direction of the arrow and remove the ABS HU/ CM component and bracket from the body.

Brake Pipe Installation Note





1. Align the marks made before removal and install the brake pipe to the ABS HU/CM referring to the figure.

Connector Installation Note





1. After connecting the connector, verify that the connector cover is completely pushed in.