Operation CHARM: Car repair manuals for everyone.
Manuals through 2025 now available!

Our trusted friends have launched a new website named LEMON, which has newer manuals. It also contains all the CHARM manuals.

LEMON is the spiritual successor to CHARM, I recommend you try it!

Link: lemon-manuals.la or lemon-manuals.org.ua

(Some people have issue connecting. LEMON is investigating. For now, use Firefox or change your DNS server)

Or, hide this message: temporarily or permanently

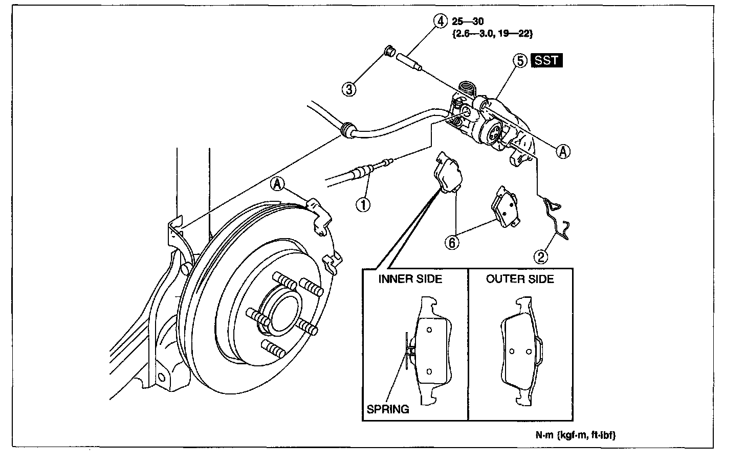
Rear

DISC PAD (REAR) REPLACEMENT

1. Remove in the order indicated in the table.
2. Install in the reverse order of removal.
3. After installation, pump the brake pedal a few times and inspect the following:
- Parking brake lever stroke
- Brake drag








Disc Pad Installation Note
1. Clean the exposed area of the piston.





2. Install the SST (49 F043 002) to the SST (49 B043 005).
3. Align the SST projection to the piston groove.





4. Rotate part A on the SST in the direction of the arrow and secure the SST to the caliper.





5. Rotate the SST in the direction of the arrow and push the piston completely into the caliper.

Note
^ Even with the piston completely pushed in, the top the piston projects from the dust seal by approximately 2 mm (0.09 in).





6. Rotate part A on the SST in the direction of the arrow using the tool and remove the SST from the caliper.
7. Install the disc pad (inner side) to the mounting support.
8. Install the disc pad (outer side) to the mounting support.