Operation CHARM: Car repair manuals for everyone.
Manuals through 2025 now available!

Our trusted friends have launched a new website named LEMON, which has newer manuals. It also contains all the CHARM manuals.

LEMON is the spiritual successor to CHARM, I recommend you try it!

Link: lemon-manuals.la or lemon-manuals.org.ua

(Some people have issue connecting. LEMON is investigating. For now, use Firefox or change your DNS server)

Or, hide this message: temporarily or permanently

Windshield Washer Switch: Testing and Inspection

WINDSHIELD WIPER AND WASHER SWITCH INSPECTION

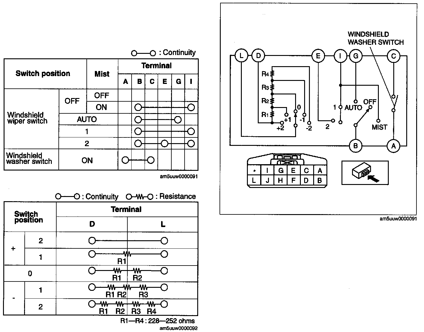
Vehicles With Auto Wiper System
1. Verify that the continuity between the windshield wiper and washer switch is as indicated in the table.
- If not as indicated in the table, replace the windshield wiper and washer switch.






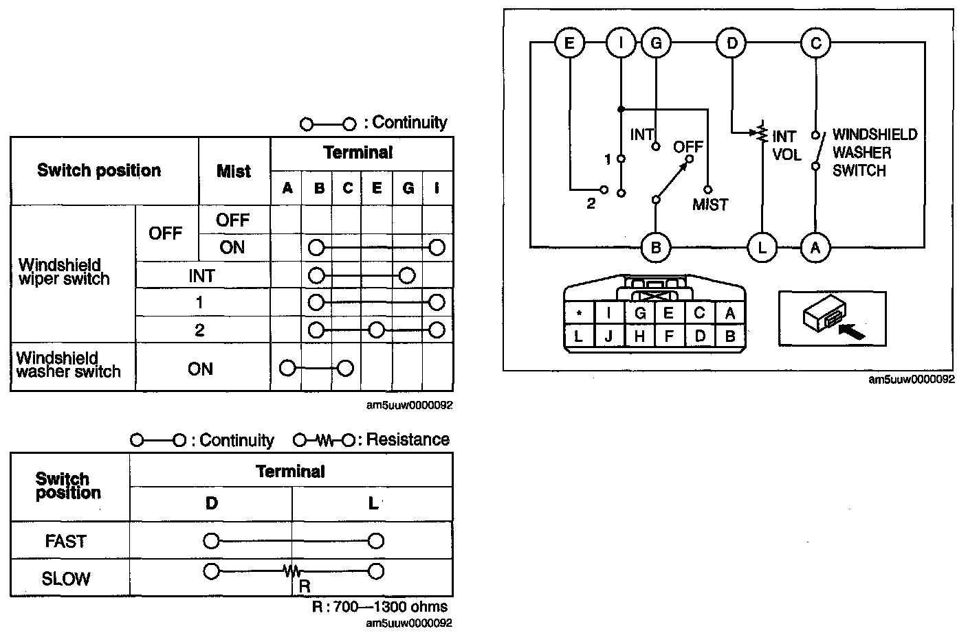
Vehicles Without Auto Wiper System

Wiper switch with INT volume switch
1. Verify that the continuity between the windshield wiper and washer switch is as indicated in the table.
- If not as indicated in the table, replace the windshield wiper and washer switch.