Operation CHARM: Car repair manuals for everyone.
Manuals through 2025 now available!

Our trusted friends have launched a new website named LEMON, which has newer manuals. It also contains all the CHARM manuals.

LEMON is the spiritual successor to CHARM, I recommend you try it!

Link: lemon-manuals.la or lemon-manuals.org.ua

(Some people have issue connecting. LEMON is investigating. For now, use Firefox or change your DNS server)

Or, hide this message: temporarily or permanently

Antilock Brakes / Traction Control Systems: Service and Repair

ABS/TCS HU/CM REMOVAL/INSTALLATION

Caution:
^ When replacing the ABS/TCS HU/CM, the configuration procedure must be done before removing the ABS/TCS HU/CM. If the configuration is not completed before removing the ABS/TCS HU/CM, TCS will not work properly after installation of the ABS/TCS HU/CM.
^ Do not drop the ABS/TCS HU/CM. Replace it if it is subjected to an impact.


1. Configure the ABS/TCS HU/CM (only when replacing it). (See ABS/TCS HU/CM CONFIGURATION.) ABS/TCS HU/CM Configuration
2. Remove in the order indicated in the table.
3. Install in the reverse order of removal.





Connector Removal Note

1. Release the lock lever to unlock it.





2. Remove the connector.

Brake Pipe Removal Note





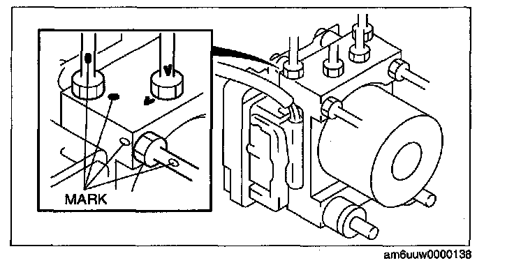
1. Mark the brake pipe connecting positions before removal for reference during installation.

ABS/TCS HU/CM Removal/Installation Note

1. When removing/installing the ABS/TCS HU/CM from/to the vehicle, attach a strip of protective tape on the ABS/TCS HU/CM connector to prevent brake fluid from entering.

Brake Pipe Installation Note





1. When installing the brake pipe, align the marks made before removal with the ABS/TCS HU/CM as shown in the figure.

Connector Installation Note





1. Verify that the lock lever of the harness connector is securely locked.