Operation CHARM: Car repair manuals for everyone.
Manuals through 2025 now available!

Our trusted friends have launched a new website named LEMON, which has newer manuals. It also contains all the CHARM manuals.

LEMON is the spiritual successor to CHARM, I recommend you try it!

Link: lemon-manuals.la or lemon-manuals.org.ua

(Some people have issue connecting. LEMON is investigating. For now, use Firefox or change your DNS server)

Or, hide this message: temporarily or permanently

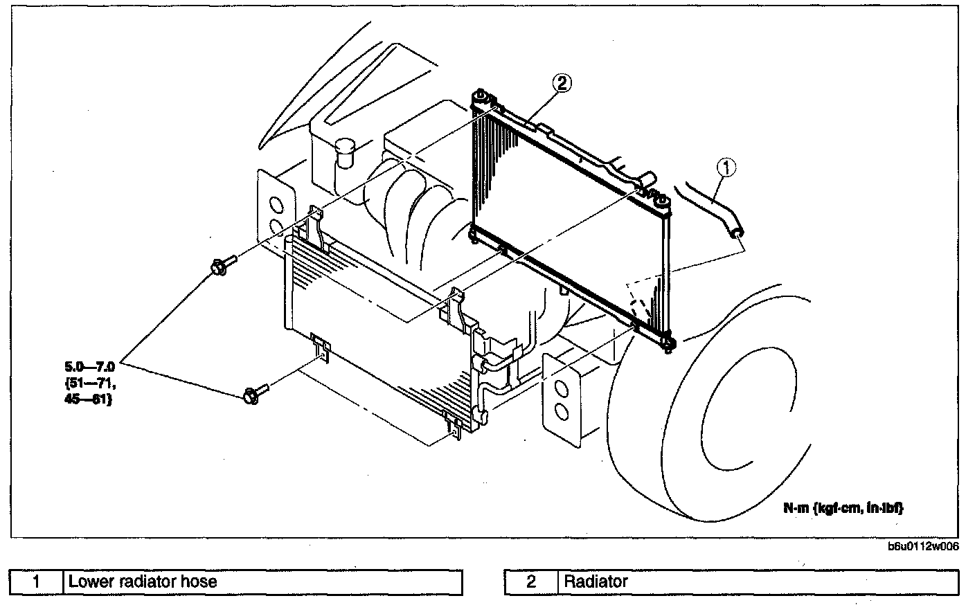
Radiator: Service and Repair

RADIATOR REMOVAL/INSTALLATION [L3, AJ]
1. Disconnect the negative battery cable.
2. Drain the engine coolant.
3. Remove the air cleaner.
4. Remove the shroud panel.
5. Remove the cooling fan.
6. Disconnect the upper radiator hose from the radiator. (L3 engine model)
7. Disconnect the oil hose from the radiator. (ATX)
8. Remove the engine coolant reserve hose. (AJ engine model)
9. Remove in the order indicated in the table.
10. Install in the reverse order of the removal.
11. Add the engine coolant.
12. Inspect for engine coolant leakage. (See ENGINE COOLANT LEAKAGE INSPECTION [L3, AJ].)
13. Inspect the ATF level.