Operation CHARM: Car repair manuals for everyone.
Manuals through 2025 now available!

Our trusted friends have launched a new website named LEMON, which has newer manuals. It also contains all the CHARM manuals.

LEMON is the spiritual successor to CHARM, I recommend you try it!

Link: lemon-manuals.la or lemon-manuals.org.ua

(Some people have issue connecting. LEMON is investigating. For now, use Firefox or change your DNS server)

Or, hide this message: temporarily or permanently

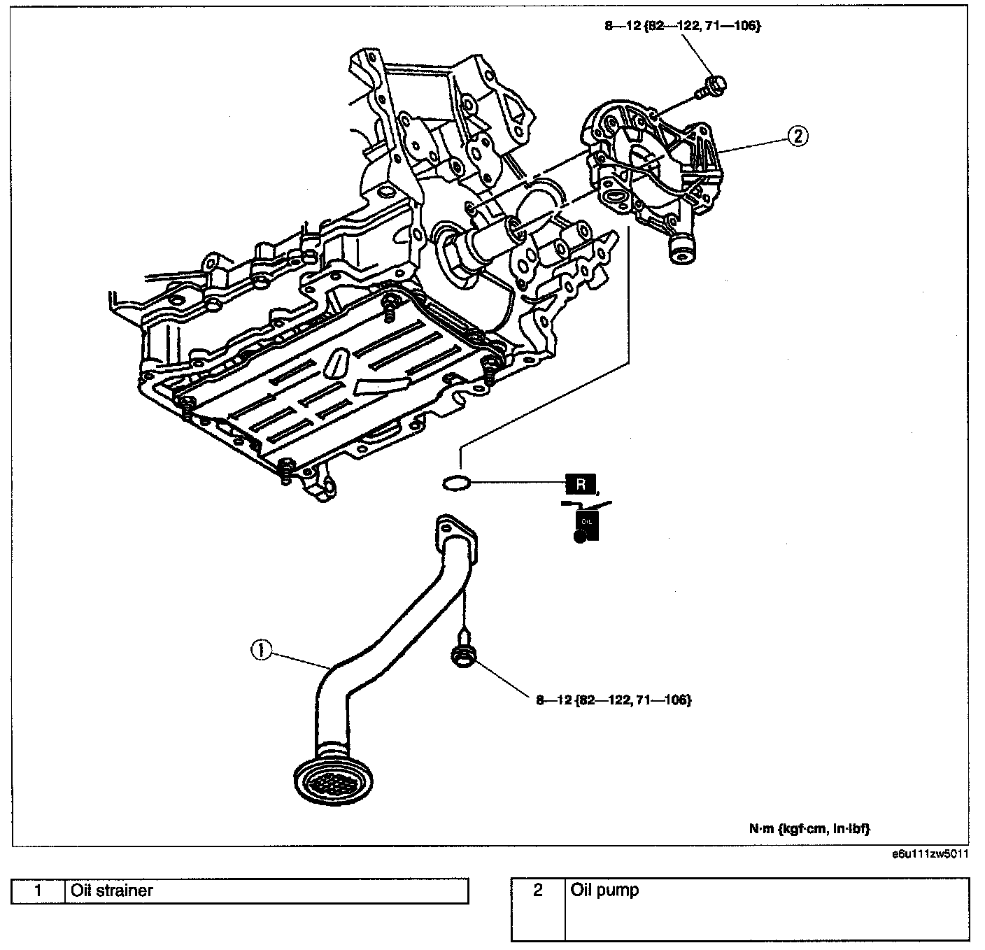
Oil Pump: Service and Repair

OIL PUMP REMOVAL/INSTALLATION [L3, AJ]
L3
1. Disconnect the negative battery cable.
2. Remove the under cover.
3. Remove the oil pan.
4. Remove in the order indicated in the table.
5. Install in the reverse order of removal.
6. Start the engine and confirm that there is no oil leakage.
^ If there is oil leakage, repair or replace applicable part.
7. Inspect the oil level. (See ENGINE OIL LEVEL INSPECTION [L3, AJ].) Testing and Inspection
8. Inspect the oil pressure. (See OIL PRESSURE INSPECTION [L3, AJ].) Testing and Inspection








Oil Pump Sprocket Removal/Installation Note (L3)





1. Temporarily install the crankshaft pulley and crankshaft pulley lock bolt to the crankshaft, and lock the oil pump against rotation as shown in figure.
2. Remove/install the oil pump sprocket, and then remove the crankshaft pulley and crankshaft pulley lock bolt.

Tightening torque
20 - 30 Nm (2.1 - 3.0 kgf.m, 14.8 - 22.1 ft. lbf)

Oil Pump Installation Note (L3)
1. Tighten the oil pump bolts in two steps in the order shown in the figure.

Tightening torque
Step 1: 8 - 12 Nm (82 - 122 kgf.cm, 71 - 105 in. lbf)
Step 2: 17 - 23 Nm (1.8 - 2.3 kgf.m, 12.6 - 16.9 ft. lbf)





AJ
1. Disconnect the negative battery cable.
2. Remove the under cover.
3. Remove the oil pan.
4. Remove the timing chain.
5. Remove in the order indicated in the table.
6. Install in the reverse order of removal.
7. Start the engine and confirm that there is no oil leakage.
^ If there is oil leakage, repair or replace applicable part.
8. Inspect the oil level. (See ENGINE OIL LEVEL INSPECTION [L3, AJ].) Testing and Inspection
9. Inspect the oil pressure. (See OIL PRESSURE INSPECTION [L3, AJ].) Testing and Inspection





Oil Pump Removal Note (AJ)





1. Loosen the oil pump bolts in the order shown in the figure.

Oil Pump Installation Note (AJ)





1. Tighten the oil pump bolts in the order shown in the figure.

Tightening torque 8 - 12 Nm (82 - 122 kgf.cm, 71 - 106 in. lbf)