Operation CHARM: Car repair manuals for everyone.
Manuals through 2025 now available!

Our trusted friends have launched a new website named LEMON, which has newer manuals. It also contains all the CHARM manuals.

LEMON is the spiritual successor to CHARM, I recommend you try it!

Link: lemon-manuals.la or lemon-manuals.org.ua

(Some people have issue connecting. LEMON is investigating. For now, use Firefox or change your DNS server)

Or, hide this message: temporarily or permanently

Part 1

ENGINE CONTROL SYSTEM OPERATION INSPECTION [L3]

Input Signal System Investigation Procedure
1. Find an unusual signal.
2. Locate the source.
3. Repair or replace the defective part.
4. Confirm that the unusual signal has been erased.

Finding unusual signals
While referring to ON-BOARD DIAGNOSTIC TEST [L3], use the PID/DATA monitor and record function to inspect the input signal system relating to the problem.
1. Start the engine and idle the vehicle. You can assume that any signals that are out of specifications by a wide margin are unusual.
2. When recreating the problem, any sudden change in monitor input signals that is not consciously created by the driver can be judged as unusual.

Locating the source of unusual signals

CAUTION:
- Compare the M-MDS monitor voltage with the measurement voltage using the digital measurement system function. If you use another tester, misreading may occur.
- When measuring voltage, attach the tester GND to the GND of the PCM that is being tested, or to the engine itself. If this is not done, the measured voltage and actual voltage may differ.
- After connecting the pin to a waterproof coupler, confirming continuity and measuring the voltage, inspect the waterproof connector for cracks. If there are any, use sealant to fix them. Failure to do this may result in deterioration of the harness or terminal from water damage, leading to problems with the vehicle.


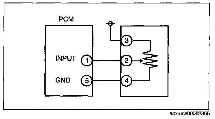
Variable resistance type 1 (TP sensor and EGR boost sensor)






Investigate the input signal system for variable resistance type 1
1. When an unusual signal is received, measure the #1 PCM terminal voltage.
- If the #1 terminal voltage and the M-MDS monitor voltage are the same, proceed to the next step.
- If there is a difference of 0.5 V or more, inspect for the following points concerning the PCM connector:
- Female terminal opening is loose.
- Coupler (pin holder) damage
- Pin discoloration (blackness)
- Harness/pin crimp is loose or disconnected.

2. Measure the #2 sensor terminal voltage.
- If there is a 0.5 V or more difference between the sensor and M-MDS voltages, inspect the harness for open or short circuits.
- If the sensor and M-MDS voltages are the same, inspect for the following points concerning the sensor connector:
- Female terminal opening is loose.
- Coupler (pin holder) damage
- Pin discoloration (blackness)

- If there are no problems, proceed to next investigation below.

Investigate the standard power supply system for variable resistance type 1
- Confirm that the #3 terminal is at 5 V.
- If the measured voltage on the #3 terminal is 5 V, inspect the following points on the sensor connector.
- If there is no problem, inspect for the following:
- Female terminal opening loose
- Coupler (pin holder) damage
- Pin discoloration (blackness)

- If the #3 terminal measures other than 5 V, inspect for the following:
- Open or short circuit in harness
- Harness/pin crimp is loose or disconnected.

Investigate the GND system for variable resistance type 1
- Confirm that terminal sensor #5 is at 0 V.
- If it is at 0 V, inspect the sensor.
- If necessary, replace the sensor.

- If not, inspect for the following:
- Open or short circuit in harness
- Female terminal opening is loose causing an open or short circuit in harness
- Coupler (pin holder) damage
- Pin discoloration (blackness)
- Harness/pin crimp is loose or disconnected.

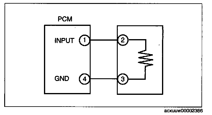
Variable resistance type 2 (fuel tank level sensor and mass air flow (MAF) sensor)






Investigate the GND system for variable resistance type 2
- Confirm that terminal sensor #4 is at 0 V.
- If it is at 0 V, inspect the sensor.
- If necessary, replace the sensor.

- If not at 0 V, inspect for the following:
- Open circuit in harness
- Female terminal opening is loose.
- Coupler (pin holder) damage
- Pin discoloration (blackness)
- Harness/pin crimp is loose or disconnected.

Investigate the input signal system for variable resistance type 2
1. When an unusual signal is received, measure the #1 PCM terminal voltage.
- If the #1 terminal voltage and the M-MDS monitor voltage are the same, proceed to the next step.
- If there is a difference of 0.5 V or more, inspect for the following points concerning the PCM connector:
- Female terminal opening is loose.
- Coupler (pin holder) damage
- Pin discoloration (blackness)
- Harness/pin crimp is loose or disconnected.

2. Measure the #2 sensor terminal voltage.
- If there is a 0.5 V or more difference between the sensor and M-MDS voltages, inspect the harness for open or short circuits.
- If the sensor and M-MDS voltages are the same, inspect the following points concerning the sensor connector:
- Female terminal opening is loose.
- Coupler (pin holder) damage
- Pin discoloration (blackness)
- Harness/pin crimp is loose or disconnected.

- If there are no problems, proceed to next investigation below.

Investigate the electrical supply system for variable resistance type 2
- Confirm that the sensor #3 terminal is B+.
- If the measured voltage on the #3 terminal is B+, inspect the following points on the sensor connector.
- If there is no problem, inspect for the following:
- Female terminal opening is loose.
- Coupler (pin holder) damage
- Pin discoloration (blackness)

- If the #3 terminal measures other than B+, inspect the following:
- Open or short circuit in harness.
- Harness/pin crimp is loose or disconnected.

Thermistor type (IAT sensor and ECT sensor)






Investigate the input signal system for thermistor type
1. When an unusual signal is received, measure the #1 PCM terminal voltage.
- If the #1 terminal voltage and the M-MDS monitor voltage are the same, proceed to the next step.
- If there is a difference of 0.5 V or more, inspect the following points concerning the PCM connector:
- Female terminal opening loose
- Coupler (pin holder) damage
- Pin discoloration (blackness)
- Harness/pin crimp is loose or disconnected.

2. Measure the #2 sensor terminal voltage.
- If there is a 0.5 V or more difference between the sensor and M-MDS voltages, inspect the harness for open or short circuits.
- If the sensor and M-MDS voltages are the same, inspect the following points concerning the sensor connector:
- Female terminal opening is loose.
- Coupler (pin holder) damage
- Pin discoloration (blackness)
- Harness/pin crimp is loose or disconnected.

- If there are no problems, proceed to next investigation below.

Investigate the GND system for thermistor type
- Confirm that terminal sensor #3 is at 0 V.
- If it is at 0 V, inspect the sensor. If necessary, replace the sensor.
- If not, inspect for the following:
- Open circuit in harness
- Female terminal opening is loose.
- Coupler (pin holder) damage
- Pin discoloration (blackness)
- Harness/pin crimp is loose or disconnected.

VSS






1. Measure the #1 PCM terminal voltage and confirm that it is at 0 V or 5 V when the ignition switch at ON and the engine at idle.
- If it is at 0 V or 5 V, intermittent concern exists. (See INTERMITTENT CONCERN TROUBLESHOOTING [L3].) Intermittent Concern Troubleshooting
- If not, inspect the following points concerning the PCM connector.
- If there is no problem, inspect for the following:
- Female terminal opening is loose.
- Coupler (pin holder) damage
- Pin discoloration (blackness)
- Harness/pin crimp is loose or disconnected.

2. Measure the #2 sensor terminal voltage and confirm that it is at 0 V or 5 V when the ignition switch at ON and the engine at idle.
- If it is at 0 V or 5 V, intermittent concern exists. (See INTERMITTENT CONCERN TROUBLESHOOTING [L3].) Intermittent Concern Troubleshooting
- If not, inspect the following points concerning the sensor connector:
- If there is no problem, inspect for the following.
- Female terminal opening is loose.
- Coupler (pin holder) damage
- Pin discoloration (blackness)
- Harness/pin crimp is loose or disconnected.

3. Confirm that the #3 terminal switch voltage is at 0 V.
- If it is at 0 V, inspect the sensor. If necessary, replace the sensor.
- If necessary, replace the sensor.

- If not, inspect for the following:
- Open circuit in harness
- Female terminal opening is loose.
- Coupler (pin holder) damage
- Pin discoloration (blackness)
- Harness/pin crimp is loose or disconnected.

Main Relay Operation Inspection
1. Verify that the main relay clicks when the ignition switch is turned to ON position and off.
- If there is no operation sound, inspect the following:
- Main relay
- Harness and connector between ignition switch and main relay terminal A.
- Harness and connector between PCM terminal 1Q and main relay terminal E.

Intake Manifold Vacuum Inspection
1. Verify air intake hoses are installed properly.
2. Start the engine and run it at idle.
3. Disconnect the vacuum hose between the intake manifold and purge solenoid valve from the intake manifold side.
4. Connect a vacuum gauge to the intake manifold and measure the intake manifold vacuum.
- If not as specified, inspect the following:

Specification
More than 60 kPa {450 mmHg, 18 inHg}

NOTE:
- Air suction can be located by engine speed change when lubricant is sprayed on the area where suction is occurring.
- Air suction at throttle body, intake manifold and PCV valve installation points
- EGR valve (stuck open)
- Fuel injector insulator
- Engine compression

Electronic Throttle Control System Inspection

Engine coolant temperature compensation inspection
1. Connect M-MDS to the DLC-2.
2. Select the following PIDs:
- ECT
- IAT
- RPM

3. Verify that the engine is cold, then start the engine.
4. Verify that the engine speed decreases as the engine warms up.
- If the engine speed does not decrease or decreases slowly, inspect the following:
- ECT sensor and related harness (See ENGINE COOLANT TEMPERATURE (ECT) SENSOR INSPECTION [L3].)
- Electronic throttle body and related harness (See THROTTLE ACTUATOR INSPECTION [L3].)Testing and Inspection

Load compensation inspection
1. Start the engine and run it at idle.
2. Connect M-MDS to the DLC-2.
3. Verify that P0506 or P0507 is not displayed.
- If P0506, or P0507 is displayed, perform DTC inspection. (See DTC TABLE [L3].) Diagnostic Trouble Code Descriptions

4. Select the RPM PID.

NOTE: Excludes temporary idle speed drop just after the loads are turned on.

5. Verify that the engine speed is within the specification under each load condition.
- If load condition is not as specified, inspect the following:
- A/C switch and related harness
- Fan switch and related harness
- PSP switch and related harness

Engine speed

Engine Speed:






Throttle position (TP) sweep inspection
1. Connect the M-MDS to DLC-2.
2. Turn the ignition switch to ON position.
3. Verify that none of the following DTC are displayed:
- P0122, P0123, P0222, P0223, P0638, P2100*2, P2101, P2102*2, P2103*2, P2107, P2108, P2109*1, P2112*1, P2119, P2122, P2123, P2127, P2128, P2135, P2138
- If any one DTC is displayed, perform DTC inspection.

4. Access TP_REL PID.
5. Verify that the PID reading is within the CTP value.
- If the PID reading is out of range, perform the following:
- Remove the air duct from throttle valve body.
- Verify that the throttle valve opens when accelerator pedal is depressed.
- If the throttle valve opens, inspect the throttle position sensor and related harness.
- If the throttle valve does not open, inspect the throttle actuator control motor and related harness.

6. Gradually depress the throttle pedal and verify that the PID reading increases lineally.
- If the PID reading drops momentarily, inspect the following:
- Throttle position sensor

7. Fully depress the throttle pedal and verify that the PID reading is within WOT value.
- If the PID reading is out of range, perform the followings:
- Remove the air duct from throttle valve body.
- Verify that the throttle valve opens when throttle pedal is depressed.
- If the throttle valve opens, inspect the throttle position sensor and related harness.
- If the throttle valve does not open, inspect the throttle actuator control motor and related harness.
*1 : California emission regulation applicable ATX model
*2 : Except for California emission regulation applicable ATX model