Operation CHARM: Car repair manuals for everyone.
Manuals through 2025 now available!

Our trusted friends have launched a new website named LEMON, which has newer manuals. It also contains all the CHARM manuals.

LEMON is the spiritual successor to CHARM, I recommend you try it!

Link: lemon-manuals.la or lemon-manuals.org.ua

(Some people have issue connecting. LEMON is investigating. For now, use Firefox or change your DNS server)

Or, hide this message: temporarily or permanently

Manual Transaxle Removal/Installation

MANUAL TRANSAXLE REMOVAL/INSTALLATION [G35M-R]
1. Disconnect the negative battery cable.
2. Remove the battery and battery tray.
3. Remove the air cleaner component.
4. Remove the wheels, tires and splash shields.
5. Remove the under cover.
6. Remove the steering gear and linkage, and pipe assembly installation bolts from the front crossmember, then suspend the steering gear and linkage with a cable.
Pipe assembly tightening torque 7.8-10.8 N-m (79.6-110.0 kgf-cm, 69.1-95.5 in-lbf)
7. Drain the transaxle oil into a suitable container.

Warning
^ Improperly jacking a transaxle is dangerous. It can slip off the jack and may cause serious injury.


8. Remove in the order indicated in the table.
9. Install in the reverse order of removal.
10. Add the specified amount of specified transaxle oil.
11. Warm up the engine and transaxle, inspect for oil leakage, and inspect the transaxle operation.








No.4 Engine Mount Bracket Removal Note
1. Install the SST using the following procedure.

Caution





^ Refer to the SST instruction manual for the basic handing procedure.






1) Install the right rear shaft of the SST to the bolt of the right shock absorber as shown in the figure.
2) Install the left rear shaft of the SST to the bolt of the left shock absorber. (Identical position to the right side)





3) Install the left/right front shaft of the SST with front foot No.2 to the bolt as shown in the figure.
4) Adjust the positions of the SST side bars so that they are the same height (left and right) and horizontal.
5) Make sure each joint is securely tightened.





2. Support the engine using the SST.

Note
^ The SST (49 E017 5A0) can be used in place of the SST (49 C017 5A0).

3. Remove the No.4 engine mount bracket.

Manual Transaxle Removal Note
1. Lean the engine toward the transaxle.





2. Support the transaxle on a jack.
3. Remove the transaxle mounting bolts.
4. Remove the transaxle.

Manual Transaxle Installation Note





1. Set the transaxle on a jack and lift into place.
2. Install the transaxle mounting bolts.
3. Adjust the SST (49 C017 5A0) so that the engine is located at the specified position.

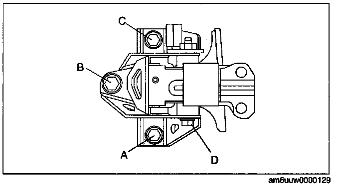
No.1 Engine Mount and No.4 Engine Mount Bracket Installation Note
1. Verify that the engine mount rubber is installed as shown.
2. By aligning the holes with the stud bolts, install the No.4 engine mount bracket to the transaxle.
3. By aligning the holes with the stud bolts, install the No.1 engine mount to the transaxle.
4. Align the hole of the No.4 engine mount bracket with the No.4 engine mount rubber on vehicle, and temporarily tighten bolt D.
5. Lightly tighten nuts B, C and bolt A.
6. Tighten nuts B, C in order of B->C, then bolt A.





7. Tighten bolt D.
Tightening torque
A, B, C: 66.6-93.1 N-m (6.8-9.4 kgf-m, 49.2-68.6 ft-lbf)
D: 85.3-116.6 N-m (8.7-11.8 kgf-m, 62.9-85.9 ft-lbf)





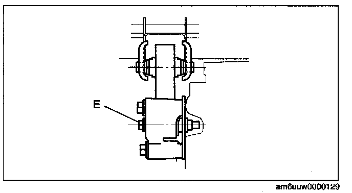
8. Tighten bolt E to the No.1 engine mount.
Tightening torque
E: 85.3-116.6 N-m (8.7-11.8 kgf-m, 62.9-85.9 ft-lbf)
9. Remove the SST (49 C017 5A0).