Operation CHARM: Car repair manuals for everyone.
Manuals through 2025 now available!

Our trusted friends have launched a new website named LEMON, which has newer manuals. It also contains all the CHARM manuals.

LEMON is the spiritual successor to CHARM, I recommend you try it!

Link: lemon-manuals.la or lemon-manuals.org.ua

(Some people have issue connecting. LEMON is investigating. For now, use Firefox or change your DNS server)

Or, hide this message: temporarily or permanently

Disc

BRAKE DISC








Removal

All vehicles
1. Remove the front disc brake caliper anchor plate.

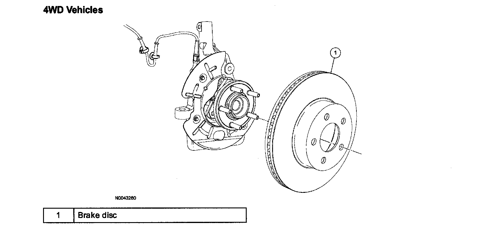
4WD vehicles
2. Remove the brake disc.

2WD vehicles
3. Remove the hub grease cap.
4. Remove the cotter pin.
5. Remove the hub spindle nut retainer.
6. Remove the hub spindle nut.
7. Remove the outer wheel bearing retaining washer.
8. Remove the outer wheel bearing.
9. Remove the brake disc and hub.

Note:
^ The wheel hub grease seal is a one-time use part. When it is removed, a new wheel hub grease seal must be installed.

10. Remove the wheel hub grease seal.
11. Remove the inner wheel bearing.

Installation

4WD vehicles
1. Install the brake disc.
^ Clean the wheel hub mating surface with brake parts cleaner and apply anti-seize lubricant to the mating surface.

2WD vehicles
2. Clean the inner and outer wheel bearings, the brake disc and hub race with metal brake parts cleaner. Inspect for damage or wear.
3. Lubricate the inner and outer wheel bearings, the brake disc and hub race with premium long-life grease.
4. Install the inner wheel bearing into the brake disc hub.
5. Install a new wheel hub grease seal.
6. Position the brake disc and hub onto the spindle.
7. Install the outer wheel bearing, outer wheel bearing retaining washer and the hub spindle nut.
8. Tighten the spindle nut while rotating the brake disc and hub.
^ Tighten to 29 N-m (3.0 kgf-m, 21 ft-lbf).
9. Loosen the spindle nut 175 degrees.
10. Tighten the spindle nut while rotating the brake disc and hub.
^ Tighten to 2 N-m (0.2 kgf-m, 18 in-lbf).
11. Install the hub spindle nut retainer, the cotter pin and the hub grease cap.

All vehicles
12. Install the front disc brake caliper anchor plate.