Operation CHARM: Car repair manuals for everyone.
Manuals through 2025 now available!

Our trusted friends have launched a new website named LEMON, which has newer manuals. It also contains all the CHARM manuals.

LEMON is the spiritual successor to CHARM, I recommend you try it!

Link: lemon-manuals.la or lemon-manuals.org.ua

(Some people have issue connecting. LEMON is investigating. For now, use Firefox or change your DNS server)

Or, hide this message: temporarily or permanently

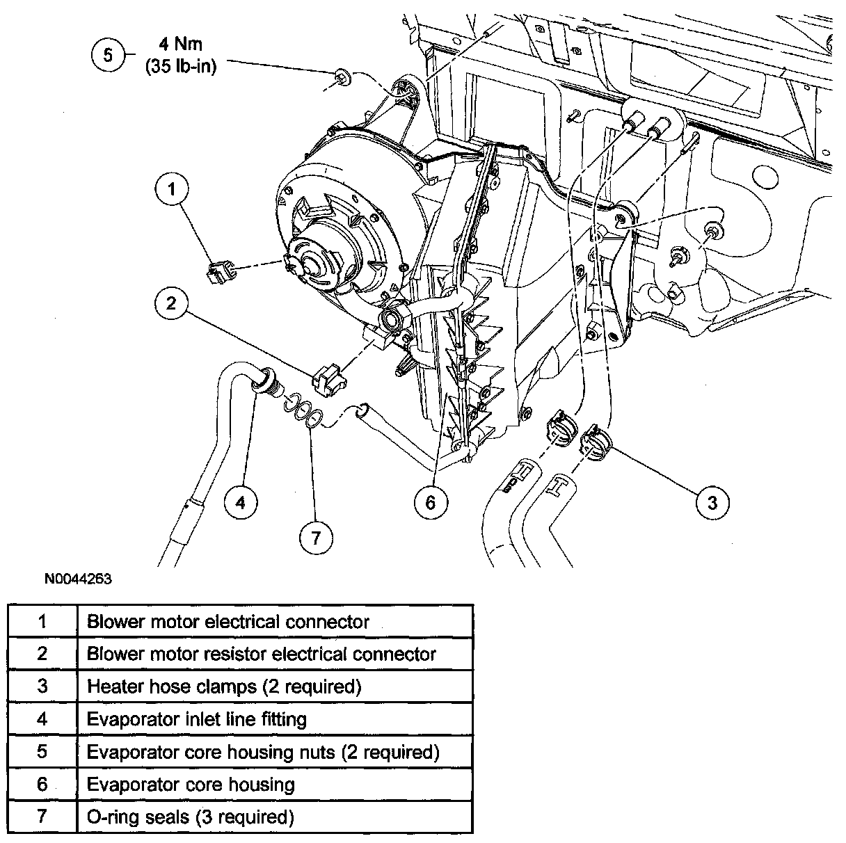
Evaporator Case: Service and Repair

EVAPORATOR CORE HOUSING REMOVAL / INSTALLATION

Evaporator Core Housing Removal/Installation:






Removal and Installation

NOTE:
- The evaporator core is not separately serviceable, it is serviced only with the evaporator core housing assembly.
- If an evaporator core leak is suspected, the evaporator core must be leak tested before it is removed from the vehicle. See EVAPORATOR CORE INSPECTION.
- Replacement of the suction accumulator is not required when repairing the refrigerant system except when there is physical evidence of system contamination from a failed A/C compressor or damage to the suction accumulator.

All vehicles
1. Drain the cooling system.
2. Recover the refrigerant. See A/C REFRIGERANT SYSTEM TESTS.
3. Remove the air cleaner outlet pipe.
4. Remove the suction accumulator.

Vehicles with 2.3L engine
5. Remove the A/C compressor.
6. Remove the engine oil indicator and tube.

Vehicles with 4.0L engine
7. Position the coolant recovery reservoir and the windshield washer reservoir aside.






1. Remove the screws and nuts.
2. Position the reservoirs aside.

Vehicles with speed control
8. Detach the speed control servo.






1. Disconnect the electrical connector.
2. Remove the bolt.
3. Detach the cable from the evaporator core housing and position aside the speed control servo.

All vehicles
9. Disconnect the blower motor and blower motor resistor electrical connectors.






10. Disconnect the heater hoses.






11. Detach the pin-type retainer and position aside the windshield washer hose.






12. Disconnect and detach the heater control valve vacuum hose.

NOTE: 2.3L engine shown, others are similar.

13. Disconnect the vacuum supply hose near the evaporator core housing.






14. Disconnect the condenser to evaporator line spring lock coupling from the evaporator core inlet. See A/C SPRING LOCK COUPLING.






- Discard the O-ring seals.

NOTE: The following step is performed at the lower passenger side dash panel, inside the passenger compartment.

15. Disconnect the vacuum hose connector and remove the nut.






Vehicles with 4.0L engine
16. If equipped, remove the wheel splash guard.

CAUTION:
- Remove the electrical connector locators from the splash shield prior to removal.
- On the RH splash shield, disconnect the vacuum lines from the vacuum storage reservoir
.

17. Remove the splash shield.






1. Remove the screws.
2. Remove the pushpin.
3. Remove the bolts.
4. Remove the splash shield.

All vehicles
18. Remove the nuts and the evaporator core housing.






19. To install, reverse the removal procedure.
- Lubricate the refrigerant system with the correct amount of clean refrigerant oil. See A/C REFRIGERANT OIL ADDITION.
- Install new O-ring seals lubricated in clean refrigerant oil.
- Lubricate the coolant hoses with coolant hose lubricant or plain water only, if needed.

20. Evacuate, leak test, and charge the refrigerant system. See A/C REFRIGERANT SYSTEM TESTS.