Operation CHARM: Car repair manuals for everyone.
Manuals through 2025 now available!

Our trusted friends have launched a new website named LEMON, which has newer manuals. It also contains all the CHARM manuals.

LEMON is the spiritual successor to CHARM, I recommend you try it!

Link: lemon-manuals.la or lemon-manuals.org.ua

(Some people have issue connecting. LEMON is investigating. For now, use Firefox or change your DNS server)

Or, hide this message: temporarily or permanently

Battery Cable: Service and Repair



Battery Cables Removal / Installation - 2.3L

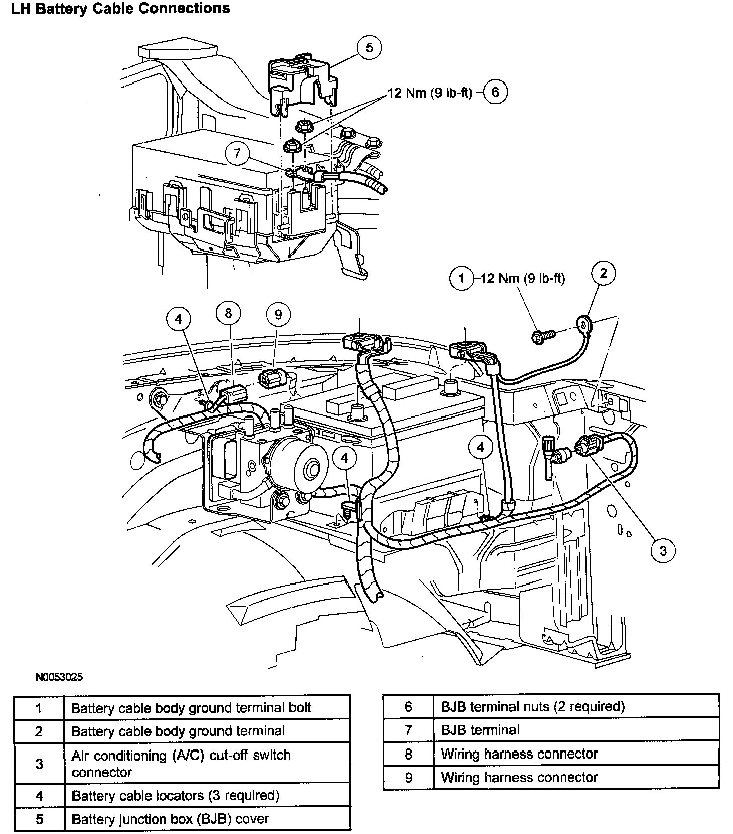
LH Battery Cable Connections:






LH Battery Cable Engine Connections:






RH Battery Cable Engine Connections:






Removal and Installation

1. With the vehicle in NEUTRAL, position it on a hoist.
2. Disconnect the battery. (See Battery Disconnect)

NOTE: When the battery is disconnected and reconnected, some abnormal drive symptoms may occur while the vehicle relearns its adaptive strategy. Disconnect the negative battery cable first, then disconnect the positive battery cable.

3. Remove the bolt and position the battery cable body ground terminal aside. Tightening Torque 12 Nm {1.2 kgf-m, 9 ft-lb}
4. Disconnect the battery cable connector located near the radiator support.
5. If equipped, disconnect the NC cut-off switch connector.
6. Remove the 3 battery cable locators from the battery tray and fender.
7. Remove the BJB cover, remove the 2 nuts and position the BJB terminal aside.Tightening Torque 12 Nm {1.2 kgf-m, 9 ft-lb}
8. Disconnect the battery cable connector located on the fenderwell.
9. Remove the bolt and position the battery cable fenderwell bracket aside.Tightening Torque 17 Nm {1.7 kgf-m, 13 ft-lb}
10. Remove the bolt and position the battery cable engine bracket aside.Tightening Torque 12 Nm {1.2 kgf-m, 9 ft-lb}
11. Remove the starter solenoid terminal cover.
12. Remove the nut and position the battery cable starter solenoid terminal aside. Tightening Torque 12 Nm {1.2 kgf-m, 9 ft-lb}
13. Remove the nut and position the battery cable starter solenoid wire terminal aside. Tightening Torque 5 Nm {0.5 kgf-m, 44 in-lb}
14. Remove the nut and position the battery cable engine ground terminal aside. Tightening Torque 27 Nm {2.7 kgf-m, 20 ft-lb}
15. Remove the battery cable locator from the starter stud bolt.
16. Disconnect the oil pressure switch connector.
17. Remove the battery cable locator from the bell housing bracket.
18. Remove the 2 battery cable locators from the engine oil level dipstick tube bracket.
19. Position the generator B+ protective cover aside, remove the nut and position the battery cable generator B+ terminal aside. Tightening Torque 8 Nm {O.8 kgf-m, 71 in-lb}
20. Disconnect the generator electrical connector.
21. If equipped, disconnect the AlC compressor electrical connector.
22. Remove the battery cable.
23. To install, reverse the removal procedure.