Operation CHARM: Car repair manuals for everyone.
Manuals through 2025 now available!

Our trusted friends have launched a new website named LEMON, which has newer manuals. It also contains all the CHARM manuals.

LEMON is the spiritual successor to CHARM, I recommend you try it!

Link: lemon-manuals.la or lemon-manuals.org.ua

(Some people have issue connecting. LEMON is investigating. For now, use Firefox or change your DNS server)

Or, hide this message: temporarily or permanently

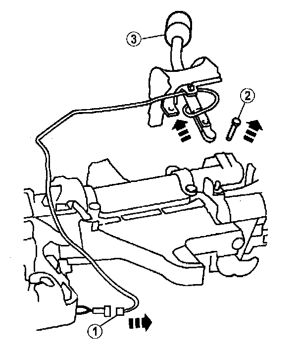
Shifter A/T: Service and Repair

SELECTOR LEVER REMOVAL / INSTALLATION

1. Remove the ignition switch.
2. Remove the upper steering column shroud and the rubber shift lever cover.





3. Remove the selector lever.
(1) Disconnect the shift control selector lever harness connector.
(2) Remove and discard the gearshift lever pin.
(3) Remove the gearshift lever.





Note:
^ The gearshift lever pin must be replaced whenever removed.

4. To install, reverse the removal procedure.