Operation CHARM: Car repair manuals for everyone.
Manuals through 2025 now available!

Our trusted friends have launched a new website named LEMON, which has newer manuals. It also contains all the CHARM manuals.

LEMON is the spiritual successor to CHARM, I recommend you try it!

Link: lemon-manuals.la or lemon-manuals.org.ua

(Some people have issue connecting. LEMON is investigating. For now, use Firefox or change your DNS server)

Or, hide this message: temporarily or permanently

Part 1

Assembly Note

Caution:
^ This vehicle is equipped with a composite material fuel rail. If the fuel rail is used as a leverage device, damage may occur to the fuel rail. Care must be taken when working around the fuel rail.


Note:
^ Before engine assembly, use Metal Surface Cleaner and a suitable plastic or wooden scraper to clean the sealing surfaces. All sealing surfaces must be clean. Make sure coolant and oil passages are clear.

1. Install the crankshaft main bearings and the thrust bearing.
1) Lubricate the crankshaft main bearings with clean engine oil.

Note:
^ The crankshaft bearings are precision selective fit. Inspect the bearing clearance.

2. Install the crankshaft.





Note:
^ The rear main bearing cap must be installed within four minutes after applying the silicone.

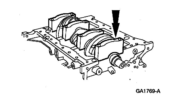
3. Apply silicone gasket and sealant to the rear main bearing cap to cylinder block parting line.





4. Install the crankshaft lower main bearings in the main bearing caps.
5. Install the main bearing caps and bolts.





6. Tighten the main bearing cap bolts.





7. Lubricate the piston rings with clean engine oil.
8. Make sure that the piston rings are correctly spaced.
9. Install rubber hose pieces on the connecting rod bolts to protect the crankshaft.





Note:
^ Position the piston with the indentation arrow toward the front of the cylinder block.

10. Using Piston Ring Compressor SST 303-D032, install the pistons, connecting rod caps, and bolts and nuts (finger tight).





Note:
^ The old nuts and bolts are used for checking clearances. New nuts and bolts must be used for reassembly.

11. Check the clearance of each connecting rod bearing.
12. Rotate the crankshaft until the piston is at the bottom of its stroke.

Note:
^ For cylinders 1, 2, and 3, remove the connecting rod nut at the oil split hole side first. For cylinders 4,5, and 6, remove the opposite nut first.

13. Loosen the first nut until the face is approximately 2 mm (0.08 in) over the end of the bolt.





14. Tap the nut until the bolt can move by hand.





15. Repeat the previous two steps for the opposite bolt and nut.
16. Install the new bolts making sure that the bolt head is parallel to the sideward face of the connecting rod.





17. Install the connecting rod cap in the original position.

Note:
^ Do not exceed 20 Nm (2 kgf-m, 15 lb-ft) when tightening the connecting rod nuts.

18. Install and tighten the connecting rod nuts finger tight.





19. Tighten the connecting rod nuts simultaneously in two stages:
1) Stage 1: Tighten to 20 Nm (2 kgf-m, 15 lb-ft).
2) Stage 2: Tighten 90 degrees.

20. Repeat previous four steps for remaining connecting rods.
21. Rotate crankshaft until No. 1 piston is at top dead center.
22. On vehicles with a balance shaft, install the balance shaft.
1) Install the balance shaft.
2) Install the bolts and tighten.





23. On vehicles with a balance shaft, install the balance shaft chain and crankshaft sprocket.





Note:
^ Due to the gear ratio between the reversal shaft and the balance shaft, up to seven complete turns of the balance shaft may be required to find the correct position.

24. On vehicles with a balance shaft, align the timing marks.
1) Install the 4 mm pin to hold the shaft in place.





25. On vehicles with a balance shaft, install the balance shaft tensioner.





1) Install the balance shaft tensioner.
2) Install the balance shaft tensioner bolts and tighten.
3) Position the balance shaft chain guide and install the two bolts. Tighten the bolts.
(1). Remove the pin from the tensioner.
26. Install the oil pump and tighten the bolts.





27. Install the jackshaft.





28. Install the jackshaft thrust plate and tighten the bolts.





29. Install the oil pump drive and tighten.





30. Attach the rear cassette and sprocket to the bolt. Do not tighten at this time.





31. Install the rear cassette and bolt with camshaft drive chains. Tighten the bolt.





32. Install the front cassette and bolt with camshaft drive chains. Tighten the bolt.





33. Position the jackshaft sprocket and chain.





34. Install the chain guide and tighten the bolts.





35. Install the chain tensioner and tighten the bolts.





36. Install the front sprocket retaining bolt. Do not tighten at this time.





37. While holding the front jackshaft sprocket bolt secure, tighten the rear bolt to 20 Nm (2 kgf-m, 15 lb-ft).
38. Install the Rear Jackshaft Socket SST 303-634 on the rear of the jackshaft.





39. Tighten the rear bolt an additional 90 degrees.





40. Tighten the front bolt in two stages.





1) Stage 1: Tighten to 45 Nm (4.5 kgf-m, 33 lb-ft).
2) Stage 2: Tighten 90 degrees.

41. Remove the Rear Jackshaft Socket SST 303-634 and install the rear jackshaft plug.





42. Position the front cover gasket and install the front cover. Tighten the bolts.





43. Apply sealant to the front cover in four places.





44. Apply silicone gasket and sealant to the rear main bearing cap as shown.





1) Position the ladder frame gasket.

Caution:
^ The ladder frame inserts must be loosened completely or damage to the ladder frame and/or oil leaks may result.


45. Loosen the ladder frame inserts.





46. Position the ladder frame and gasket assembly.





47. Install and hand tighten the 15 bolts and 2 nuts.





48. Install and hand tighten the ladder frame bolts.





Note:
^ The ladder frame to cylinder block alignment must be within a maximum mismatch of 0.25 mm (0.01 in) ladder frame under flush or 0.05 mm (0.00196 in) ladder frame protrusion.

49. Using a straight edge, align the transmission face of the ladder frame with the rear of the cylinder block.