Operation CHARM: Car repair manuals for everyone.
Manuals through 2025 now available!

Our trusted friends have launched a new website named LEMON, which has newer manuals. It also contains all the CHARM manuals.

LEMON is the spiritual successor to CHARM, I recommend you try it!

Link: lemon-manuals.la or lemon-manuals.org.ua

(Some people have issue connecting. LEMON is investigating. For now, use Firefox or change your DNS server)

Or, hide this message: temporarily or permanently

Steps 61-120

61. NOTE: LH shown, RH similar.





Install the two 8 mm bolts.

62. NOTE: LH shown, RH similar.





Tighten the bolts in the sequence shown in two stages.
^ Stage 1: Rotate 80 degrees.
^ Stage 2: Rotate an additional 80 degrees.





63. Using the special tool, install the crankshaft pulley.

64. CAUTION: A new bolt must be used each time it is removed.





Tighten the bolt in two stages.
^ Stage 1: Tighten to 50 Nm (37 ft. lbs.).
^ Stage 2: Rotate an additional 90 degrees.

65. CAUTION: The camshaft sprocket must turn freely on the camshaft. DO NOT tighten the bolt.





Install the RH rear camshaft bolt.





66. Install the bolt.

67. CAUTION: The camshaft sprocket must turn freely on the camshaft. DO NOT tighten the bolt.





Install the LH front camshaft bolt.





68. Install the bolt.
69. Turn the crankshaft one revolution clockwise.

70. NOTE: The special tool must be installed on the damper and should contact the engine block, this positions the engine at Top Dead Center (TDC).





Install the special tool.

71. NOTE:
^ Camshaft timing slots are off-center.
^ Position the camshaft timing slots below centerline of camshaft to correctly fit the special tools.





Install the special tools on the front of the RH cylinder head.

72. NOTE: Leave the top two special tool clamp bolts loose.





Install the special tools on the rear of the RH cylinder head.





73. Install the special tool.

74. CAUTION: The right-hand camshaft sprocket bolt is a left-hand threaded bolt.





Tighten the bolts.
1. Tighten the special tool top two clamp bolts to 10 Nm (89 inch lbs.).
2. Tighten the camshaft bolt.





75. Remove the special tool and install the RH camshaft tensioner.
76. Remove the special tools from the RH cylinder head.

77. NOTE: Do not tighten the special tool top two clamp bolts. Camshaft sprocket must rotate freely.





Install the special tools on the front of the LH cylinder head.

78. NOTE:
^ Camshaft timing slots are off-center.
^ Position the camshaft timing slots below centerline of camshaft to correctly fit the special tools.





Install the special tools on the rear of the LH cylinder head.





79. Install the special tool.





80. Tighten the bolts.
1. Tighten the special tool top two clamp bolts to 10 Nm (89 inch lbs.).
2. Tighten the camshaft bolt.





81. Remove the special tool and install the LH camshaft tensioner.
82. Remove the special tools from the LH cylinder head.





83. Remove the special tool.

84. NOTE: Lubricate the parts with clean engine oil prior to installing.





Using the special tool, install the roller followers in their original position.





85. Install the gasket and the LH exhaust manifold.





86. Install the gasket and the RH exhaust manifold.

87. NOTE: Prior to installation, use metal surface cleaner to clean mating surfaces.





Install the knock sensor.





88. Install the oil level indicator tube.





89. Install the thermostat housing.
1. Install the housing into the bypass hose.
2. Install the bolts.
3. Position the bypass hose clamp.





90. Install the fuel injectors.
^ Lubricate the fuel injector O-ring seals with engine oil.





91. Install the gasket and the RH valve cover.





92. Install the gasket and the LH valve cover.





93. Install the fuel injection supply manifold.





94. Install the lower fuel line bracket.





95. Connect the EGR valve to exhaust manifold tube to the exhaust manifold.





96. Install the fuel charging wiring.

97. NOTE: LH shown, RH similar.





Connect the six fuel injector electrical connectors.





98. Connect the water temperature indicator sender unit and the Engine Coolant Temperature (ECT) sensor electrical connectors.





99. Connect the Crankshaft Position (CKP) sensor electrical connector.





100. Connect the differential pressure feedback EGR transducer.





101. Connect the Camshaft Position (CMP) sensor electrical connector.





102. Attach the wiring harness retainer and install the heater tube bracket assembly.





103. Install the bolts.
104. Position the intake manifold close to the installed position.





105. Install the heated PCV fitting.





106. Install the intake manifold.





107. Connect and attach the electrical connector.





108. Connect the vacuum hoses.





109. Install the coil and ignition wire. Install the bolt.





110. Install the bolts.

111. CAUTION: Make sure to orient the Spark plug boots so the spark plug wires do not contact the exhaust manifolds. Wire contact can send voltage spikes to other electronic modules.

NOTE: Apply dielectric compound to the inside of the spark plug boots.

Connect the spark plug wires to the spark plugs.





112. Connect the Exhaust Gas Recirculation (EGR) vacuum regulator.





113. Connect the radio ignition interference capacitor electrical connector.





114. Connect the ignition coil electrical connector.





115. Connect the EGR valve-to-exhaust manifold tube to the EGR valve.





116. Connect the Idle Air Control (IAC) valve electrical connector and connect the EGR valve vacuum hose.





117. Connect the Throttle Position (TP) sensor electrical connector.





118. Install the generator mounting bracket.
1. Install the generator mounting bracket bolts.
2. Install the drive belt tensioner bolt.





119. Install the accessory bracket and tighten the bolts.
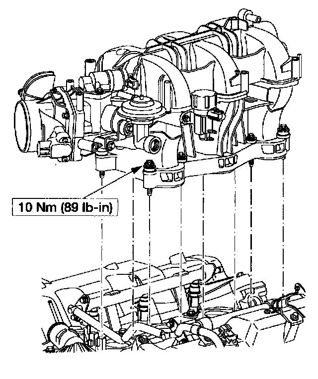
120. Rotate the drive belt tensioner counterclockwise and install the drive belt.