Operation CHARM: Car repair manuals for everyone.
Manuals through 2025 now available!

Our trusted friends have launched a new website named LEMON, which has newer manuals. It also contains all the CHARM manuals.

LEMON is the spiritual successor to CHARM, I recommend you try it!

Link: lemon-manuals.la or lemon-manuals.org.ua

(Some people have issue connecting. LEMON is investigating. For now, use Firefox or change your DNS server)

Or, hide this message: temporarily or permanently

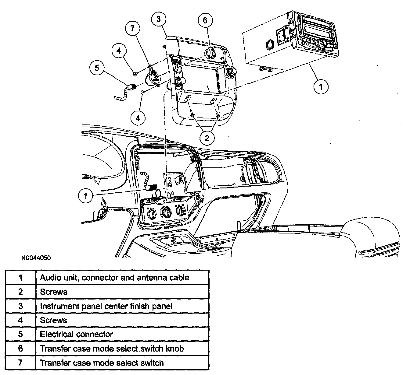
Four Wheel Drive Selector Switch: Service and Repair

TRANSFER CASE MODE SELECT SWITCH REMOVAL/INSTALLATION

Transfer Case Mode Select Switch Removal/Installation:





Removal and Installation

Caution:
- Before removing the audio unit, it must be placed in shipment mode. Failure to follow this instruction may result in damage to the audio unit


1. Put the audio unit in shipment mode.
2. Using the audio unit removing tool SST 415-001, remove the audio unit.
3. Disconnect the audio unit electrical connector(s) and antenna cable.
4. Remove the screws and pull out the instrument panel center finish panel out of the instrument panel.





5. Disconnect the finish panel electrical connectors.
6. Remove the mode select switch knob.





7. Remove the two screws retaining the switch, and remove the switch.





8. To install, reverse the removal procedure.