Operation CHARM: Car repair manuals for everyone.
Manuals through 2025 now available!

Our trusted friends have launched a new website named LEMON, which has newer manuals. It also contains all the CHARM manuals.

LEMON is the spiritual successor to CHARM, I recommend you try it!

Link: lemon-manuals.la or lemon-manuals.org.ua

(Some people have issue connecting. LEMON is investigating. For now, use Firefox or change your DNS server)

Or, hide this message: temporarily or permanently

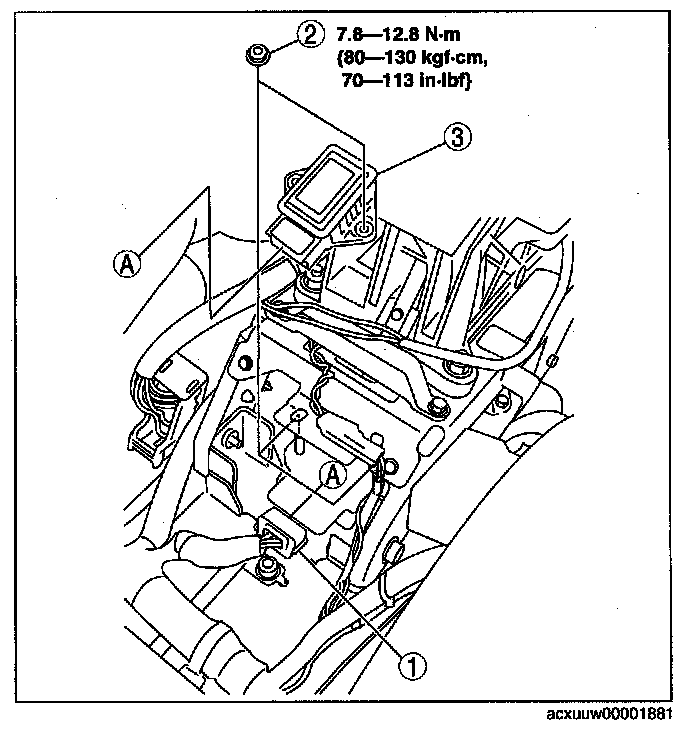
Yaw Rate Sensor: Service and Repair

COMBINED SENSOR REMOVAL/INSTALLATION

Caution
^ The internal parts of the combined sensor could be damaged if dropped. Be careful not to drop the combined sensor. Replace the combined sensor if it is subjected to an impact. Also, do not use an impact wrench or other similar air tools when removing/installing the sensor.


1. Remove the console panel.
2. Remove the console.





3. Remove in the order indicated in the table.





4. Install in the reverse order of removal.
5. After installation, perform the combined sensor initialization procedure. (See COMBINED SENSOR INITIALIZATION PROCEDURE.) Programming and Relearning