Operation CHARM: Car repair manuals for everyone.
Manuals through 2025 now available!

Our trusted friends have launched a new website named LEMON, which has newer manuals. It also contains all the CHARM manuals.

LEMON is the spiritual successor to CHARM, I recommend you try it!

Link: lemon-manuals.la or lemon-manuals.org.ua

(Some people have issue connecting. LEMON is investigating. For now, use Firefox or change your DNS server)

Or, hide this message: temporarily or permanently

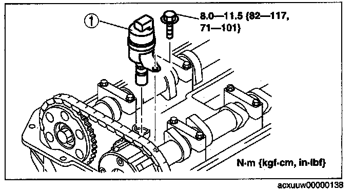
Engine Oil Control Valve: Service and Repair

OIL CONTROL VALVE (OCV) REMOVAL/INSTALLATION [L3 WITH TC]

1. Disconnect the negative battery cable.
2. Remove the charge air cooler.
3. Remove the ignition coils.
4. Disconnect the wiring harness.
5. Remove the ventilation hose.
6. Remove the cylinder head cover.





7. Remove in the order indicated in the table.
8. Install in the reverse order of removal.





Tightening torque
8.0-11.5 Nm (82-117 kgf-cm, 71-101 in-lbf)