Operation CHARM: Car repair manuals for everyone.
Manuals through 2025 now available!

Our trusted friends have launched a new website named LEMON, which has newer manuals. It also contains all the CHARM manuals.

LEMON is the spiritual successor to CHARM, I recommend you try it!

Link: lemon-manuals.la or lemon-manuals.org.ua

(Some people have issue connecting. LEMON is investigating. For now, use Firefox or change your DNS server)

Or, hide this message: temporarily or permanently

Part 1

ENGINE CONTROL SYSTEM OPERATION INSPECTION [MZI-3.7]

Input Signal System Inspection Procedure
1. Find an irregular signal. (See Finding irregular signals.
2. Locate source. (See Locating the source of unusual signals.)
3. Repair or replace the malfunctioning part.
4. Confirm that the irregular signal is no longer detected.

Finding irregular signals
While referring to, use the PID/DATA monitor and record function to inspect the input signal system relating to the problem.
1. Start the engine and idle the vehicle. You can assume that any signals that are out of specification by a wide margin are irregular.
2. When recreating the problem, any sudden change in monitor input signals that is not intentionally created by the driver can be determined as irregular.

Locating the source of unusual signals

CAUTION:
- Compare the M-MDS monitor voltage with the measurement voltage using the digital measurement system function. If you use another tester, misreading may occur.
- When measuring voltage, attach the tester GND to the GND of the PCM that is being tested, or to the engine itself. If this is not performed, the measured voltage and actual voltage may differ.
- After connecting the pin to a waterproof coupler, confirming continuity and measuring the voltage, inspect the waterproof connector for cracks. If there are any, use sealant to fix them. Failure to do this may result in deterioration of the wiring harness or terminal from water damage, leading to problems with the vehicle.


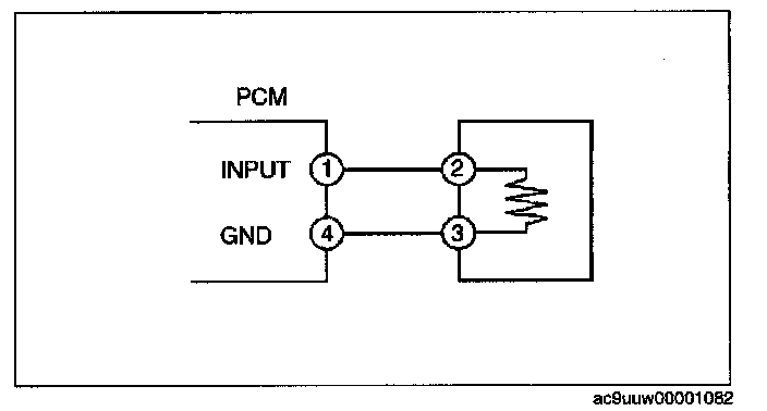
Variable resistance type 1 (TP sensor)






Input signal system inspection for variable resistance type 1
1. When an irregular signal is detected, measure the #1 PCM terminal voltage.
- If the #1 terminal voltage and the M-MDS monitor voltage are the same, proceed to the next step.
- If there is a difference of 0.5 V or more, inspect for the following points concerning the PCM connector:
- Female terminal opening is loose.
- Coupler (pin holder) damage
- Pin discoloration (blackness)
- Harness/pin crimp is loose or disconnected.

2. Measure the #2 sensor terminal voltage.
- If there is a 0.5 V or more difference between the sensor and the M-MDS voltages, inspect the wiring harness for open or short circuits.
- If the sensor and the M-MDS voltages are the same, inspect for the following points concerning the sensor connector:
- Female terminal opening is loose.
- Coupler (pin holder) damage
- Pin discoloration (blackness)

- If there are no problems, proceed to next investigation below.

Standard power supply system inspection for variable resistance type 1
- Confirm that the #3 terminal is at 5 V.
- If the measured voltage on the #3 terminal is 5 V, inspect the following points on the sensor connector.
- If there is no problem, inspect for the following:
- Female terminal opening is loose.
- Coupler (pin holder) damage
- Pin discoloration (blackness)

- If the #3 terminal measures other than 5 V, inspect for the following:
- Open or short circuit in wiring harness
- Harness/pin crimp is loose or disconnected.

GND system inspection for variable resistance type 1
- Confirm that terminal sensor #5 is at 0 V.
- If it is at 0 V, inspect the sensor.
- If necessary, replace the sensor.

- If not, inspect for the following:
- Open or short circuit in wiring harness
- Female terminal opening is loose causing an open or short circuit in wiring harness
- Coupler (pin holder) damage
- Pin discoloration (blackness)
- Harness/pin crimp is loose or disconnected.

Variable resistance type 2 (mass air flow (MAF) sensor and VSS)






GND system inspection for variable resistance type 2
- Confirm that terminal sensor #4 is at 0 V.
- If it is at 0 V, inspect the sensor.
- If necessary, replace the sensor.

- If not at 0 V, inspect for the following:
- Open circuit in wiring harness
- Female terminal opening is loose.
- Coupler (pin holder) damage
- Pin discoloration (blackness)
- Harness/pin crimp is loose or disconnected.

Input signal system inspection for variable resistance type 2
1. When an irregular signal is detected, measure the #1 PCM terminal voltage.
- If the #1 terminal voltage and the M-MDS monitor voltage are the same, proceed to the next step.
- If there is a difference of 0.5 V or more, inspect for the following points concerning the PCM connector:
- Female terminal opening is loose.
- Coupler (pin holder) damage
- Pin discoloration (blackness)
- Harness/pin crimp is loose or disconnected.

2. Measure the #2 sensor terminal voltage.
- If there is a 0.5 V or more difference between the sensor and the M-MDS voltages, inspect the wiring harness for open or short circuits.
- If the sensor and the M-MDS voltages are the same, inspect the following points concerning the sensor connector:
- Female terminal opening is loose.
- Coupler (pin holder) damage
- Pin discoloration (blackness)
- Harness/pin crimp is loose or disconnected.

- If there are no problems, proceed to next investigation below.

Electrical supply system inspection for variable resistance type 2
- Confirm that the sensor #3 terminal is B+.
- If the measured voltage on the #3 terminal is B+, inspect the following points on the sensor connector.
- If there is no problem, inspect for the following:
- Female terminal opening is loose.
- Coupler (pin holder) damage
- Pin discoloration (blackness)

- If the #3 terminal measures other than B+, inspect the following:
- Open or short circuit in wiring harness
- Harness/pin crimp is loose or disconnected.

Thermistor type (IAT sensor and CHT sensor)






Input signal system inspection for thermistor type
1. When an irregular signal is detected, measure the #1 PCM terminal voltage.
- If the #1 terminal voltage and the M-MDS monitor voltage are the same, proceed to the next step.
- If there is a difference of 0.5 V or more, inspect the following points concerning the PCM connector:
- Female terminal opening loose
- Coupler (pin holder) damage
- Pin discoloration (blackness)
- Harness/pin crimp is loose or disconnected.

2. Measure the #2 sensor terminal voltage.
- If there is a 0.5 V or more difference between the sensor and the M-MDS voltages, inspect the wiring harness for open or short circuits.
- If the sensor and the M-MDS voltages are the same, inspect the following points concerning the sensor connector:
- Female terminal opening is loose.
- Coupler (pin holder) damage
- Pin discoloration (blackness)
- Harness/pin crimp is loose or disconnected.

- If there are no problems, proceed to next investigation below.

GND system inspection for thermistor type
- Confirm that terminal sensor #3 is at 0 V.
- If it is at 0 V, inspect the sensor. If necessary, replace the sensor.
- If not, inspect for the following:
- Open circuit in wiring harness
- Female terminal opening is loose.
- Coupler (pin holder) damage
- Pin discoloration (blackness)
- Harness/pin crimp is loose or disconnected.

Main Relay Operation Inspection
1. Verify that the main relay clicks when the ignition switch is turned to ON position and off.
- If there is no operation sound, inspect the following:
- Main relay (See RELAY INSPECTION.)
- Harness and connector between battery and main relay terminal A.
- Harness and connector between PCM terminal 1Q and main relay terminal E.

Electronic Throttle Control System Inspection
Engine coolant temperature compensation inspection
1. Connect the M-MDS to the DLC-2.
2. Access the following PIDs:
- ECT
- IAT
- RPM

3. Verify that the engine is cold, then start the engine.
4. Verify that the engine speed decreases as the engine warms up.
- If the engine speed does not decrease or decreases slowly, inspect the following:
- CHT sensor and related wiring harness (See CYLINDER HEAD TEMPERATURE (CHT) SENSOR INSPECTION [MZI-3.7].)
- Electronic throttle body and related wiring harness (See THROTTLE BODY INSPECTION [MZI-3.7].) Testing and Inspection

Load compensation inspection
1. Start the engine and idle it.
2. Connect the M-MDS to the DLC-2.
3. Verify that P0506, P0507 is not displayed.
- If P0506, P0507 are displayed, perform DTC inspection. (See DTC TABLE [MZI-3.7].) Diagnostic Trouble Code Descriptions

4. Access the RPM PID.

NOTE: Excludes temporary idle speed drop just after the loads are turned on.

5. Verify that the engine speed is within the specification under each load condition.
- If load condition is not as specified, inspect the following:
- A/C switch and related wiring harness (See FRONT CLIMATE CONTROL UNIT INSPECTION.)
- Fan switch and related wiring harness (See FRONT CLIMATE CONTROL UNIT INSPECTION.)

Throttle position (TP) sweep inspection
1. Connect the M-MDS to the DLC-2.
2. Turn the ignition switch to the ON position.
3. Verify that none of the following DTC are displayed:
- P0122, P0123, P0222, P0223, P2101, P2107, P2112, P2122, P2123, P2127, P2128, P2135
- If any one DTC is displayed, perform DTC inspection.

4. Access TP1.TP2 PID.
5. Verify that the PID reading is within the CTP value. (See PCM INSPECTION [MZI-3.7].) PCM Inspection
- If the PID reading is out of range, perform the following:
- Remove the air duct from the throttle valve body.
- Verify that the throttle valve opens when the accelerator pedal is depressed.
- If the throttle valve opens, inspect the throttle position sensor and related wiring harness.
- If the throttle valve does not open, inspect the throttle actuator control motor and related wiring harness.

6. Gradually depress the throttle pedal and verify that the PID reading increases accordingly.
- If the PID reading drops momentarily, inspect the following:
- Throttle position sensor

7. Fully depress the throttle pedal and verify that the PID reading is within WOT value. (See PCM INSPECTION [MZI-3.7].) PCM Inspection
- If the PID reading is out of range, perform the followings:
- Remove the air duct from throttle valve body.
- Verify that the throttle valve opens when throttle pedal is depressed.
- If the throttle valve opens, inspect the throttle position sensor and related wiring harness.
- If the throttle valve does not open, inspect the throttle actuator control motor and related wiring harness.

Fuel Injector Operation Inspection

Step 1-Step 4:






Fuel Cut Control System Inspection

NOTE: This inspection has to perform after the Fuel Injector Operation Inspection.

If simulation function of the M-MDS is used:
1. Warm up the engine and idle it.
2. Connect the M-MDS to the DLC-2.
3. Select the RPM and FUELSYS1 PIDs.
4. Monitor the both PIDs while performing the following steps.
1. Depress the accelerator pedal and increase the RPM PID to 4,000 rpm.
2. Quickly release the accelerator pedal (brake pedal is not depressed) and verify that the FUELSYS1 PID is OL, and CL when the RPM PID drops below 1,200 rpm.
- If not as specified, inspect the following.
- CHT sensor and related harness (See CYLINDER HEAD TEMPERATURE (CHT) SENSOR INSPECTION [MZI-3.7].)
- TR switch and related wiring harness (See TRANSAXLE RANGE (TR) SWITCH INSPECTION [AW6A-EL, AW6AX-EL].)

If simulation function of the M-MDS is not used:
1. Warm up the engine and idle it.
2. Measure the fuel injector control signal wave profile using the oscilloscope while performing the following steps.
1. Depress the accelerator pedal and increase the engine speed to 4,000 rpm.
2. Quickly release the accelerator pedal (brake pedal is not depressed) and verify that the wave profile constant B+, and appears wave, when the engine speed drops below 2,200 rpm.
- If not as specified, inspect the following.
- CHT sensor and related harness (See CYLINDER HEAD TEMPERATURE (CHT) SENSOR INSPECTION [MZI-3.7].)
- TR switch and related wiring harness (See TRANSAXLE RANGE (TR) SWITCH INSPECTION [AW6A-EL, AW6AX-EL].)

Fuel Pump Operation Inspection
1. Remove the fuel-filler cap.
2. Turn the ignition switch to the ON position.
3. Turn the fuel pump relay from off to on using the FP PID and inspect if the operation sound is heard.
- If no operation sounds is heard, proceed to next step.

4. Measure voltage at wiring harness side fuel pump connector terminal B.

Specification
B+ (Ignition switch at on)


- If the voltage is as specified, inspect the following:
- Fuel pump continuity
- Fuel pump GND
- Wiring harness between fuel pump relay and PCM terminal 1 V

- If not as specified, inspect the following:
- Fuel pump relay
- Wiring harness connector (Main relay - fuel pump relay - fuel pump)

Fuel Pump Control System Inspection
1. Crank the engine and verify that fuel pump relay operation sound is heard.
2. If operation sound is not heard, inspect the following:
- Fuel pump relay (See RELAY INSPECTION.)
- Wiring harness and connectors (Main relay - fuel pump relay - PCM terminal 1 V)

Spark Test
1. Disconnect the fuel pump relay.
2. Verify that each ignition coil and connector is connected properly.
3. Inspect the ignition system in the following procedure.

WARNING: High voltage in the ignition system can cause strong electrical shock which can result in serious injury. Avoid direct contact to the vehicle body during the following spark test.

Step 1-Step 8:






Purge Control System Inspection
If simulation function of the M-MDS is used:
1. Start the engine.
2. Disconnect the vacuum hose between the purge solenoid valve and the charcoal canister.
3. Put the finger to the purge solenoid valve and verify that there is no vacuum applied when the engine is cold.
- If there is a vacuum, inspect the following:
- Wiring harness and connectors (Purge solenoid valve-PCM terminal 1BC)
- Purge solenoid vale (stuck open)

4. Connect the M-MDS to the DLC-2 and verify that the DTC P0443 is shown. Perform the DTC inspection. (See DTC TABLE [MZI-3.7].) Diagnostic Trouble Code Descriptions
5. Select EVAPCP PID.
6. Increase the duty value of the purge valve to 50% and inspect if the operation sound of the valve is heard.
- If the operation sound is heard, inspect for the loose or damaged vacuum hose. (Intake manifold - purge solenoid valve - charcoal canister)
- If the operation sound is not heard, perform the purge solenoid valve inspection. (See PURGE SOLENOID VALVE INSPECTION [MZI-3.7].) Testing and Inspection

7. Warm up the engine to normal operating temperature.
8. Monitor the EVAPCP PID using the M-MDS, and drive the vehicle approx. 2,000 rpm for 30 sec. or more.
- If the EVAPCP PID is 0%, inspect the following.
- MAF, APP1, APP2, APP3, TP_REL and LOAD PIDs.

If simulation function of the M-MDS is not used:
1. Start the engine.
2. Disconnect the vacuum hose between the purge solenoid valve and the charcoal canister.
3. Put the finger to the purge solenoid valve and verify that there is no vacuum applied when the engine is cold.
- If there is a vacuum, inspect the following:
- Wiring harness and connectors (Purge solenoid valve - PCM terminal 1BC)
- Purge solenoid vale (stuck open)

4. Connect the M-MDS to the DLC-2 and verify that the DTC P0443 is shown. Perform the DTC inspection. (See DTC TABLE [MZI-3.7].) Diagnostic Trouble Code Descriptions
5. Access EVAPCP and ECT PIDs.
6. Verify that the ECT PID is more than 78 °C {173 °F}.
- If the ECT PID reading indicates less than 78 °C {173 °F}, perform the ECT inspection.

7. Set the vehicle on the dynamometer or chassis roller.

WARNING: When the dynamometer or chassis roller is operating, there is a possibility that the operator may come into contact with or be caught up in the rotating parts, leading to serious injuries or death. When performing work while the dynamometer or chassis roller is operating, be careful not to come into contact with or caught up in any of the rotating parts.

8. Drive the vehicle approx. 2,000 rpm for 30 sec. or more.
- If there is no vacuum, inspect the following:
- Wiring harness and connector (Main relay - purge solenoid valve - PCM terminal 1BC)
- Purge solenoid valve
- MAF, APP1, APP2, APP3, TP_REL and LOAD PISs

- If there is vacuum, inspect the following:
- Vacuum hose (Purge solenoid valve - charcoal canister)