Operation CHARM: Car repair manuals for everyone.
Manuals through 2025 now available!

Our trusted friends have launched a new website named LEMON, which has newer manuals. It also contains all the CHARM manuals.

LEMON is the spiritual successor to CHARM, I recommend you try it!

Link: lemon-manuals.la or lemon-manuals.org.ua

(Some people have issue connecting. LEMON is investigating. For now, use Firefox or change your DNS server)

Or, hide this message: temporarily or permanently

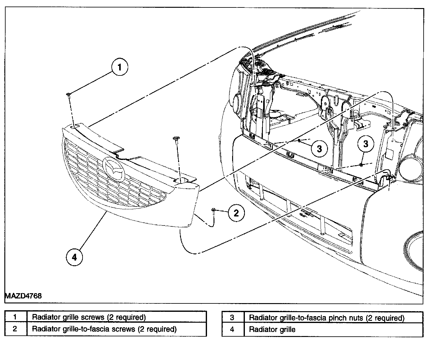
Grille: Service and Repair

RADIATOR GRILLE REMOVAL/INSTALLATION






1. Remove the front bumper cover.






2. Remove the 2 radiator grille-to-fascia screws.






3. Remove the 2 radiator grille pinch nuts.






4. Release the 3 radiator grille retaining clips and remove the radiator grille from the fascia.
5. To install, reverse the removal procedure.