Operation CHARM: Car repair manuals for everyone.
Manuals through 2025 now available!

Our trusted friends have launched a new website named LEMON, which has newer manuals. It also contains all the CHARM manuals.

LEMON is the spiritual successor to CHARM, I recommend you try it!

Link: lemon-manuals.la or lemon-manuals.org.ua

(Some people have issue connecting. LEMON is investigating. For now, use Firefox or change your DNS server)

Or, hide this message: temporarily or permanently

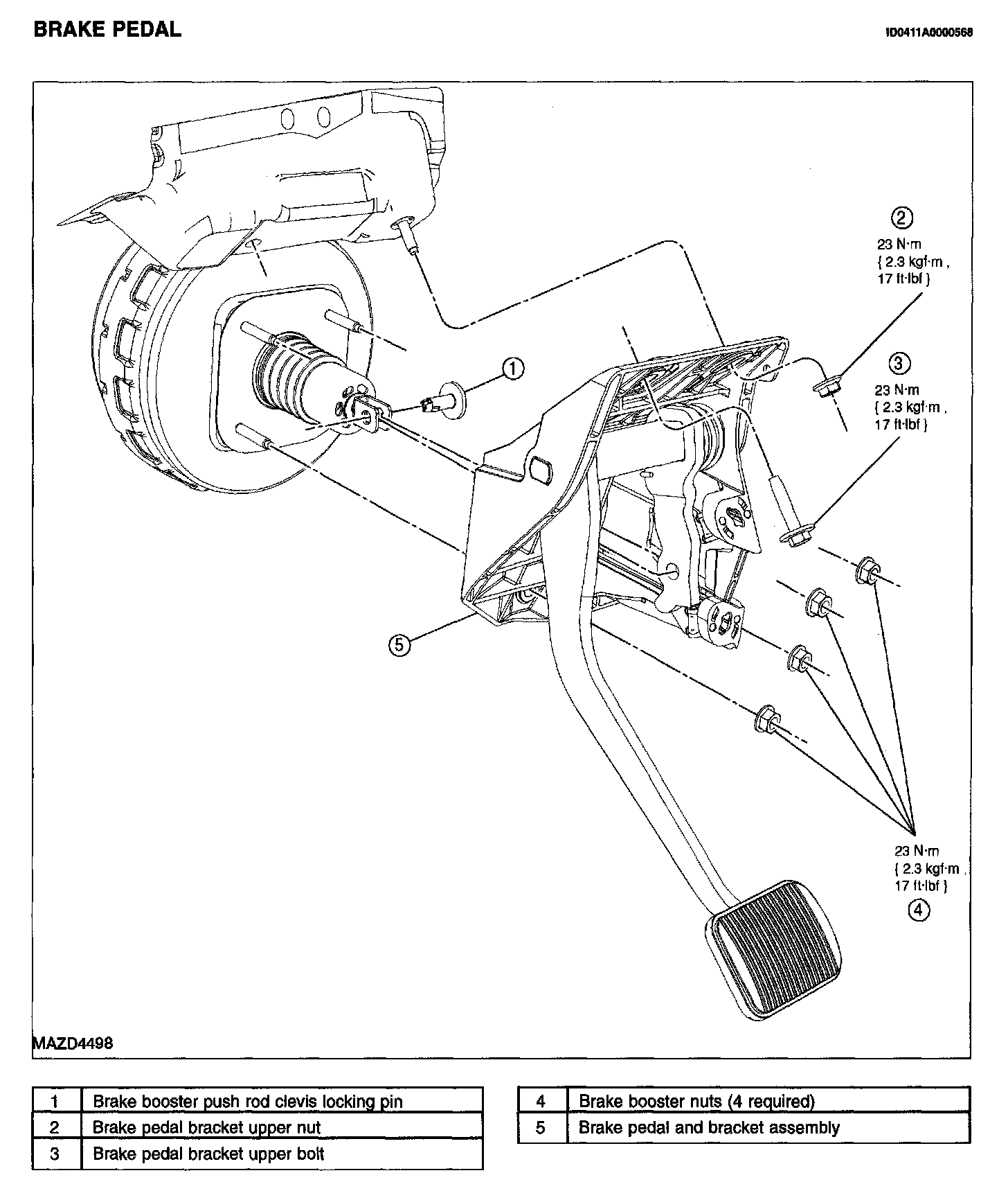
Brake Pedal Assy: Service and Repair

BRAKE PEDAL REMOVAL/INSTALLATION





1. Disconnect the battery.

Caution
^ Do not service the brake pedal or brake booster without first removing the brake pedal position (BPP) switch and speed control deactivator switch. These switches must be removed with the brake pedal in the at-rest position. Switch plungers must be compressed for the switch to rotate in the bracket. Attempting to remove the switch when the plunger is extended (during pedal apply) will result in damage to the switch.


2. Remove the brake pedal position (BPP) switch.
3. If equipped, remove the speed control deactivator switch.
4. Remove and discard the booster push rod clevis locking pin.

Note
^ The booster push rod clevis locking pin is a one-time use only part. Anytime the booster push rod clevis locking pin is removed, a new booster push rod clevis locking pin should be used.

Note
^ Remove the clevis locking pin by squeezing the locking tabs and pulling outward on the opposite end.

5. Remove the brake pedal bracket upper bolt.
^ To install, tighten to 23 N-m (2.3 kgf-m, 17 ft-lbf).
6. Remove the brake pedal bracket upper nut.
^ To install, tighten to 23 N-m (2.3 kgf-m, 17 ft-lbf).
7. Remove the 4 brake booster nuts.
^ To install, tighten to 23 N-m (2.3 kgf-m, 17 ft-lbf).
8. Remove the brake pedal and bracket assembly.
^ Position the brake booster forward to allow the brake pedal and bracket assembly to clear the brake booster studs.
9. To install, reverse the removal procedure.

Caution
^ Do not press, pull or otherwise move the brake pedal while installing the brake pedal position (BPP) switch or the speed control deactivator switch. These switches must be installed with the booster push rod attached to the brake pedal and with the brake pedal in the at-rest position. Installing these switches with the brake pedal in any other position will result in incorrect adjustment and may damage the switches.