Operation CHARM: Car repair manuals for everyone.
Manuals through 2025 now available!

Our trusted friends have launched a new website named LEMON, which has newer manuals. It also contains all the CHARM manuals.

LEMON is the spiritual successor to CHARM, I recommend you try it!

Link: lemon-manuals.la or lemon-manuals.org.ua

(Some people have issue connecting. LEMON is investigating. For now, use Firefox or change your DNS server)

Or, hide this message: temporarily or permanently

Engine

LOWER ENGINE BLOCK - 2.3L EXPLODED VIEW

Lower Engine Block - 2.3L:





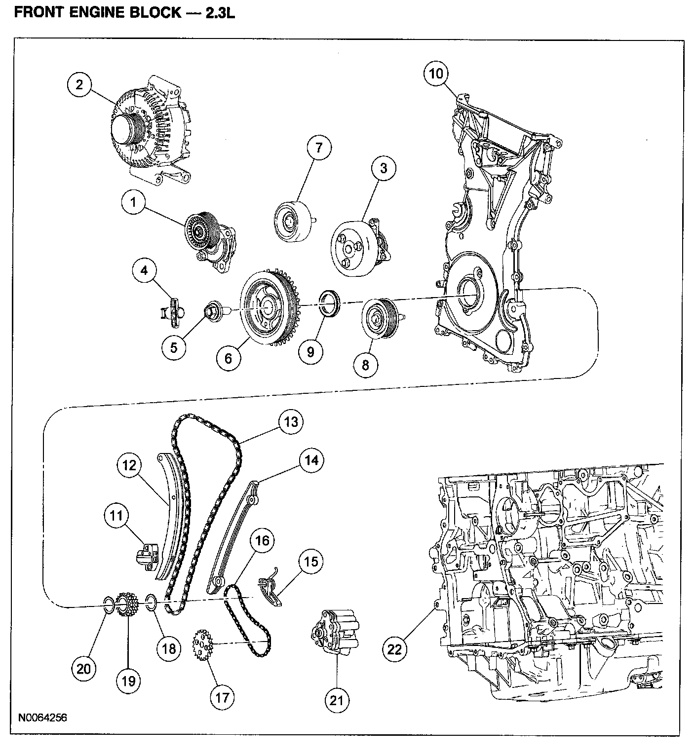
FRONT ENGINE BLOCK - 2.3L EXPLODED VIEW

Front Engine Block - 2.3L (Part 1):




Front Engine Block - 2.3L (Part 2):





INTAKE MANIFOLD - 2.3L EXPLODED VIEW

Intake Manifold - 2.3L:





CYLINDER HEAD - 2.3L EXPLODED VIEW

Cylinder Head - 2.3L (Part 1):




Cylinder Head - 2.3L (Part 2):