Operation CHARM: Car repair manuals for everyone.
Manuals through 2025 now available!

Our trusted friends have launched a new website named LEMON, which has newer manuals. It also contains all the CHARM manuals.

LEMON is the spiritual successor to CHARM, I recommend you try it!

Link: lemon-manuals.la or lemon-manuals.org.ua

(Some people have issue connecting. LEMON is investigating. For now, use Firefox or change your DNS server)

Or, hide this message: temporarily or permanently

Part 1

LOWER ENGINE BLOCK - 2.3L EXPLODED VIEW

Lower Engine Block - 2.3L:





FRONT ENGINE BLOCK - 2.3L EXPLODED VIEW

Front Engine Block - 2.3L (Part 1):




Front Engine Block - 2.3L (Part 2):





INTAKE MANIFOLD - 2.3L EXPLODED VIEW

Intake Manifold - 2.3L:





CYLINDER HEAD - 2.3L EXPLODED VIEW

Cylinder Head - 2.3L (Part 1):




Cylinder Head - 2.3L (Part 2):





ENGINE - 2.3L DISASSEMBLY

Disassembly

Caution
^ Do not loosen or remove the crankshaft pulley without first installing the special tools as instructed in this procedure. The crankshaft pulley and the crankshaft timing sprocket are not keyed to the crankshaft. The crankshaft, the crankshaft sprocket and the pulley are fitted together by friction, using diamond washers between the flange faces on each part. For that reason, the crankshaft sprocket is also unfastened if you loosen the pulley bolt. Before any repair requiring loosening or removal of the crankshaft pulley bolt, the crankshafts and camshafts must be locked in place by special service tools, otherwise severe engine damage can occur.


Caution
^ During engine repair procedures, cleanliness is extremely important. Any foreign material, including any material created while cleaning gasket surfaces that enters the oil passages, coolant passages or the oil pan, can cause engine failure.


Note
^ Due to the precision fit and timing of the balancer shaft assembly, it cannot be removed from the engine block.

Vehicles with Manual Transaxles





1. Remove the bolts, clutch pressure plate and clutch disc.

Warning
^ The clutch disc and clutch pressure plate are heavy and may fall if not held when the bolts are removed. Failure to follow these instructions may result in personal injury.


Caution
^ Loosen the bolts evenly to prevent pressure plate damage.


2. Remove the starter motor isolator.





3. Remove the bolts and the flywheel.





Vehicles with Automatic Transaxles

4. Remove the bolts and the flexplate.





All Vehicles
5. Mount the engine on a suitable stand.
6. Disconnect the crankshaft position (CKP) sensor electrical connector.





7. Remove the nut and disconnect the generator electrical connections.





Front Wheel Drive (FWD) Vehicles

8. Remove the 2 lower catalytic converter bolts.





9. Remove the 6 heat shield bolts and the heat shield.





10. Remove and discard the 7 exhaust manifold nuts.





11. Remove the catalytic converter and discard the exhaust manifold gasket.
12. Remove and discard the 7 exhaust manifold studs.

All Vehicles

13. Remove the nut, bolts and the generator.





14. Loosen the bolt and remove the accessory drive belt idler pulley.





15. Remove the 3 bolts and the accessory drive belt idler pulley and bracket.





16. Remove the bolts and the coolant pump pulley.





17. Remove the bolts and the coolant pump.





18. Detach the 2 wiring harness retainers.





19. Remove the 3 bolts and the thermostat housing assembly.





20. Remove the bolt and the oil level indicator.





21. Disconnect the engine oil pressure (EOP) switch electrical connector.





22. Remove the engine oil filter.





23. Remove the 4 bolts and the oil filter adapter.
^ Discard the gasket.





24. If equipped, remove the bolt and capacitor.





25. Detach the 2 wiring harness retainers.





26. Disconnect the knock sensor (KS) and detach the 2 wiring harness retainers.





27. Disconnect the temperature manifold absolute pressure (TMAP) sensor electrical connector.





28. Disconnect the idle air control (IAC) motor electrical connector.





29. Disconnect the swirl control valve electrical connector.





30. Disconnect the fuel rail pressure and temperature sensor electrical connector and vacuum tube.





31. Disconnect the radio capacitor electrical connector.





32. Disconnect the throttle position (TP) sensor electrical connector.





33. Remove the bolts and position the intake manifold aside.





Note
^ There are 2 different size bolts used. Mark the location of the bolts to make sure of installation in the correct locations.

34. Disconnect the positive crankcase ventilation (PCV) hose and remove the intake manifold.





35. Remove the exhaust gas recirculation (EGR) tube.





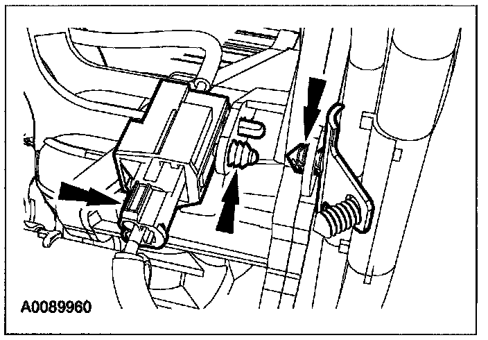
36. Disc ^ Detach the 2 wiring harness retainers.
onnect the 4 fuel injector electrical connectors.





37. Remove the nut and the radio capacitor.





38. Remove the 2 stud bolts and the fuel rail with the fuel injectors.