Operation CHARM: Car repair manuals for everyone.
Manuals through 2025 now available!

Our trusted friends have launched a new website named LEMON, which has newer manuals. It also contains all the CHARM manuals.

LEMON is the spiritual successor to CHARM, I recommend you try it!

Link: lemon-manuals.la or lemon-manuals.org.ua

(Some people have issue connecting. LEMON is investigating. For now, use Firefox or change your DNS server)

Or, hide this message: temporarily or permanently

Overhaul

HEATER CORE AND EVAPORATOR CORE HOUSING DISASSEMBLY/ASSEMBLY












Disassembly/Assembly

Plenum Chamber
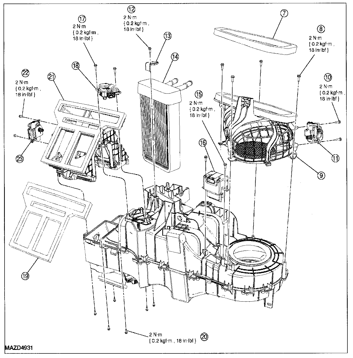
1. Remove the 2 RH temperature blend door actuator screws.
- To install, tighten to 3 N.m (0.3 kgf.m, 27 in.lbf).

2. Detach the heater core and evaporator core housing wire harness from the plenum chamber.
3. Remove the 2 defrost/panel/floor mode door actuator screws.
- To install, tighten to 3 N.m (0.3 kgf.m, 27 in.lbf).

4. Remove the defrost/panel/floor mode door actuator.
5. Remove the 6 plenum chamber screws.
- To install, tighten to 3 N.m (0.3 kgf.m, 27 in.lbf).

6. Remove the plenum chamber.

Air Inlet Duct
7. Detach the heater core and evaporator core housing wire harness from the air inlet duct.
8. Remove the 2 air inlet mode door actuator screws.
- To install, tighten to 3 N.m (0.3 kgf.m, 27 in.lbf).

9. Remove the air inlet mode door actuator.

Complete Disassembly
10. Detach and remove the heater core and evaporator core housing wire harness.
11. Remove the 2 blower motor speed control or blower motor resistor screws.
- To install, tighten to 3 N.m (0.3 kgf.m, 27 in.lbf).

12. Remove the blower motor speed control or blower motor resistor.
13. Remove the heater core tube dash panel seal.
14. Remove the heater core bracket screw and the heater core bracket.
- To install, tighten to 3 N.m (0.3 kgf.m, 27 in.lbf).

15. Remove the heater core.
16. Remove the TXV dash panel seal.
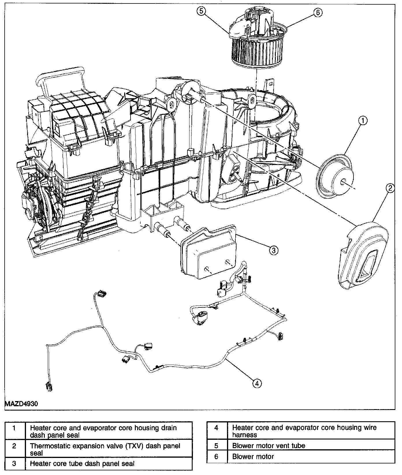
17. Remove the heater core and evaporator core housing drain dash panel seal.
18. Detach the 2 blower motor vent tube clips and disengage the vent tube from the heater core and evaporator core housing.
19. Rotate counterclockwise and remove the blower motor.
20. To assemble, reverse the disassembly procedure.