Operation CHARM: Car repair manuals for everyone.
Manuals through 2025 now available!

Our trusted friends have launched a new website named LEMON, which has newer manuals. It also contains all the CHARM manuals.

LEMON is the spiritual successor to CHARM, I recommend you try it!

Link: lemon-manuals.la or lemon-manuals.org.ua

(Some people have issue connecting. LEMON is investigating. For now, use Firefox or change your DNS server)

Or, hide this message: temporarily or permanently

Crankshaft Position Sensor: Service and Repair

CRANKSHAFT POSITION (CKP) SENSOR - 2.3L REMOVAL/INSTALLATION






Removal
1. With the vehicle in NEUTRAL, position on a hoist. See LIFTING.




2. Remove the 5 bolts and the RH splash shield.




3. Remove the engine plug bolt.




4. Turn the crankshaft pulley bolt to position the number one cylinder at top dead center (TDC) and install the special tool.
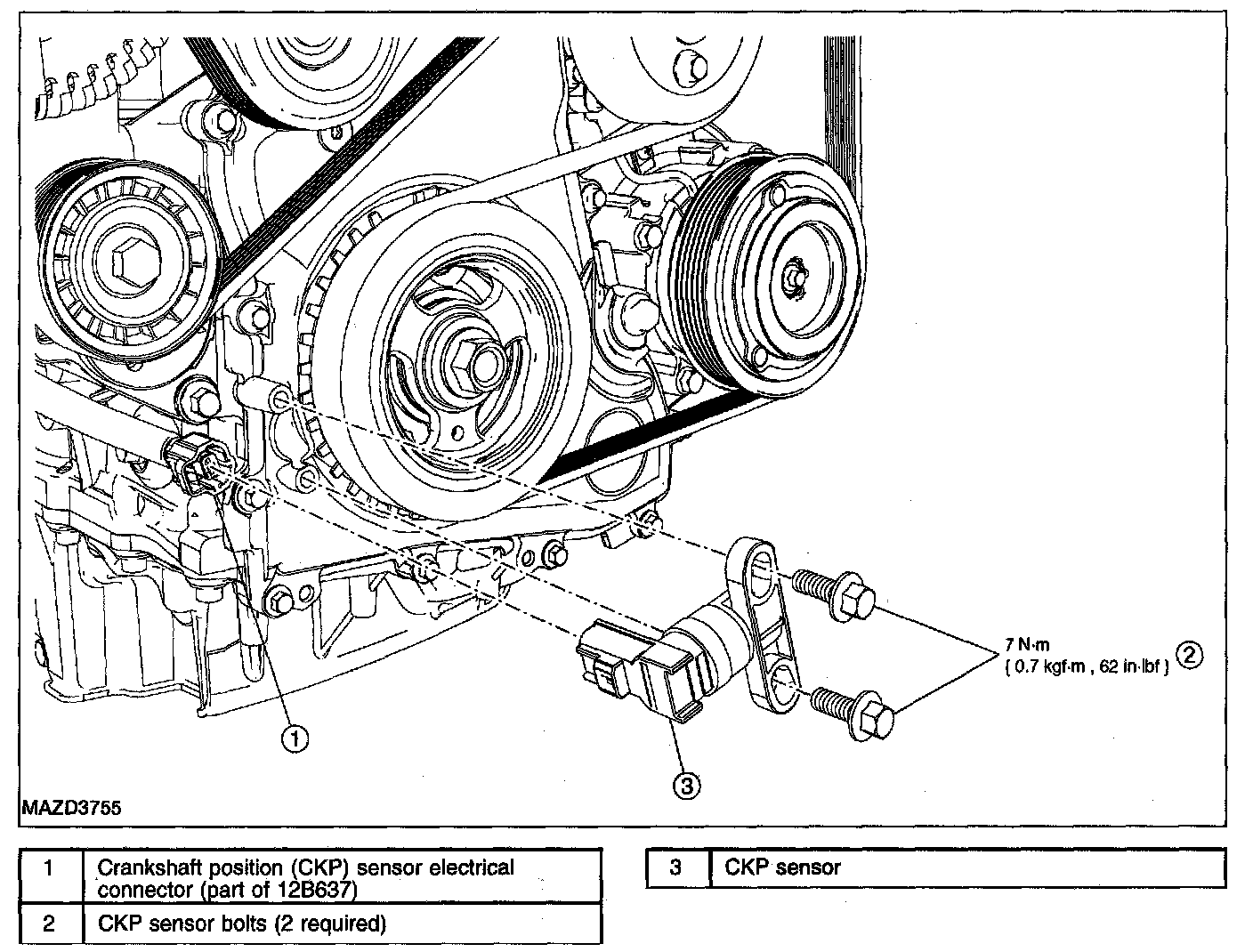
5. Disconnect the crankshaft position (CKP) sensor electrical connector.
6. Remove the bolts and the CKP sensor.

Installation




1. Install a 6 mm (0.23 in) x 18 mm (0.7 in) standard bolt.

CAUTION: Only hand tighten the bolt or damage to the front cover may occur.




2. Install a new CKP sensor and the bolts.
- Do not tighten the bolts at this time.

NOTE: Whenever the crankshaft position (CKP) sensor is removed, a new one must be installed using the alignment tool supplied with the new part.




3. Adjust the CKP sensor with the alignment tool.
- Tighten to 7 N.m {0.7 kgf.m, 62 in.lbf}.

NOTE: The crankshaft position (CKP) sensor alignment tool is supplied with the new sensor and is not available separately.

4. Connect the CKP sensor electrical connector.
5. Remove the 6 mm (0.23 in) bolt from the crankshaft pulley.
6. Install the engine plug bolt.
- Tighten to 20 N.m {2.0 kgf.m, 15 ft.lbf}.

7. Install the RH splash shield and the 5 bolts.
- Tighten to 9 N.m {0.9 kgf.m, 80 in.lbf}.