Operation CHARM: Car repair manuals for everyone.
Manuals through 2025 now available!

Our trusted friends have launched a new website named LEMON, which has newer manuals. It also contains all the CHARM manuals.

LEMON is the spiritual successor to CHARM, I recommend you try it!

Link: lemon-manuals.la or lemon-manuals.org.ua

(Some people have issue connecting. LEMON is investigating. For now, use Firefox or change your DNS server)

Or, hide this message: temporarily or permanently

Alternator: Service and Repair

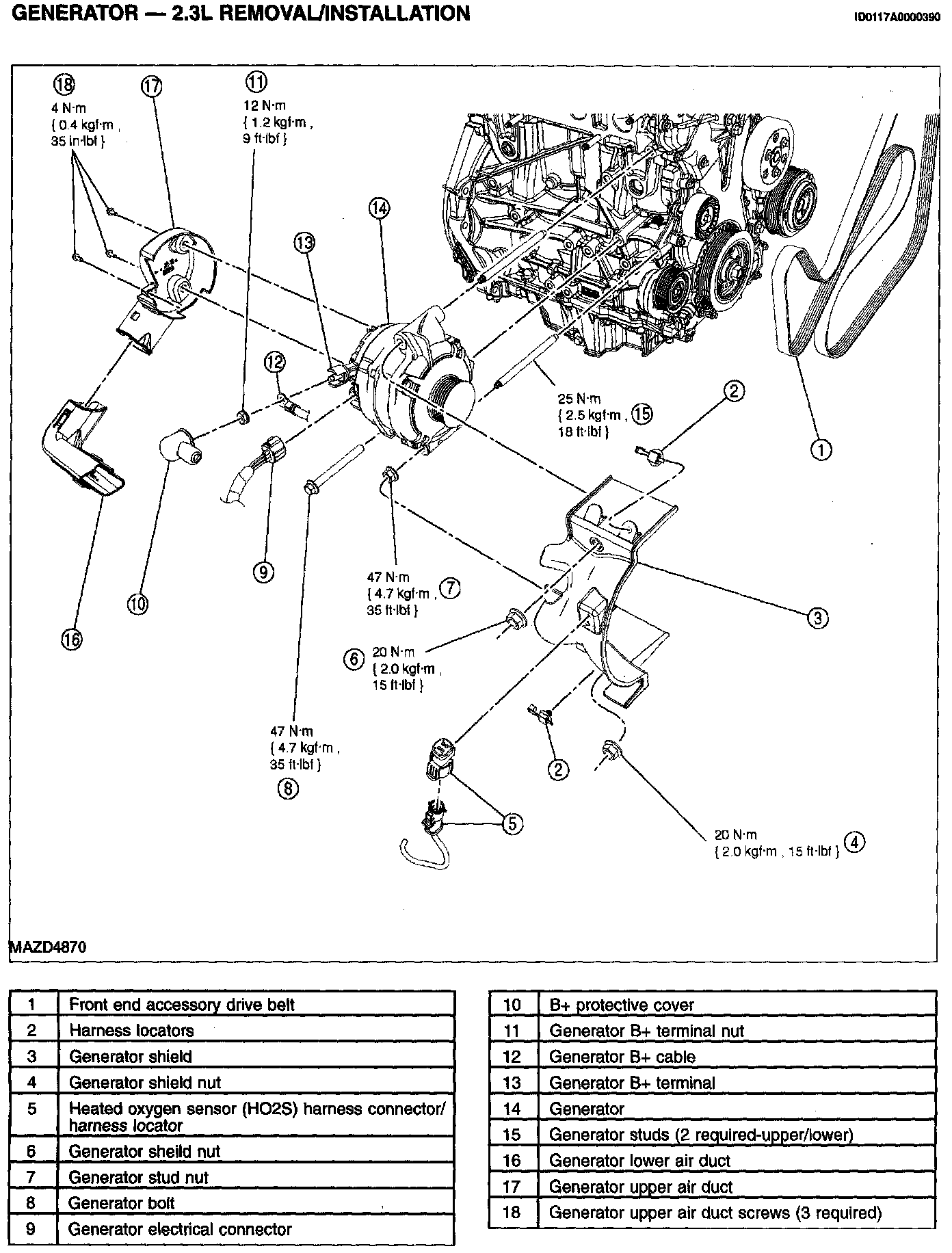
GENERATOR - 2.3L REMOVAL/INSTALLATION






CAUTION: Do not allow any metal object to come in contact with the generator housing and internal diode cooling fins. A short circuit may result and burn out the diodes. Failure to follow this instruction may result in component damage.

1. With the vehicle in NEUTRAL, position it on a hoist. See LIFTING.
2. Disconnect the battery. See BATTERY DISCONNECT.
3. Remove the 5 bolts and the RH lower splash shield.
- To install, tighten to 8 N.m (0.8 kgf.m, 71 in.lbf).

4. Rotate the front end accessory drive belt tensioner clockwise and position the accessory drive belt aside.
5. Press the locking tab to release the generator lower air duct from the generator and remove the lower air duct.
6. Remove the 2 battery harness locators from the generator shield.
7. Remove the heated oxygen sensor (HO2S) harness locator from the lower part of the generator shield.
8. Position the generator B+ protective cover aside and remove the generator B+ terminal nut.
- To install, tighten to 12 N.m (1.2 kgf.m, 9 ft.lbf).

9. Position the generator B+ cable aside.
10. Disconnect the generator electrical connector.
11. Remove the generator shield nut.
- To install, tighten to 20 N.m (2.0 kgf.m, 15 ft.lbf).

12. Remove the pin-type retainer from the bottom of the generator shield and the generator shield.
13. Remove the generator bolt.
- To install, tighten to 47 N.m (4.7 kgf.m, 35 ft.lbf).

14. Remove the 2 generator stud nuts.
- To install, tighten to 47 N.m (4.7 kgf.m, 35 ft.lbf).

15. Remove the 2 generator studs.
- To install, tighten to 25 N.m (2.5 kgf.m, 18 ft.lbf).

16. Remove the 3 screws and the generator upper air duct.
- To install, tighten to 4 N.m (0.4 kgf.m, 35 in.lbf).

17. Remove the generator.

NOTE: Lower the vehicle on the hoist to remove the generator.

18. To install, reverse the removal procedure.