Operation CHARM: Car repair manuals for everyone.
Manuals through 2025 now available!

Our trusted friends have launched a new website named LEMON, which has newer manuals. It also contains all the CHARM manuals.

LEMON is the spiritual successor to CHARM, I recommend you try it!

Link: lemon-manuals.la or lemon-manuals.org.ua

(Some people have issue connecting. LEMON is investigating. For now, use Firefox or change your DNS server)

Or, hide this message: temporarily or permanently

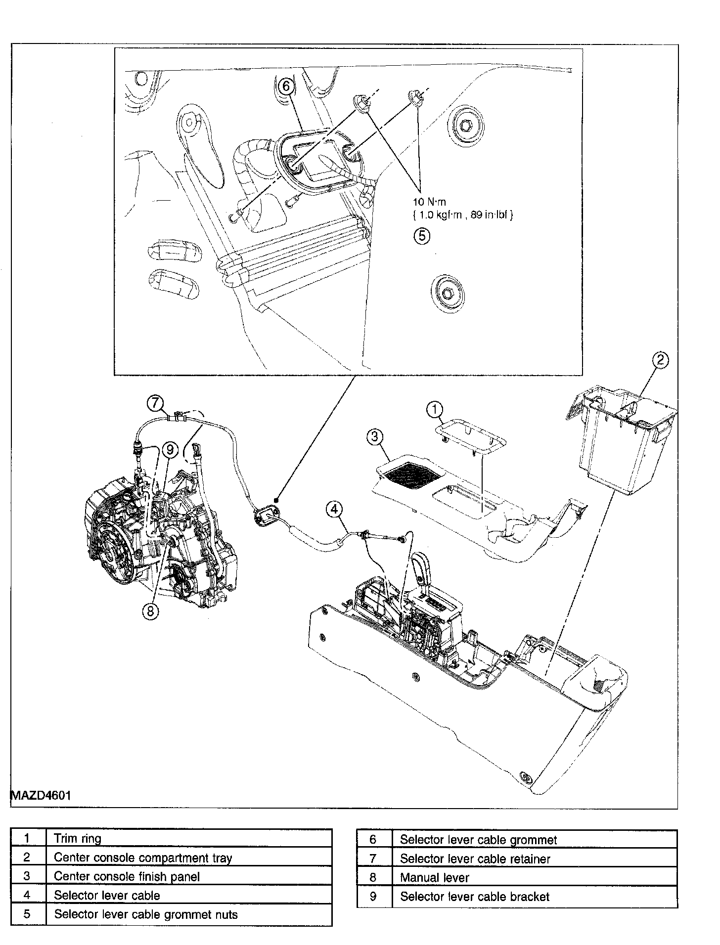
Shift Linkage: Service and Repair

SELECTOR LEVER CABLE REMOVAL/INSTALLATION





1. With the vehicle in NEUTRAL, position it on a hoist.





2. Place the floor shift selector lever in the (D) position.





3. Gently pry up to remove the upper shift lever trim ring.





4. Lift the center console lid and remove the center console compartment tray.
5. Remove the top finish panel.








6. Remove the selector lever cable from the gearshift assembly.
(1) Disconnect the selector lever cable end from the gearshift lever.
(2) Remove the selector lever cable from the bracket.





7. Remove the 2 grommet nuts for the selector lever cable.
^ Tighten to 10 N-m (1.0 kgf-m, 89 in-lbf).





8. Remove the selector lever cable retainer from the transaxle fluid filler tube.





9. Disconnect the selector lever cable end from the manual lever.





10. Release the 2 tabs and remove the selector lever cable from the selector lever cable bracket.
11. To install, reverse the removal procedure.
^ Adjust the selector lever cable after the installation.