Operation CHARM: Car repair manuals for everyone.
Manuals through 2025 now available!

Our trusted friends have launched a new website named LEMON, which has newer manuals. It also contains all the CHARM manuals.

LEMON is the spiritual successor to CHARM, I recommend you try it!

Link: lemon-manuals.la or lemon-manuals.org.ua

(Some people have issue connecting. LEMON is investigating. For now, use Firefox or change your DNS server)

Or, hide this message: temporarily or permanently

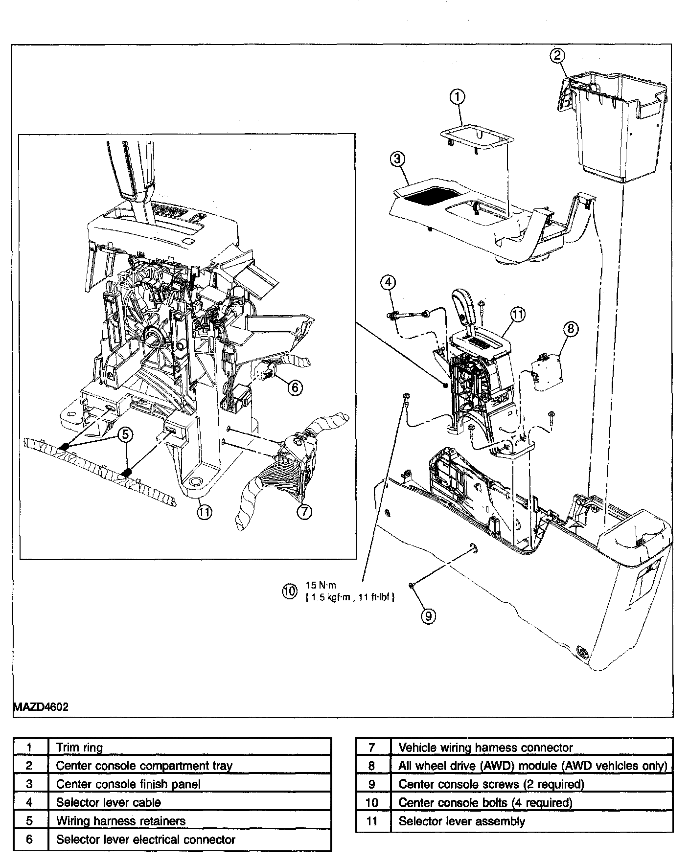
Shifter A/T: Service and Repair

SELECTOR LEVER REMOVAL/INSTALLATION





Removal

All Vehicles





1. Place the shift selector lever in the (D) position.





2. Gently pry up to remove the upper shift lever trim ring.





3. Lift the center console lid and remove the center console compartment tray.
4. Remove the top finish panel.








5. Remove the selector lever cable from the selector lever assembly.
(1) Disconnect the selector lever cable end from the selector lever.
(2) Remove the selector lever cable from the bracket.





6. Disconnect the wiring harness retainers from the selector lever.





7. Disconnect the electrical connectors from the selector lever.
(1) Disconnect the selector lever electrical connector.
(2) Remove the vehicle wiring harness connector from the selector lever.

All Wheel Drive (AWD) Vehicles





8. Pull the all wheel drive (AWD) module straight back and remove it from the back of the selector lever.

All Vehicles





9. Remove the 2 screws from the center console.





10. Remove the 4 bolts and remove the selector lever assembly.

Installation

All Vehicles
1. Install the selector lever assembly and the 4 bolts.
^ Tighten to 15 N-m (1.5 kgf-m, 11 ft-lbf).
2. Install the 2 center console screws.





AWD Vehicles





3. Install the AWD module on the back of the selector lever.

All Vehicles





4. Connect the electrical connector to the selector lever.
(1) Install the vehicle harness connector on the selector lever.
(2) Connect the selector lever electrical connector.





5. Connect the wiring harness retainers to the selector lever.
6. Install the selector lever cable on the selector lever assembly.





(1) Install the selector lever cable on the bracket.
(2) Connect the selector lever cable end.
7. Install the top finish panel.





8. Install the center console compartment tray.





9. Install the upper selector lever trim ring.





10. Adjust the shift cable.