Operation CHARM: Car repair manuals for everyone.
Manuals through 2025 now available!

Our trusted friends have launched a new website named LEMON, which has newer manuals. It also contains all the CHARM manuals.

LEMON is the spiritual successor to CHARM, I recommend you try it!

Link: lemon-manuals.la or lemon-manuals.org.ua

(Some people have issue connecting. LEMON is investigating. For now, use Firefox or change your DNS server)

Or, hide this message: temporarily or permanently

Upper Intake Manifold Removal/Installation

.UPPER INTAKE MANIFOLD REMOVAL/INSTALLATION

Upper Intake Manifold Removal/Installation (Part 1):




Upper Intake Manifold Removal/Installation (Part 2):




Upper Intake Manifold Removal/Installation (Part 3):






Removal
1. With the vehicle in NEUTRAL, position it on a hoist. See LIFTING.
2. Remove the air cleaner outlet pipe.
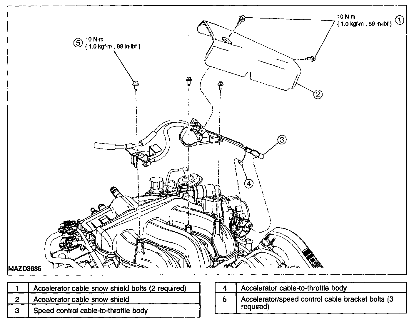
3. Remove the 2 bolts and the accelerator cable snow shield.
4. Detach the speed control and accelerator cables from the throttle body.
5. Remove the 3 accelerator/speed control cable bracket bolts.
- Position the cables and bracket aside.

6. Remove the exhaust gas recirculation (EGR) tube fitting from the EGR valve.
7. Detach the transaxle vent tube pin-type retainer from the throttle body.
8. Disconnect the throttle position (TP) sensor electrical connector and detach the wiring retainer.
9. Disconnect the vacuum harness tube fitting from the EGR valve and the EGR vacuum regulator.
10. Disconnect the evaporative emissions (EVAP) tube from the upper intake manifold.
11. Disconnect the idle air control (IAC) valve electrical connector.
12. Disconnect the EGR vacuum regulator electrical connector.
13. Remove the nut from the EGR vacuum regulator stud bolt and detach the wiring retainer.
14. Disconnect the positive crankcase ventilation (PCV), brake booster and vacuum harness tubes from the upper intake manifold.
15. Detach the 2 main engine control wiring harness electrical connectors from the upper intake manifold.
16. Disconnect and plug the 2 throttle body coolant hoses.
17. Remove the 8 bolts and the upper intake manifold.
- Remove and discard the gaskets.

Installation




1. Install new gaskets. Position the upper intake manifold and install the bolts.

- Tighten in the sequence shown to 10 N.m {1.0 kgf.m, 89 in.lbf}.

NOTE: Clean and inspect all sealing surfaces.

2. Connect the 2 throttle body coolant hoses.
3. Attach the 2 main engine control wiring harness electrical connectors to the upper intake manifold.
4. Connect the PCV, brake booster and vacuum harness tubes to the upper intake manifold.
5. Attach the wiring retainer to the EGR vacuum regulator stud bolt and install the nut.
- Tighten to 6 N.m {0.6 kgf.m. 53 in.lbf}.

6. Connect the EGR vacuum regulator electrical connector.
7. Connect the IAC valve electrical connector and wiring harness retainer.
8. Connect the EVAP tube to the upper intake manifold.
9. Connect the vacuum harness tube fittings to the EGR valve and the EGR vacuum regulator.
10. Connect the TP sensor electrical connector and attach the wiring retainer.
11. Attach the transaxle vent tube pin-type retainer to the throttle body.
12. Install the EGR tube fitting to the EGR valve.
- Tighten to 40 N.m {4.1 kgf.m, 30 ft.lbf}.

13. Position the accelerator/speed control cables and brackets and install the 3 bolts.
- Tighten to 10 N.m {1.0 kgf.m, 89 in.lbf}.

14. Attach the speed control and accelerator cables to the throttle body.
15. Install the accelerator cable snow shield and the 2 bolts.
- Tighten to 10 N.m {1.0 kgf.m, 89 in.lbf}.

16. Install the air cleaner outlet pipe.